GM Service Manual Online
For 1990-2009 cars only
Figure 1:

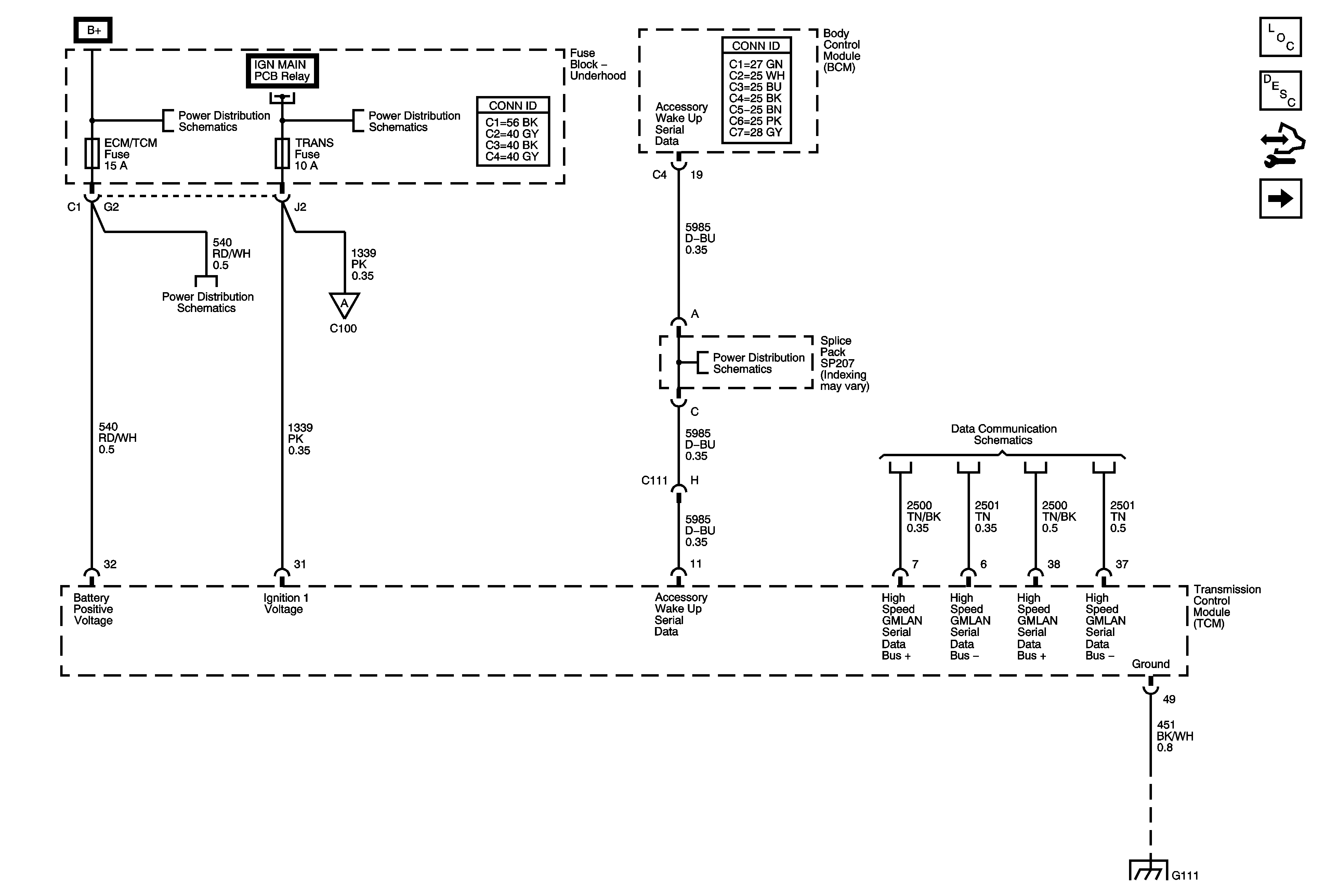
Power, Ground, and Serial Data


Object Number: 1760945  Size: FS
Master Electrical Component List
Electronic Component Description
Control Module References
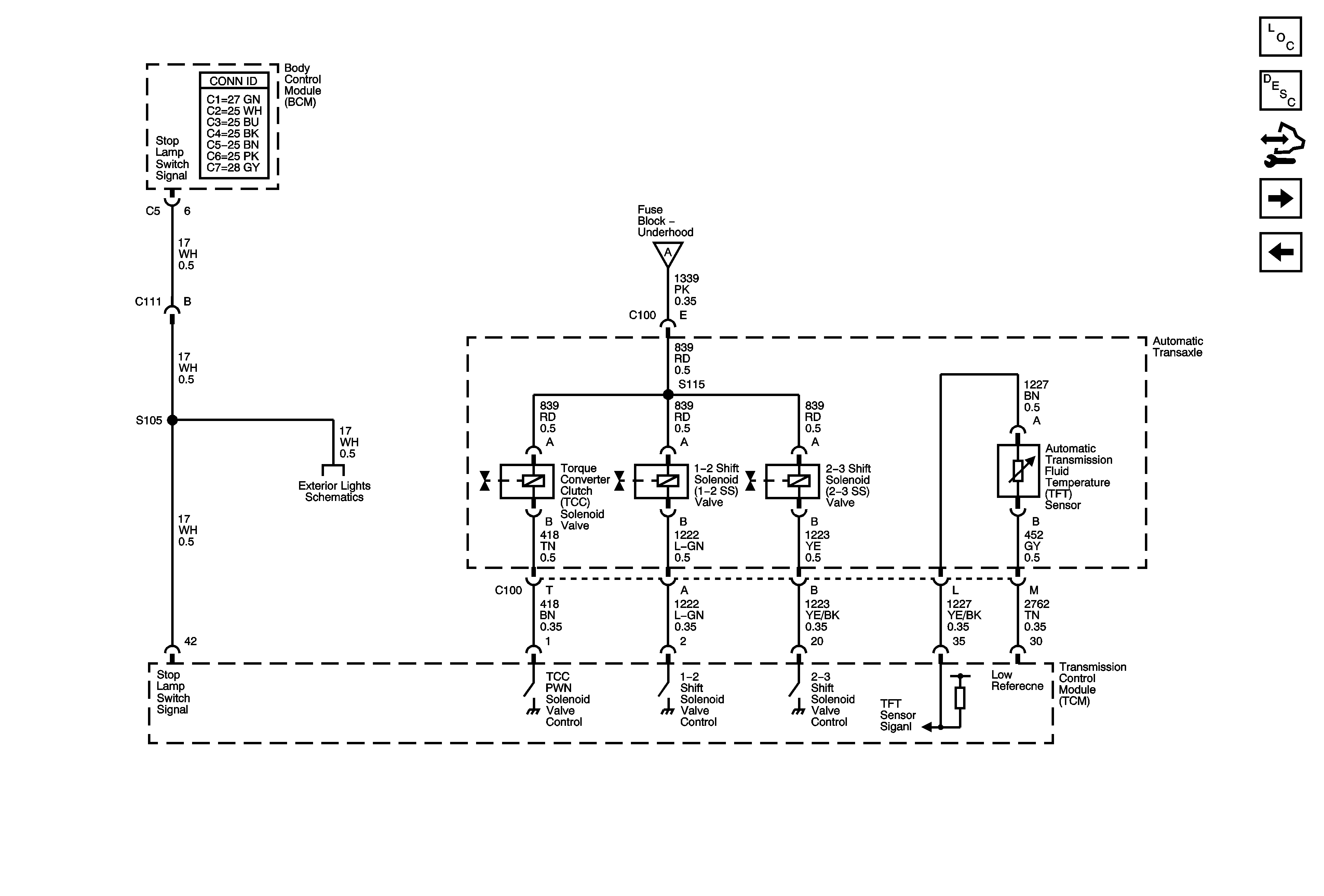
Stop Lamp Switch Signal, TFT Sensor, TCC, and Shift Solenoids
Fuse Block - Underhood Bussing
INT LTS/PNL DIM, LT T/SIG, RT T/SIG, CHMSL/BACKUP, INT LIGHTS, RVC SEN, and ECM/TCM Fuses
Fuse Block - Underhood Bussing
Fuse Block - Underhood Bussing
INT LTS/PNL DIM, LT T/SIG, RT T/SIG, CHMSL/BACKUP, INT LIGHTS, RVC SEN, and ECM/TCM Fuses
Stop Lamp Switch Signal, TFT Sensor, TCC, and Shift Solenoids
Ignition Switch
High Speed GMLAN Serial Data
G101, G102, and G111
Figure 2:

Stop Lamp Switch Signal, TFT Sensor, TCC, and Shift Solenoids


Object Number: 1760946  Size: FS
Master Electrical Component List
Electronic Component Description
Control Module References
VSS, AT ISS Sensors, Pressure Control Solenoid Valve, and TCC Release Switch
Power, Ground, and Serial Data
Power, Ground, and Serial Data
Turn Signal, Hazard, and Stop Lamps Outputs
Figure 3:

VSS, AT ISS Sensors, Pressure Control Solenoid Valve, and TCC Release Switch


Object Number: 1760947  Size: FS
Master Electrical Component List
Electronic Component Description
Control Module References
PRNDL and IMS Switch
Stop Lamp Switch Signal, TFT Sensor, TCC, and Shift Solenoids
Automatic Transmission Schematic Icons
Automatic Transmission Schematic Icons
Figure 4:

PRNDL and IMS Switch


Object Number: 1760950  Size: FS
Master Electrical Component List
Electronic Component Description
Control Module References
VSS, AT ISS Sensors, Pressure Control Solenoid Valve, and TCC Release Switch
Power, Ground, and Low Speed GMLAN Serial Data
High Speed GMLAN Serial Data
G101, G102, and G111