GM Service Manual Online
For 1990-2009 cars only
Makes
🢒
Chevrolet
🢒
2007
🢒
Impala
🢒
Diagnostic Navigation
🢒
Vehicle Diagnostic Information
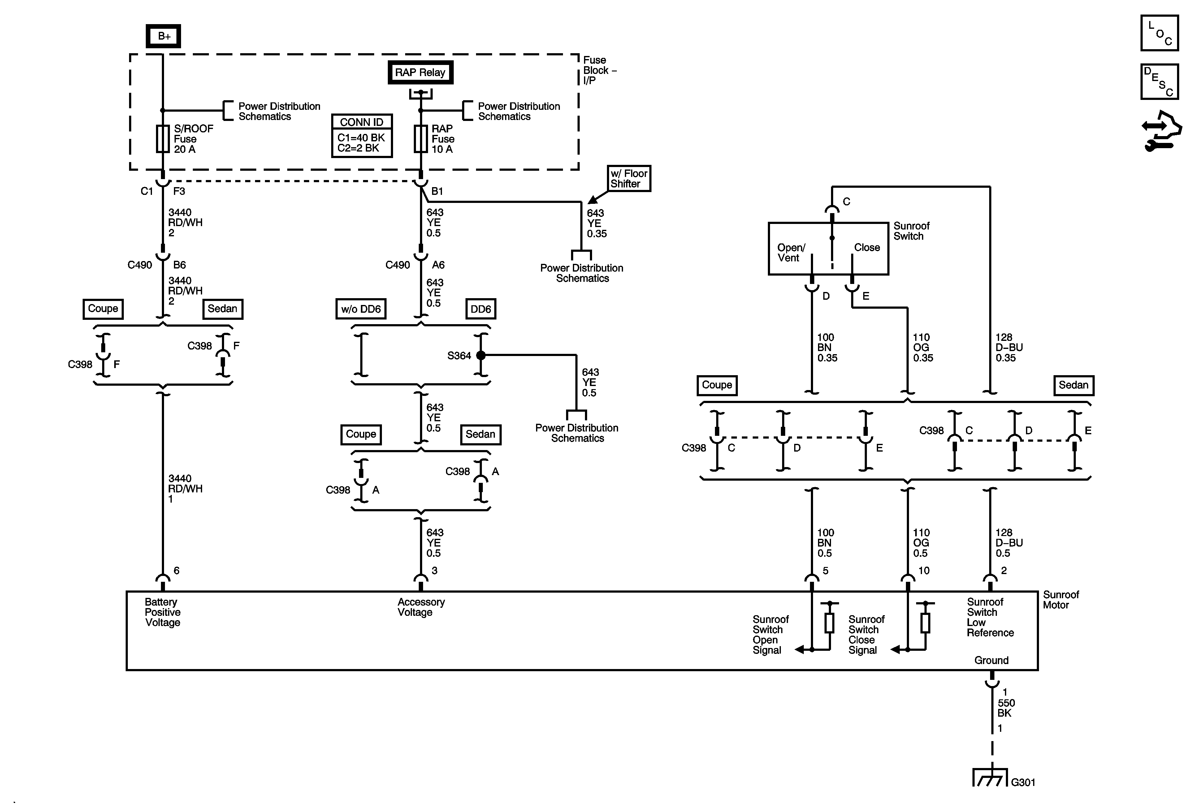
🢒 Sunroof Schematics
Master Electrical Component List
Sunroof Description and Operation
Control Module References
S/ROOF, DR/LCK, RAP Fuses, and RAP Relay, DOOR UNLOCK PCB Relay-Driver, DOOR UNLOCK PCB Relay, and DOOR LOCK PCB Relay
S/ROOF, DR/LCK, RAP Fuses, and RAP Relay, DOOR UNLOCK PCB Relay-Driver, DOOR UNLOCK PCB Relay, and DOOR LOCK PCB Relay
Retained Accessory Power - RAP Fuse Circuits
S/ROOF, DR/LCK, RAP Fuses, and RAP Relay, DOOR UNLOCK PCB Relay-Driver, DOOR UNLOCK PCB Relay, and DOOR LOCK PCB Relay
S/ROOF, DR/LCK, RAP Fuses, and RAP Relay, DOOR UNLOCK PCB Relay-Driver, DOOR UNLOCK PCB Relay, and DOOR LOCK PCB Relay
S/ROOF, DR/LCK, RAP Fuses, and RAP Relay, DOOR UNLOCK PCB Relay-Driver, DOOR UNLOCK PCB Relay, and DOOR LOCK PCB Relay
G301