GM Service Manual Online
For 1990-2009 cars only
Makes
🢒
Chevrolet
🢒
2007
🢒
Impala
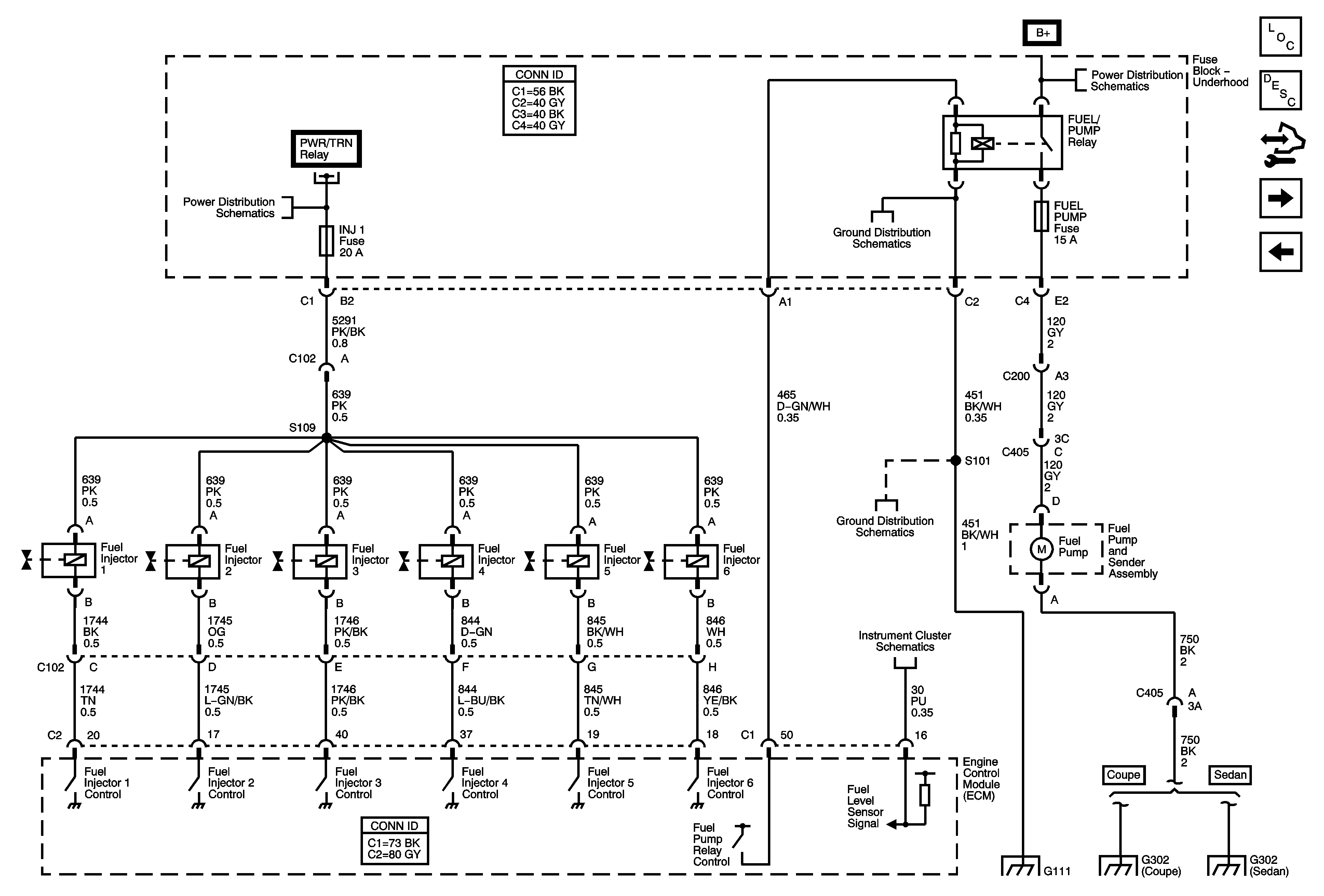
🢒 Fuel Injectors and Fuel Pump Controls
Fuel Injectors and Fuel Pump Controls
Fuel Injectors and Fuel Pump Controls
Master Electrical Component List
Fuel System Description
Control Module References
EVAP Solenoids, IMT Solenoid, and FTP Sensor
Electronic Throttle Controls
Fuse Block - Underhood Bussing
Fuse Block - Underhood Bussing
ECM Power, Ground, MIL, and Serial Data
ETC/ECM, INJ 1, INJ 2 Fuses (LZE, LZ4, LZ8)
G101, G102, and G111
G101, G102, and G111
Power, Ground, and Gages
G101, G102, and G111
G302 (Coupe)
G302 (Sedan)