GM Service Manual Online
For 1990-2009 cars only
Makes
🢒
Chevrolet
🢒
2007
🢒
Impala
🢒 Switches (Sedan)
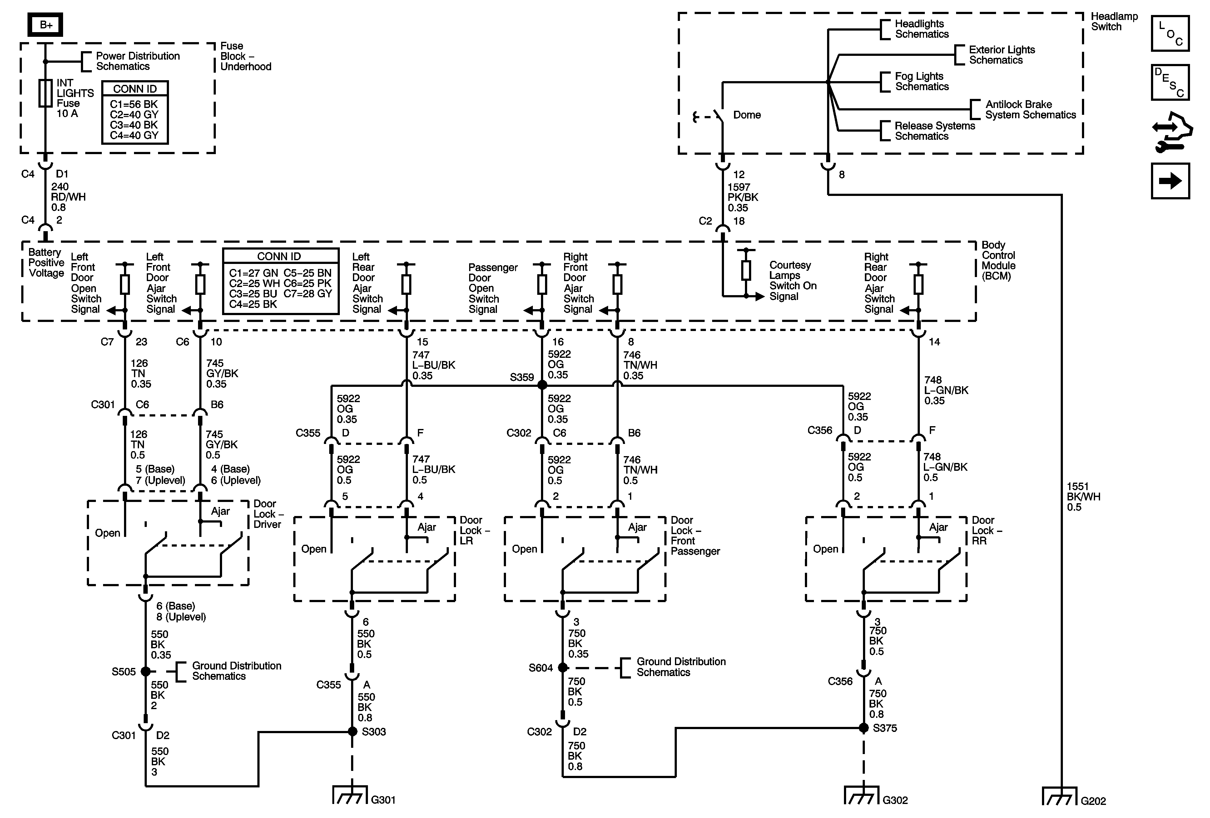
Switches (Sedan)
Switches (Sedan)
Master Electrical Component List
Interior Lighting Systems Description and Operation
Control Module References
Switches (Coupe)
Fuse Block - Underhood Bussing
INT LTS/PNL DIM, LT T/SIG, RT T/SIG, CHMSL/BACKUP, INT LIGHTS, RVC SEN, and ECM/TCM Fuses
Switches
Park Lamps (1 of 2)
Fog Lights Schematics
Indicators, ABS, and Traction Control
Release Systems Schematics
G301
G302 (Sedan)
G301
G302 (Sedan)
G202 and G204