GM Service Manual Online
For 1990-2009 cars only
Makes
🢒
Chevrolet
🢒
2007
🢒
Impala
🢒 Sedan
Sedan
Sedan
Master Electrical Component List
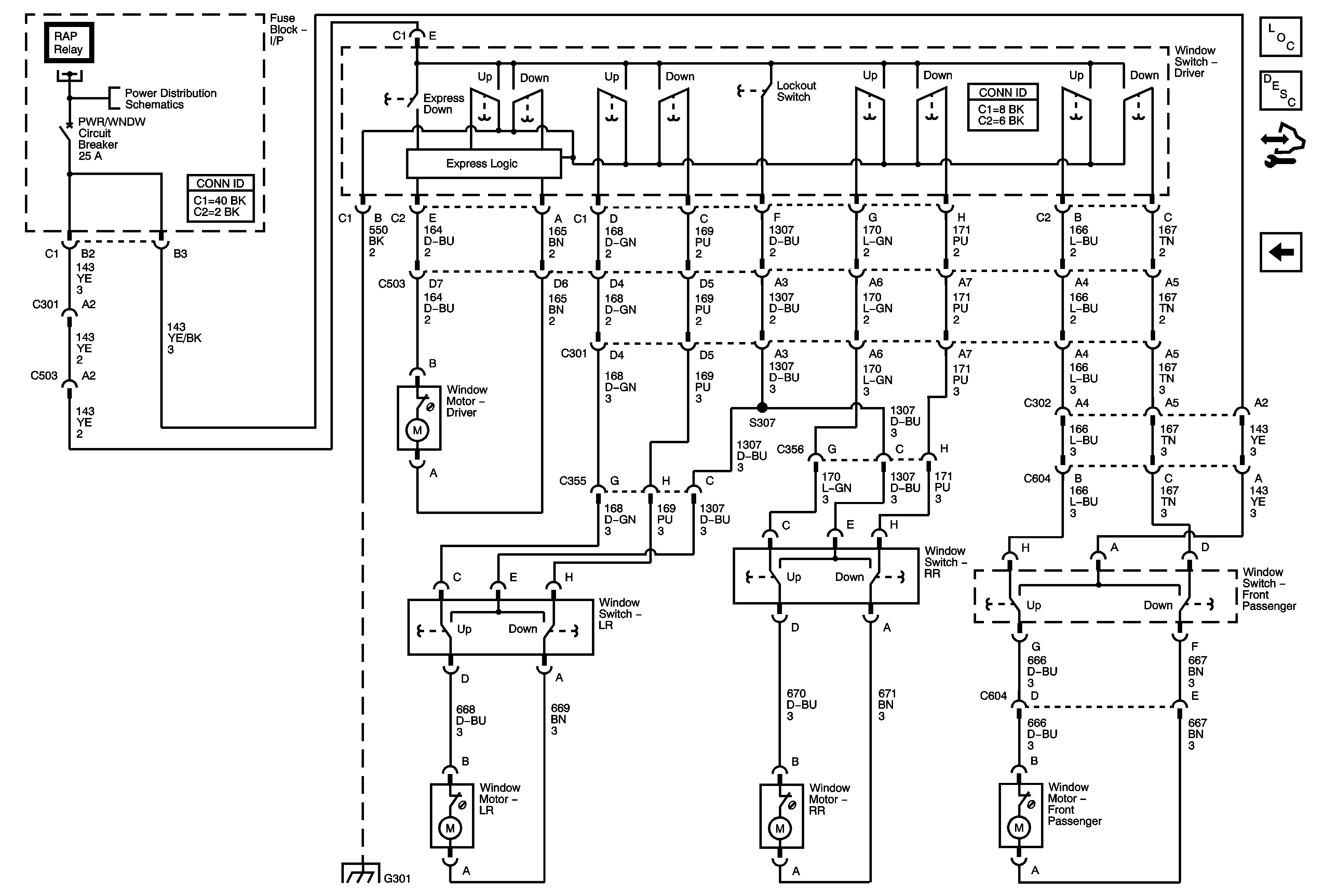
Power Windows Description and Operation
Control Module References
Coupe
Retained Accessory Power - RAP Fuse Circuits
BATT 4, ABS MTR1, ABS MTR2, AUX PWR, RADIO Fuses, and PWR/WNDW Circuit Breaker
G301