GM Service Manual Online
For 1990-2009 cars only
Makes
🢒
Chevrolet
🢒
2007
🢒
Impala
🢒 Coupe
Coupe
Coupe
Master Electrical Component List
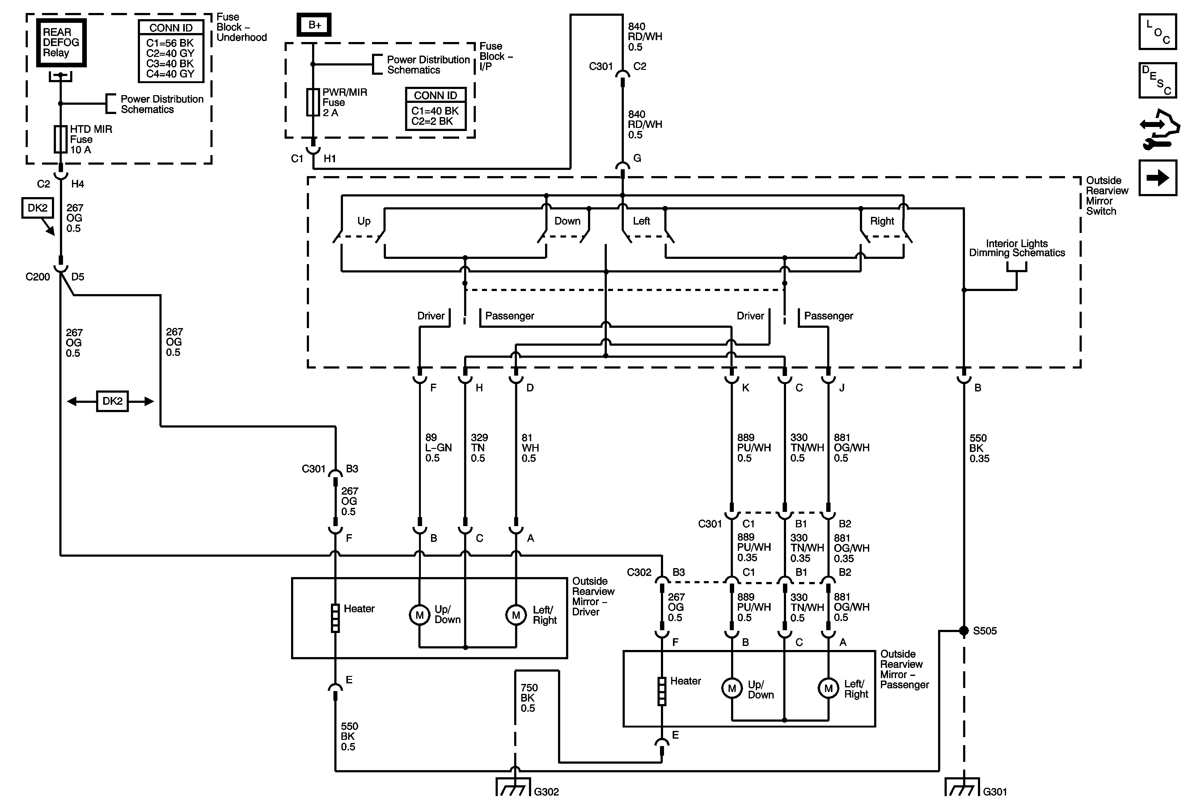
Outside Mirror Description and Operation
Control Module References
Sedan
Defogger Schematics
Fuse Block - Underhood Bussing
BATT 2, HTD/SEAT, AIRBAG, PWR/MIR Fuses, and PWR/SEAT Circuit Breaker
BATT 2, HTD/SEAT, AIRBAG, PWR/MIR Fuses, and PWR/SEAT Circuit Breaker
Coupe
G302 (Coupe)
G301