GM Service Manual Online
For 1990-2009 cars only
Makes
🢒
Chevrolet
🢒
2007
🢒
Impala
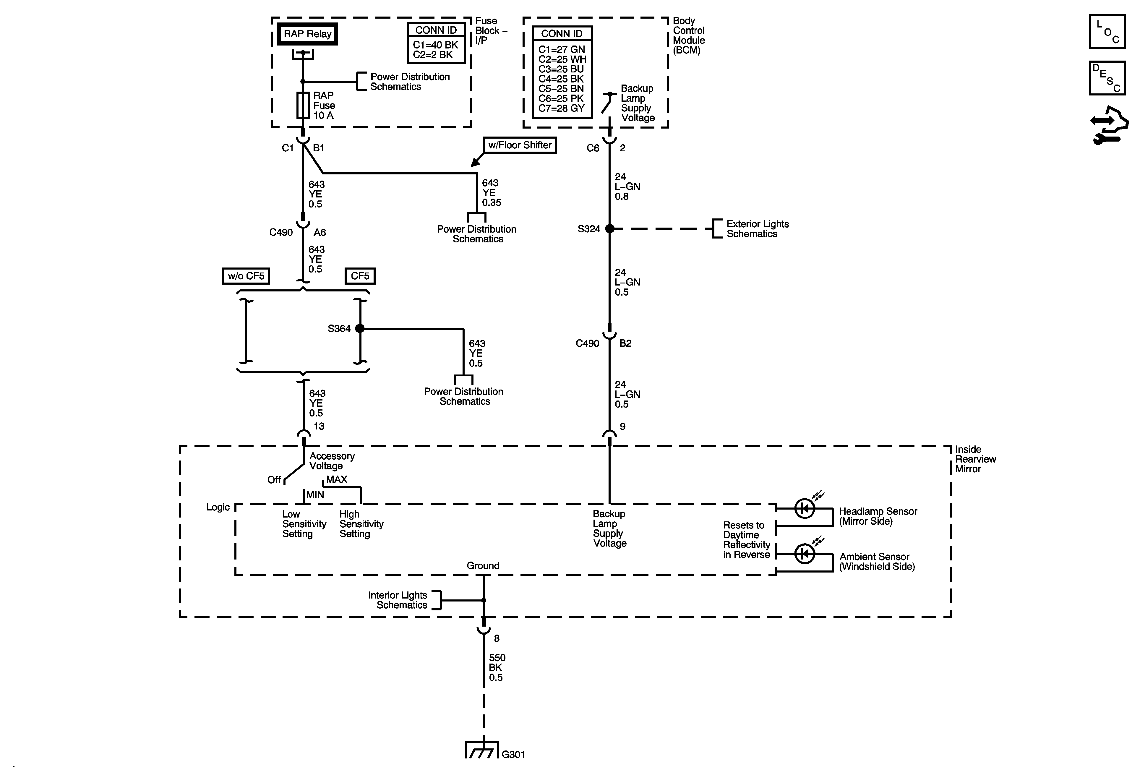
🢒 Inside Rearview Mirror Schematics
Inside Rearview Mirror Schematics
Master Electrical Component List
Automatic Day-Night Mirror Description and Operation
Control Module References
Retained Accessory Power - RAP Fuse Circuits
S/ROOF, DR/LCK, RAP Fuses, and RAP Relay, DOOR UNLOCK PCB Relay-Driver, DOOR UNLOCK PCB Relay, and DOOR LOCK PCB Relay
S/ROOF, DR/LCK, RAP Fuses, and RAP Relay, DOOR UNLOCK PCB Relay-Driver, DOOR UNLOCK PCB Relay, and DOOR LOCK PCB Relay
S/ROOF, DR/LCK, RAP Fuses, and RAP Relay, DOOR UNLOCK PCB Relay-Driver, DOOR UNLOCK PCB Relay, and DOOR LOCK PCB Relay
Backup and License Lamps
Passenger Compartment Lights
G301