GM Service Manual Online
For 1990-2009 cars only
Makes
🢒
Chevrolet
🢒
2008
🢒
Impala
🢒 Headlamps
Headlamps
Headlamps
Master Electrical Component List
Exterior Lighting Systems Description and Operation
Control Module References
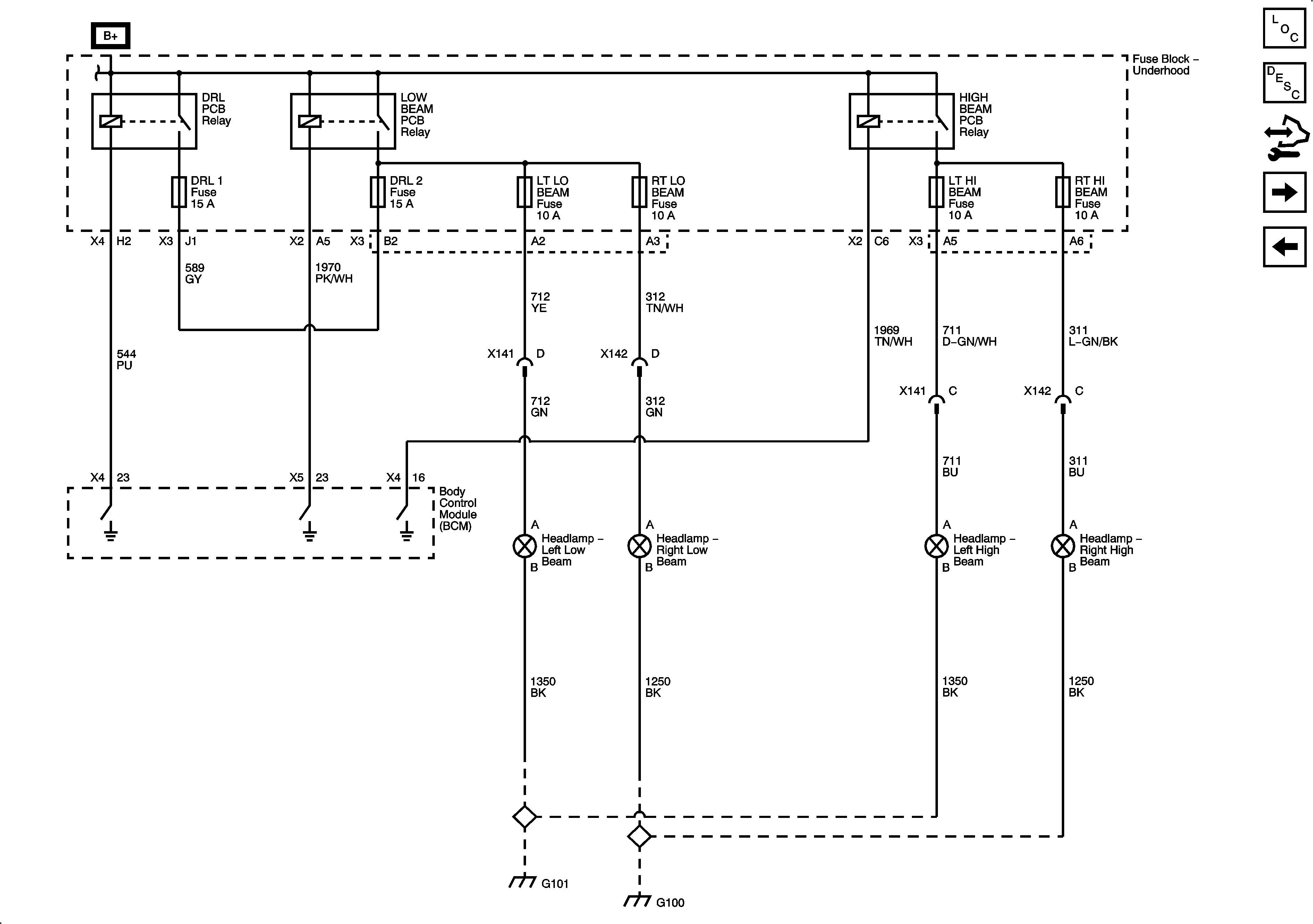
Headlamps (9C1/9C3)
Switches
Fuse Block - Underhood Bussing
DRL 1, DRL 2, LT LO BEAM, RT LO BEAM, LT HI BEAM, RT HI BEAM, and STRG WHL Fuses
G101, G102, and G111
G100