GM Service Manual Online
For 1990-2009 cars only
Makes
🢒
Chevrolet
🢒
2008
🢒
Impala
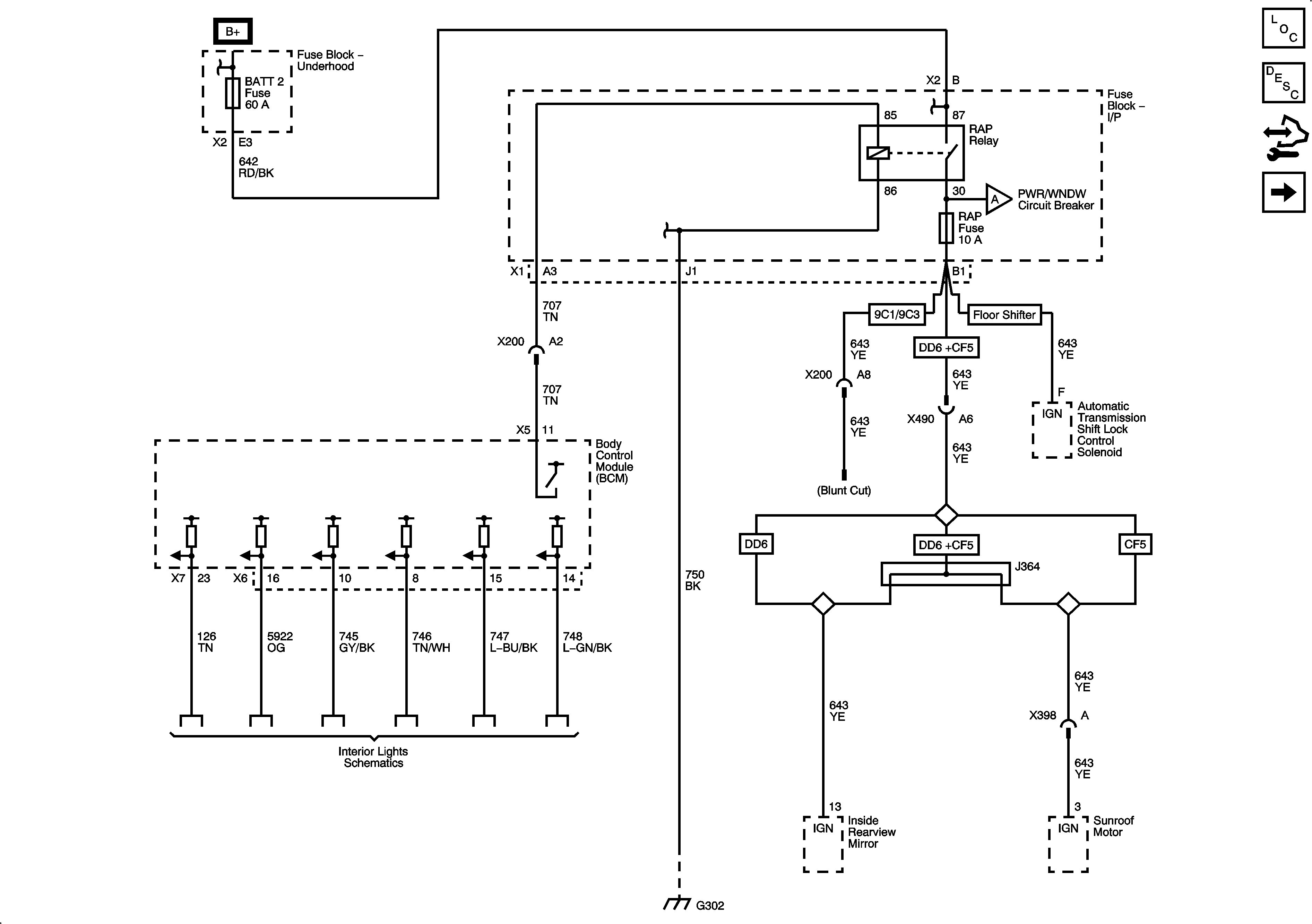
🢒 RAP Fuse Circuits
RAP Fuse Circuits
Retained Accessory Power - RAP Fuse Circuits
Master Electrical Component List
Power Mode Description and Operation
Control Module References
Power Window Circuits
Fuse Block - Underhood Bussing
BATT 2, HTD/SEAT, AIRBAG, PWR/MIR Fuses, and PWR/SEAT Circuit Breaker
S/ROOF, DR/LCK, RAP Fuses, and RAP Relay, DOOR UNLOCk PCB Relay - Driver, DOOR UNLOCK PCB Relay, and DOOR LOCK PCB Relay
Power Window Circuits
Switches
G302 (1 of 2)
G302