GM Service Manual Online
For 1990-2009 cars only
Makes
🢒
Chevrolet
🢒
2000
🢒
Lumina
🢒
Body and Accessories
🢒
Lighting Systems
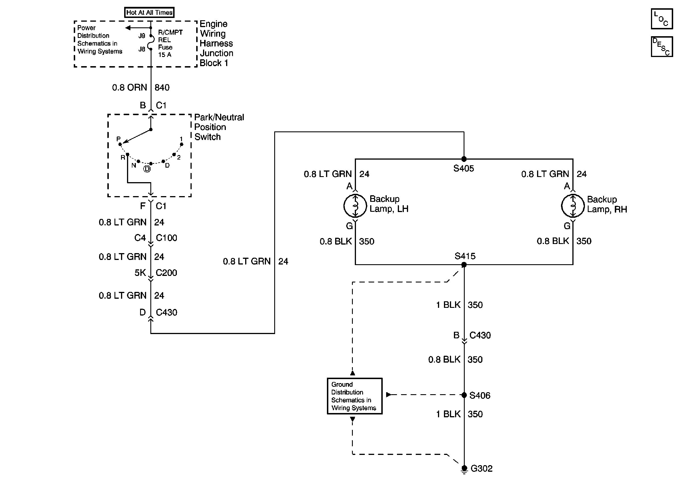
🢒 Backup Lamp Schematics
PCM BAT and R/CMPT REL Fuses
Lighting Systems Components
Backup Lamp Circuit Description
G302 (1 of 2)