GM Service Manual Online
For 1990-2009 cars only
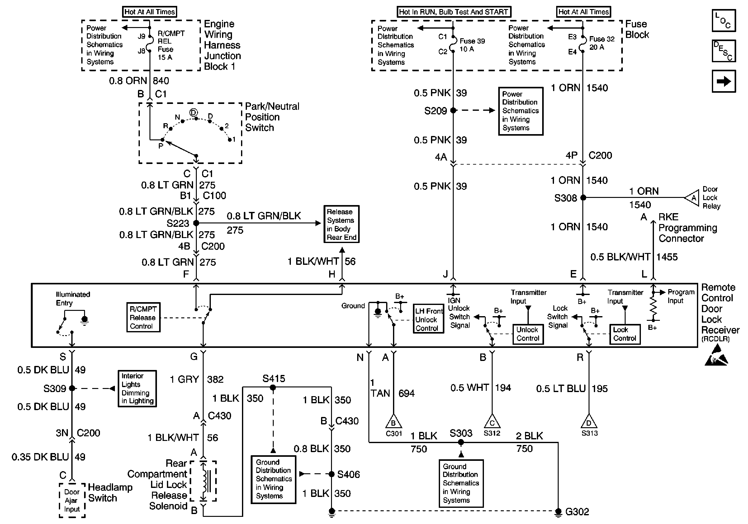
Figure 1:

Power, Ground Rear Compartment Lid Lock Release Solenoid and Headlamp switch input


Object Number: 594201  Size: FS
Maxifuses 1, 2, 3 and 4, Fuses 1, 5, 10, 14, 19, 23, 28, 32, 37 and41, PCM BAT and R/CMPT Fuses, Circuit Breaker D, and FAN CONT #1 Relay
Fuses 12, 21, 30, 33, 39, 42, ELEK IGN, PCM IGN, F/INJN, TRANS, A/C CONT, AIR PUMP Fuses, IGN SYST Relay
Maxifuses 1, 2, 3 and 4, Fuses 1, 5, 10, 14, 19, 23, 28, 32, 37 and41, PCM BAT and R/CMPT Fuses, Circuit Breaker D, and FAN CONT #1 Relay
Fuses 12, 21, 30 and 39
Rear Compartment Lid Release Switch Schematic
Fuse Distribution, Dome Lamp, Rear Compartment Lamp, IP Comparment Lamp and Inside Rearview Mirror
G302 (2 of 2)
G302 (1 of 2)
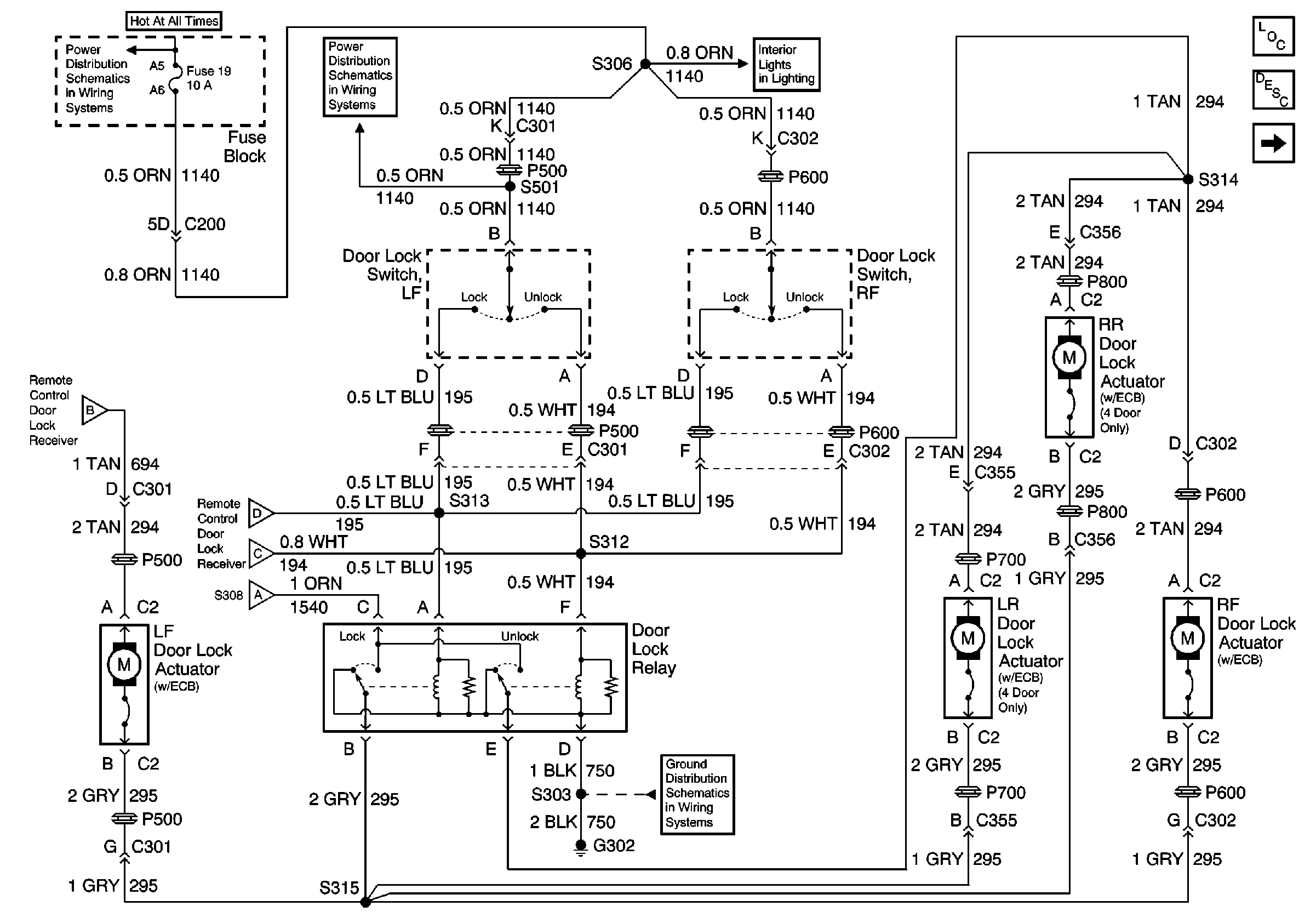
Door Lock Switches, Door Lock Relay and Door Lock Actuators
Door Lock Switches, Door Lock Relay and Door Lock Actuators
Door Lock Switches, Door Lock Relay and Door Lock Actuators
Door Lock Switches, Door Lock Relay and Door Lock Actuators
Keyless Entry Components
Keyless Entry System Circuit Description
Door Lock Switches, Door Lock Relay and Door Lock Actuators
Handling ESD Sensitive Parts Notice
Figure 2:

Door Lock Switches, Door Lock Relay and Door Lock Actuators


Object Number: 594204  Size: FS
Maxifuses 1, 2, 3 and 4, Fuses 1, 5, 10, 14, 19, 23, 28, 32, 37 and41, PCM BAT and R/CMPT Fuses, Circuit Breaker D, and FAN CONT #1 Relay
Fuses 10 and 19
Power, Ground Rear Compartment Lid Lock Release Solenoid and Headlampswitch input
Power, Ground Rear Compartment Lid Lock Release Solenoid and Headlampswitch input
Power, Ground Rear Compartment Lid Lock Release Solenoid and Headlampswitch input
Power, Ground Rear Compartment Lid Lock Release Solenoid and Headlampswitch input
Fuse Distribution, Dome Lamp, Rear Compartment Lamp, IP Comparment Lamp and Inside Rearview Mirror
Keyless Entry Components
Keyless Entry System Circuit Description
Power, Ground Rear Compartment Lid Lock Release Solenoid and Headlampswitch input