GM Service Manual Online
For 1990-2009 cars only
Makes
🢒
Chevrolet
🢒
2000
🢒
Lumina
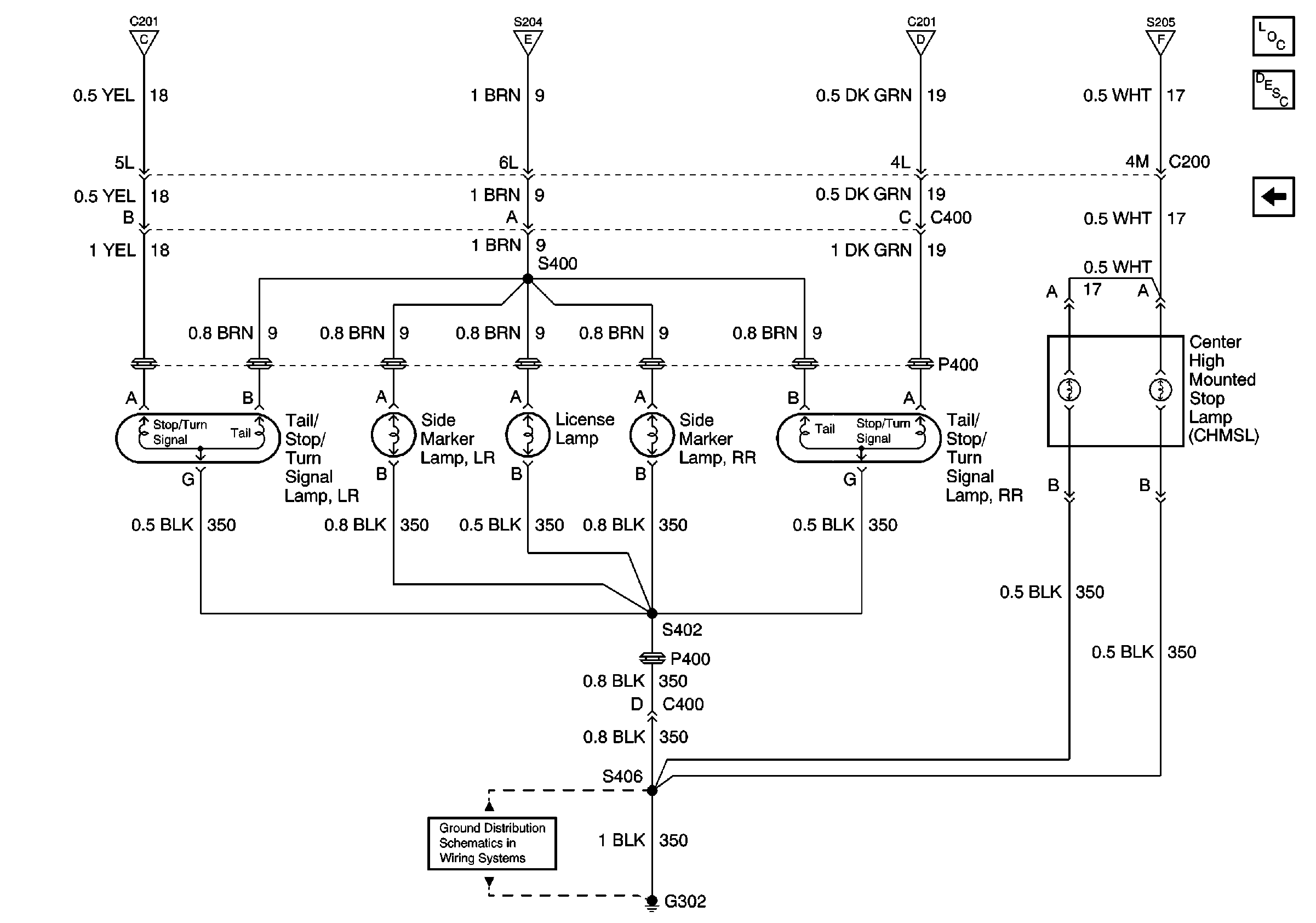
🢒 CHMSL, License, Tail/Stop/Turn Signal and Side Marker Lamps
CHMSL, License, Tail/Stop/Turn Signal and Side Marker Lamps
CHMSL, License, Tail/Stop/Turn Signal and Side Marker Lamps
Lighting Systems Components
Exterior Lights Circuit Description
Fuse Distribution, Headlamp Switch, Instrument Cluster, Park/Turn Signal and Side Marker Lamps
Fuse Distribution, Flasher and Turn Signal Switch
Fuse Distribution, Headlamp Switch, Instrument Cluster, Park/Turn Signal and Side Marker Lamps
Fuse Distribution, Flasher and Turn Signal Switch
Fuse Distribution, Flasher and Turn Signal Switch
G302 (1 of 2)