GM Service Manual Online
For 1990-2009 cars only
Makes
🢒
Chevrolet
🢒
2000
🢒
Lumina
🢒 Fuel Controls
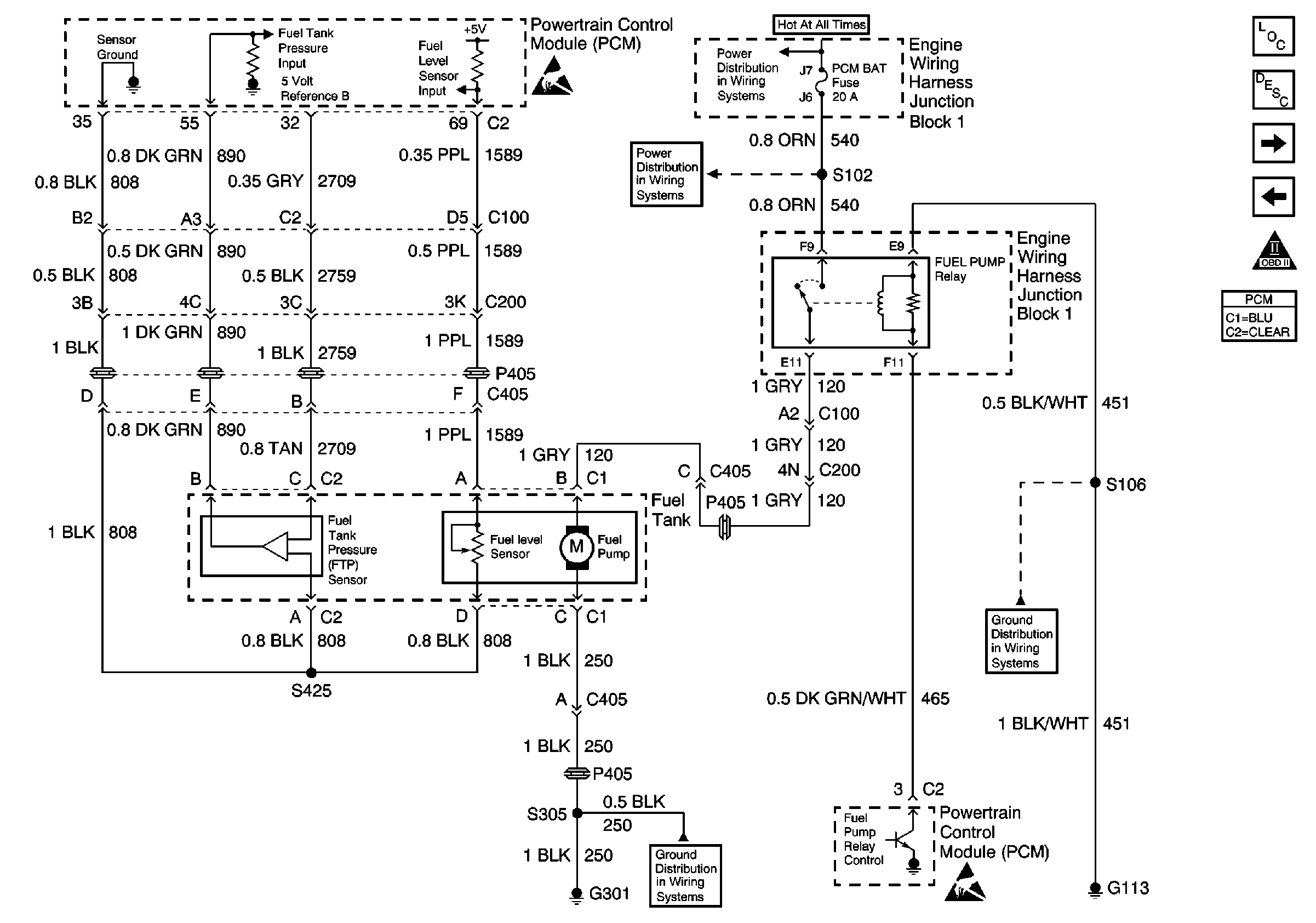
Fuel Controls
Fuel Controls
Handling ESD Sensitive Parts Notice
PCM BAT and R/CMPT REL Fuses
PCM BAT and R/CMPT REL Fuses
G205 (2 of 2), G251, and G301
G113
Handling ESD Sensitive Parts Notice
Engine Controls Components
Powertrain Control Module Description
Fuel Injectors
CKP, CMP, ICM and Knock Sensor
OBD II Symbol Description Notice