GM Service Manual Online
For 1990-2009 cars only
Makes
🢒
Chevrolet
🢒
2000
🢒
Malibu
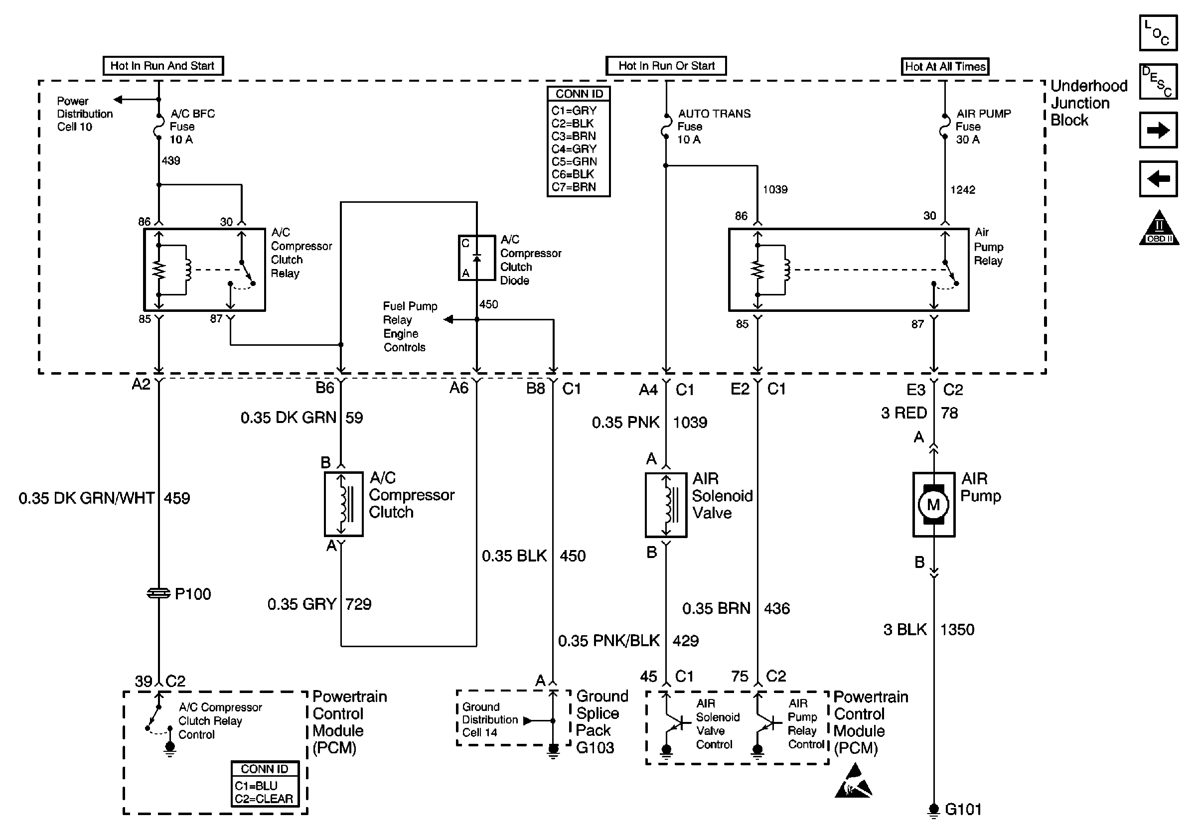
🢒 Power, Ground, AIR and A/C Compressor Clutch
Power, Ground, AIR and A/C Compressor Clutch
Power, Ground, AIR and A/C Compressor Clutch
Engine Controls Components
Powertrain Control Module Description
Automatic Transmission
Engine Data Sensors
OBD II Symbol Description Notice
Handling ESD Sensitive Parts Notice
Power Distribution Schematics
Ground Distribution Schematics