GM Service Manual Online
For 1990-2009 cars only
Figure 1:

B+ Buss Bar


Object Number: 660513  Size: FS
Master Electrical Component List
IGN BATT 1, IGN SW BATT 2, AIR BAG, TURN LPS, RDO ACC, WIPER, PCM ACC, and IPC/BFC ACC Fuses
Figure 2:

IGN BATT 1, IGN SW BATT 2, AIR BAG, TURN LPS, RDO ACC, WIPER, PCM ACC, and IPC/BFC ACC Fuses


Object Number: 660522  Size: FS
Master Electrical Component List
IGN BATT 1, IGN SW BATT 2, AIR BAG, TURN LPS, RDO ACC, WIPER, PCM ACC, and IPC/BFC ACC Fuses
B+ Buss Bar
SIR Handling Caution
IGN MOD, B/U LMP, PCM IGN, F/P INJR, A/C BFC, AUTO TRANS and ABS IGN Fuses
PWR WINDOWS, CRUISE SW, CRUISE, SUNROOF and HVAC BLOWER Fuses
HTR, A /C IGN, and ERLS Fuses
Starting System
Figure 3:

IGN BATT 1, IGN SW BATT 2, AIR BAG, TURN LPS, RDO ACC, WIPER, PCM ACC, and IPC/BFC ACC Fuses


Object Number: 660538  Size: FS
Master Electrical Component List
Underhood Junction Block BATT 1, POWER SEAT Circuit Breaker, PWR MIRROR, DR LOCK, TRUNK RELEASE/RFA Fuses, DOOR LOCK Relays (with RFA), REAR COMPARTMENT LID RELEASE Relay
IGN BATT 1, IGN SW BATT 2, AIR BAG, TURN LPS, RDO ACC, WIPER, PCM ACC, and IPC/BFC ACC Fuses
B+ Buss Bar
Figure 4:

Underhood Junction Block BATT 1, POWER SEAT Circuit Breaker, PWR MIRROR, DR LOCK, TRUNK RELEASE/RFA Fuses, DOOR LOCK Relays (with RFA), REAR COMPARTMENT LID RELEASE Relay


Object Number: 660544  Size: FS
Master Electrical Component List
AUX POWER/CIGAR, PARK LPS, PCM BATT Fuses, PARK LAMP Relay
IGN BATT 1, IGN SW BATT 2, AIR BAG, TURN LPS, RDO ACC, WIPER, PCM ACC, and IPC/BFC ACC Fuses
B+ Buss Bar
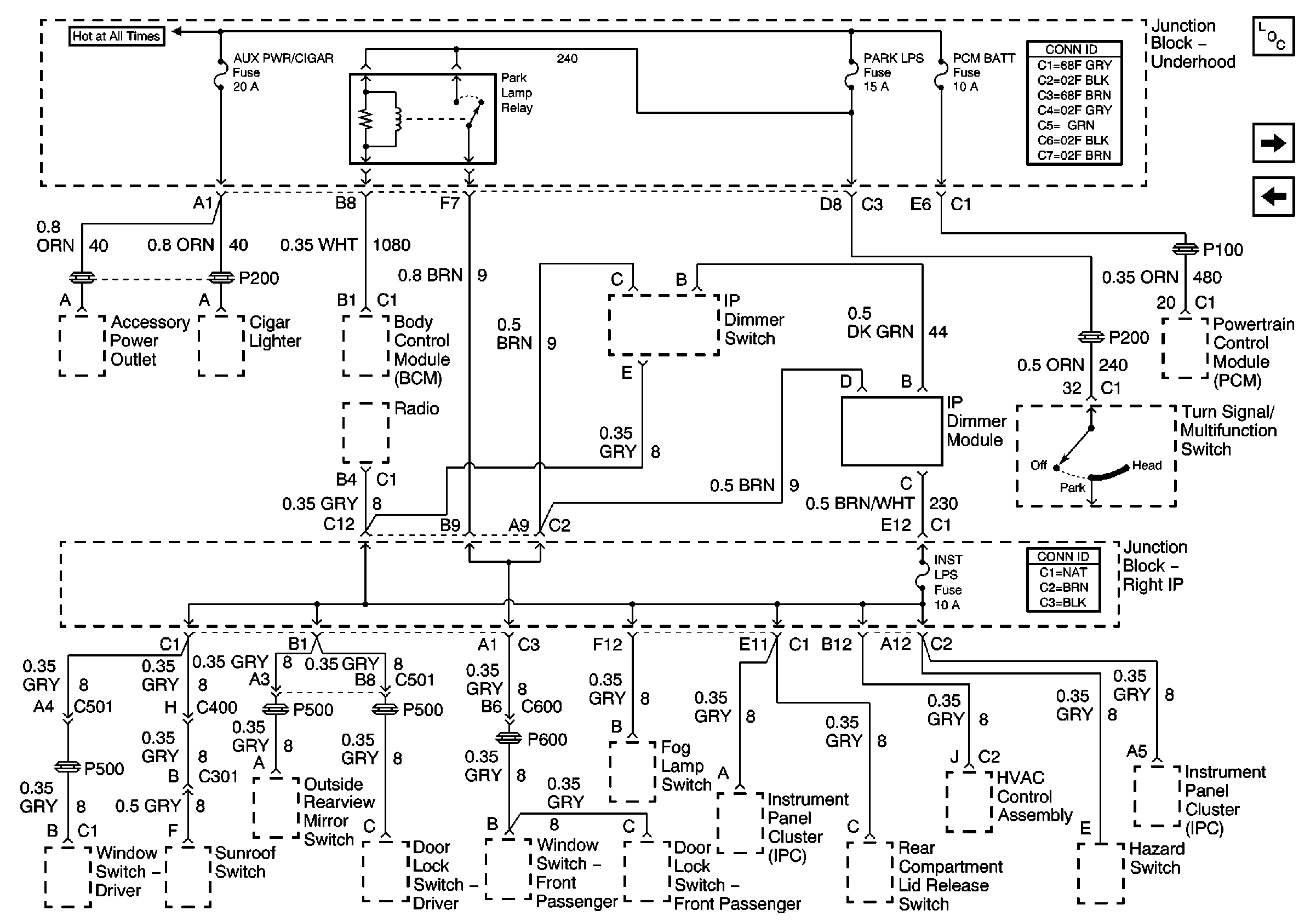
Figure 5:

AUX POWER/CIGAR, PARK LPS, PCM BATT Fuses, PARK LAMP Relay


Object Number: 660547  Size: FS
Master Electrical Component List
RH HDLP, LH HDLP, GEN BATT Fuses, ALC HEADLAMP Relay
Underhood Junction Block BATT 1, POWER SEAT Circuit Breaker, PWR MIRROR, DR LOCK, TRUNK RELEASE/RFA Fuses, DOOR LOCK Relays (with RFA), REAR COMPARTMENT LID RELEASE Relay
B+ Buss Bar
Figure 6:

RH HDLP, LH HDLP, GEN BATT Fuses, ALC HEADLAMP Relay


Object Number: 660557  Size: FS
Master Electrical Component List
LH IP Junction Block BATT 2, STOP LPS, IPC/HVAC BATT, BFC BATT Fuses
AUX POWER/CIGAR, PARK LPS, PCM BATT Fuses, PARK LAMP Relay
B+ Buss Bar
Figure 7:

LH IP Junction Block BATT 2, STOP LPS, IPC/HVAC BATT, BFC BATT Fuses


Object Number: 660561  Size: FS
Master Electrical Component List
B+ Buss Bar
RR DEFOG, HORN, HI BLO MOT, RH BEC BATT, AIR, COOL FAN 1, ABS, INTLPS, RDO BATT, FOG LPS Fuses, REAR DEFOGGER, HORN, FAN CONTROL 1 MODE CONTROL, FAN CONTROL 2 BLOWER MOTOR, AIR PUMP, FOG LAMPS Relays
RH HDLP, LH HDLP, GEN BATT Fuses, ALC HEADLAMP Relay
Figure 8:

RR DEFOG, HORN, HI BLO MOT, RH BEC BATT, AIR, COOL FAN 1, ABS, INT LPS, RDO BATT, FOG LPS Fuses, REAR DEFOGGER, HORN, FAN CONTROL 1 MODE CONTROL, FAN CONTROL 2 BLOWER MOTOR, AIR PUMP, FOG LAMPS Relays


Object Number: 660564  Size: FS
Master Electrical Component List
IGN MOD, B/U LMP, PCM IGN, F/P INJR, A/C BFC, AUTO TRANS and ABS IGN Fuses
LH IP Junction Block BATT 2, STOP LPS, IPC/HVAC BATT, BFC BATT Fuses
B+ Buss Bar
Figure 9:

IGN MOD, B/U LMP, PCM IGN, F/P INJR, A/C BFC, AUTO TRANS and ABS IGN Fuses


Object Number: 660569  Size: FS
Master Electrical Component List
PWR WINDOWS, CRUISE SW, CRUISE, SUNROOF and HVAC BLOWER Fuses
RR DEFOG, HORN, HI BLO MOT, RH BEC BATT, AIR, COOL FAN 1, ABS, INTLPS, RDO BATT, FOG LPS Fuses, REAR DEFOGGER, HORN, FAN CONTROL 1 MODE CONTROL, FAN CONTROL 2 BLOWER MOTOR, AIR PUMP, FOG LAMPS Relays
IGN BATT 1, IGN SW BATT 2, AIR BAG, TURN LPS, RDO ACC, WIPER, PCM ACC, and IPC/BFC ACC Fuses
Figure 10:

PWR WINDOWS, CRUISE SW, CRUISE, SUNROOF and HVAC BLOWER Fuses


Object Number: 660575  Size: FS
Master Electrical Component List
HTR, A /C IGN, and ERLS Fuses
IGN MOD, B/U LMP, PCM IGN, F/P INJR, A/C BFC, AUTO TRANS and ABS IGN Fuses
IGN BATT 1, IGN SW BATT 2, AIR BAG, TURN LPS, RDO ACC, WIPER, PCM ACC, and IPC/BFC ACC Fuses
SIR Handling Caution
Figure 11:

HTR, A /C IGN, and ERLS Fuses


Object Number: 660578  Size: FS
Master Electrical Component List
PWR WINDOWS, CRUISE SW, CRUISE, SUNROOF and HVAC BLOWER Fuses
IGN BATT 1, IGN SW BATT 2, AIR BAG, TURN LPS, RDO ACC, WIPER, PCM ACC, and IPC/BFC ACC Fuses