GM Service Manual Online
For 1990-2009 cars only
Makes
🢒
Chevrolet
🢒
2005
🢒
Malibu
🢒
Body
🢒
Instrument Panel, Gages, and Console
🢒 Instrument Cluster Schematics
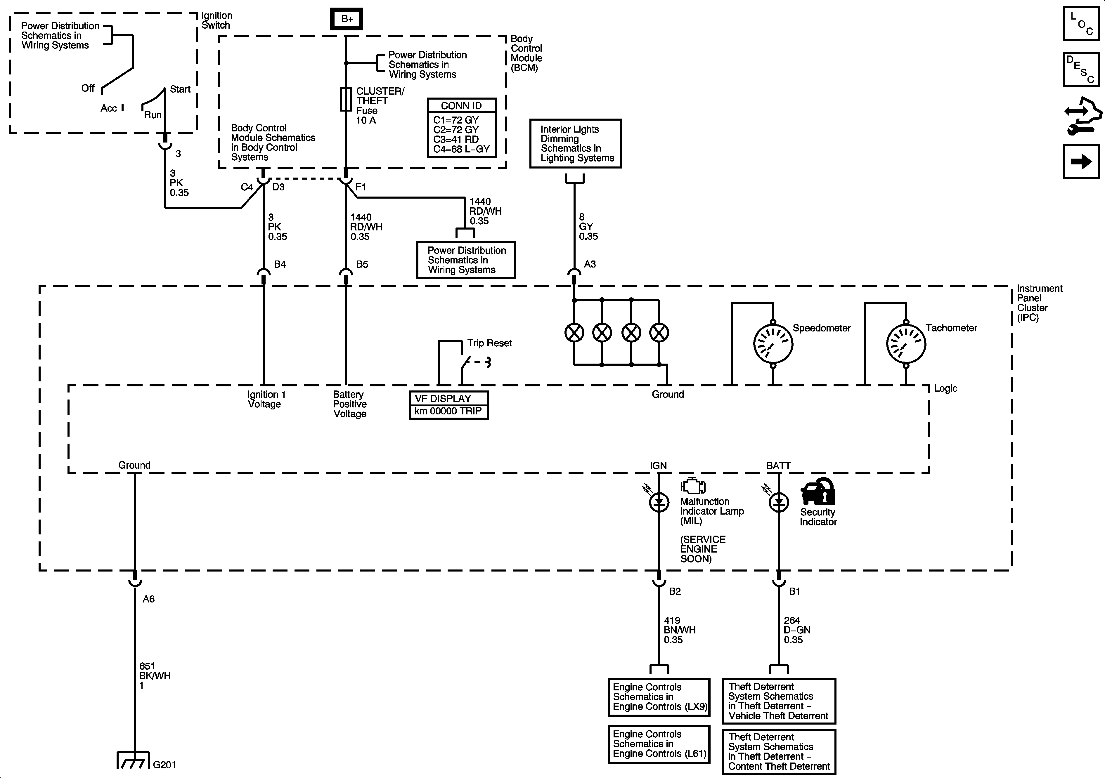
Figure
1:
Power, Ground, and Illumination
Master Electrical Component List
Instrument Cluster Description and Operation
Control Module References
Indicators
Underhood Junction Block - IBCM Batt1, BCM - Radio/RFA, Ignigion Sensor, HVAC BATT, Cluster/Theft, Air Bag Batt Fuses
Underhood Junction Block - IBCM Batt1, BCM - Radio/RFA, Ignigion Sensor, HVAC BATT, Cluster/Theft, Air Bag Batt Fuses
Displays
Underhood Junction Block - IBCM Batt1, BCM - Radio/RFA, Ignigion Sensor, HVAC BATT, Cluster/Theft, Air Bag Batt Fuses
Power, Serial Data, and MIL
Power, Serial Data, and MIL
Vehicle Theft Deterrent (VTD) System
Content Theft Deterrent (CTD) System
G201
Figure
2:
Indicators
Master Electrical Component List
Instrument Cluster Description and Operation
Control Module References
Power, Ground, and Illumination
Low Speed Serial Data
Power, Ground, Class 2 and High Speed Serial Data