GM Service Manual Online
For 1990-2009 cars only
Makes
🢒
Chevrolet
🢒
2007
🢒
Malibu
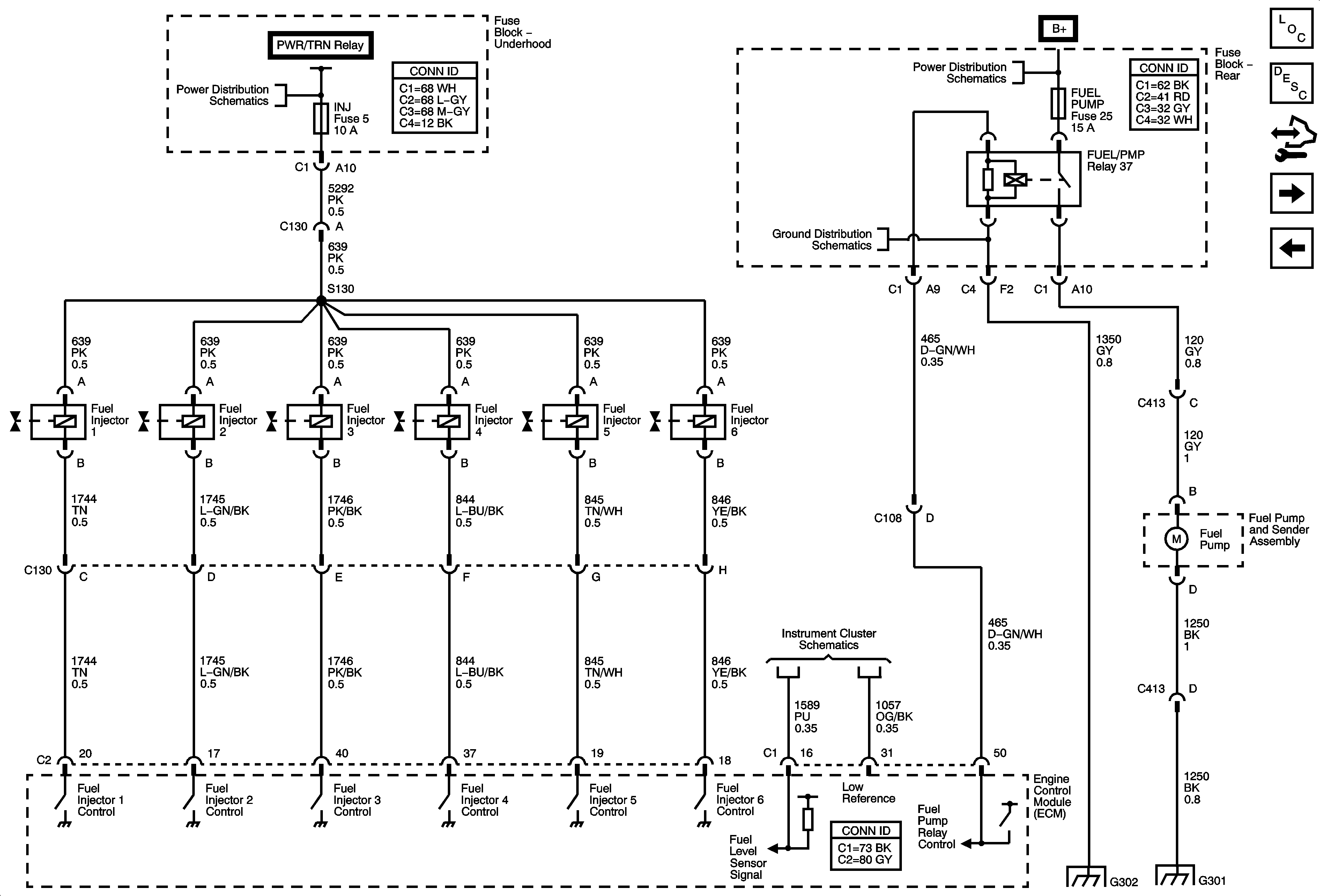
🢒 Fuel Injectors and Fuel Pump
Fuel Injectors and Fuel Pump
Fuel Injectors and Fuel Pump
Master Electrical Component List
Fuel System Description
Control Module References
EVAP Controls, FTP Sensor and IMT Valve Solenoid
Ignition System
Underhood Fuse Block A/C CLUTCH and PWR/TRN Relays, A/C CLU, EMISSION 1, ETC and INJ Fuses
Underhood Fuse Block RBEC 2, RUN RLY, Body Control Module (BCM), HVAC BLOWER HIGH Relay, RUN Relay, HVAC BLOWER, HVAC CTRL (IGN) Rear Fuse Block FUEL/PMP Relay, PARK LP Relay, TRUNK Relay, DRV ST
Underhood Fuse Block RBEC 2, RUN RLY, Body Control Module (BCM), HVAC BLOWER HIGH Relay, RUN Relay, HVAC BLOWER, HVAC CTRL (IGN) Rear Fuse Block FUEL/PMP Relay, PARK LP Relay, TRUNK Relay, DRV ST
Indicators
G302
G301