GM Service Manual Online
For 1990-2009 cars only
Makes
🢒
Chevrolet
🢒
2007
🢒
Malibu
🢒 EVAP Controls, FTP Sensor and IMT Valve Solenoid
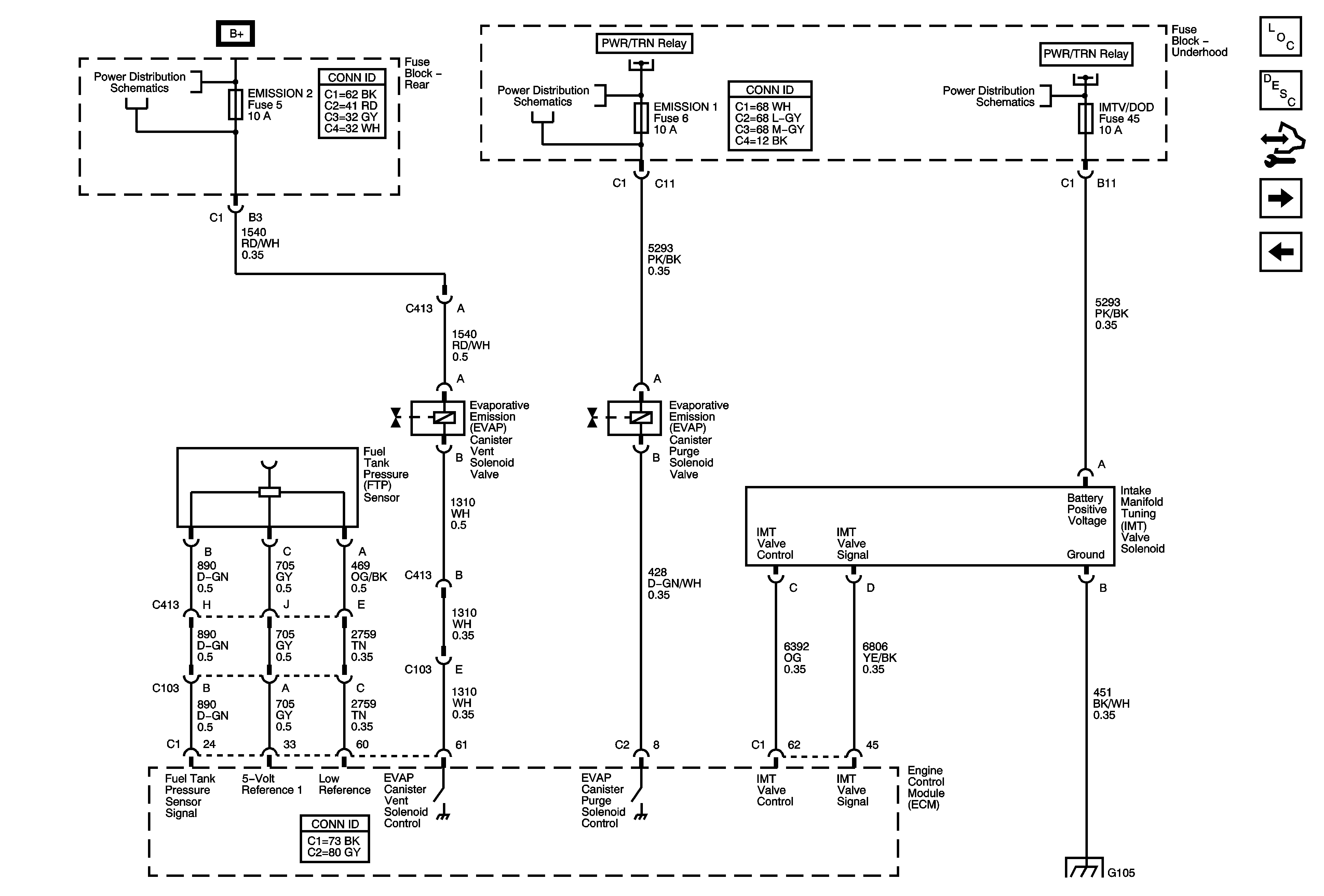
EVAP Controls, FTP Sensor and IMT Valve Solenoid
EVAP Controls, FTP Sensor and IMT Valve Solenoid
Master Electrical Component List
Evaporative Emission Control System Description
Control Module References
Controlled/Monitored Subsystem References
Fuel Injectors and Fuel Pump
Underhood Fuse Block A/C CLUTCH and PWR/TRN Relays, A/C CLU, EMISSION 1, ETC and INJ Fuses
Underhood Fuse Block RBEC 2, RUN RLY, Body Control Module (BCM), HVAC BLOWER HIGH Relay, RUN Relay, HVAC BLOWER, HVAC CTRL (IGN) Rear Fuse Block FUEL/PMP Relay, PARK LP Relay, TRUNK Relay, DRV ST
Underhood Fuse Block A/C CLUTCH and PWR/TRN Relays, A/C CLU, EMISSION 1, ETC and INJ Fuses
G103, G104 and G105