GM Service Manual Online
For 1990-2009 cars only
Figure 1:

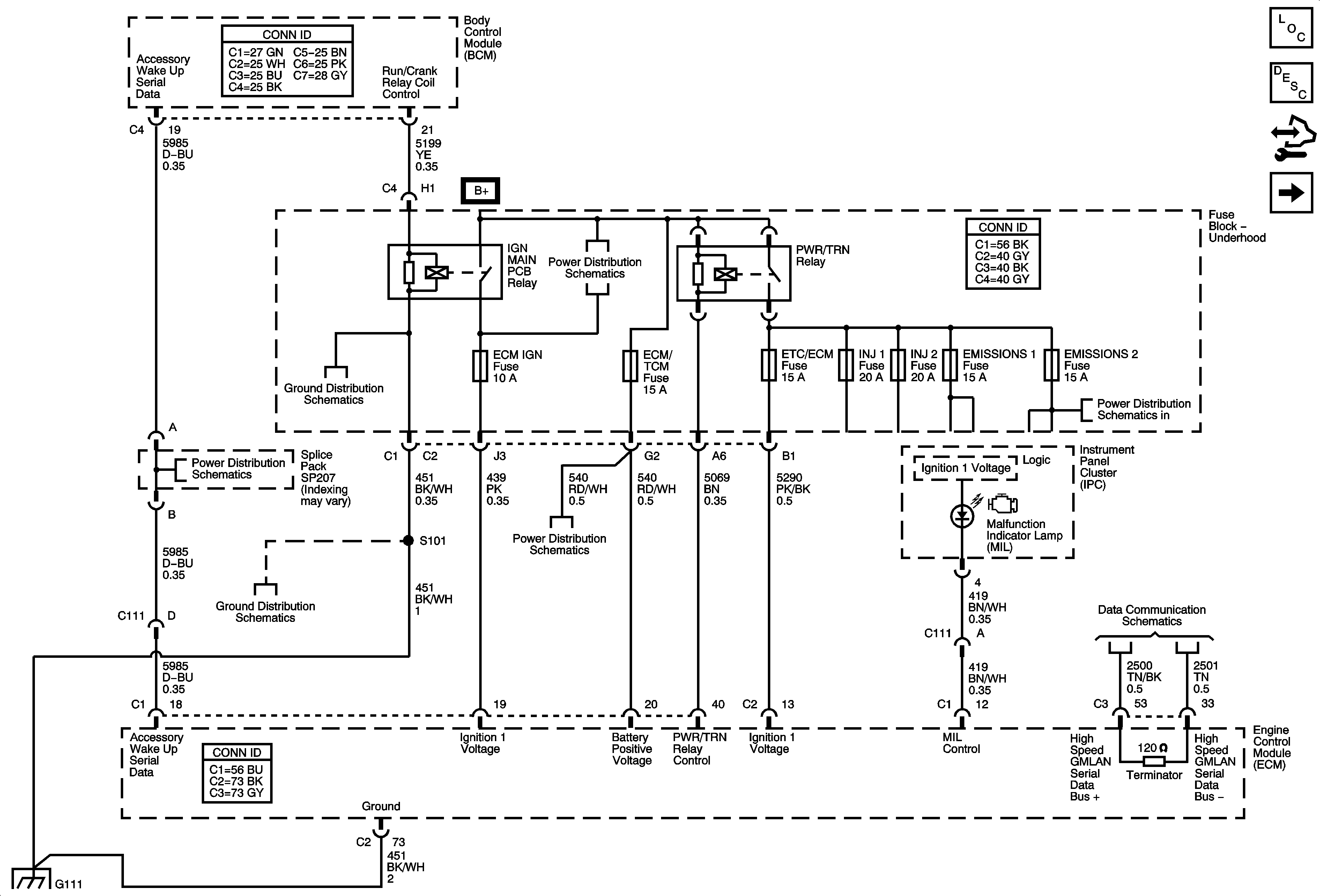
ECM Power, Ground, MIL, and Serial Data


Object Number: 1760778  Size: FS
Master Electrical Component List
Engine Control Module Description
Control Module References
5-Volt and Low Reference Bussing
Fuse Block - Underhood Bussing
Ignition Switch
Fuse Block - Underhood Bussing
EMISSIONS 1, EMISSIONS 2, A/C CMPRSR Fuses, A/C CMPRSR, FAN 1, FAN 2, and FAN 3 Relays
G101, G102, and G111
G101, G102, and G111
INT LTS/PNL DIM, LT T/SIG, RT T/SIG, CHMSL/BACKUP, INT LIGHTS, RVC SEN, and ECM/TCM Fuses
High Speed GMLAN Serial Data
G101, G102, and G111
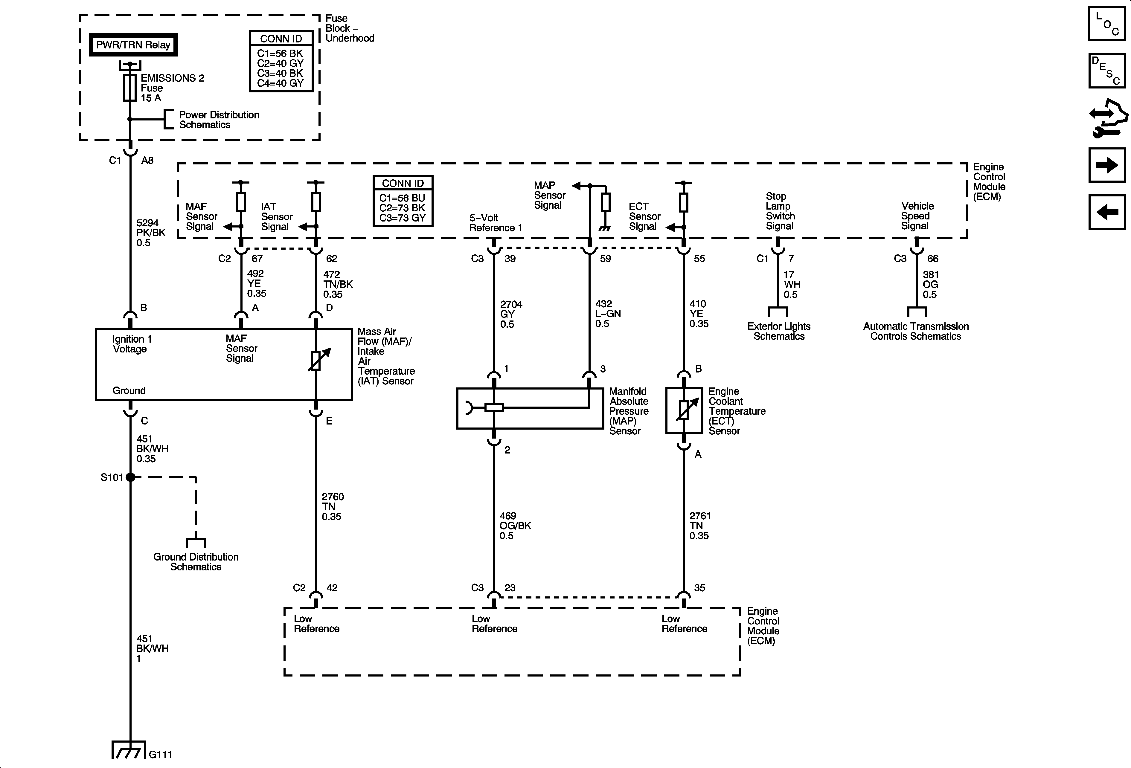
Figure 2:

5-Volt and Low Reference Bussing


Object Number: 1760782  Size: FS
Master Electrical Component List
Engine Control Module Description
Control Module References
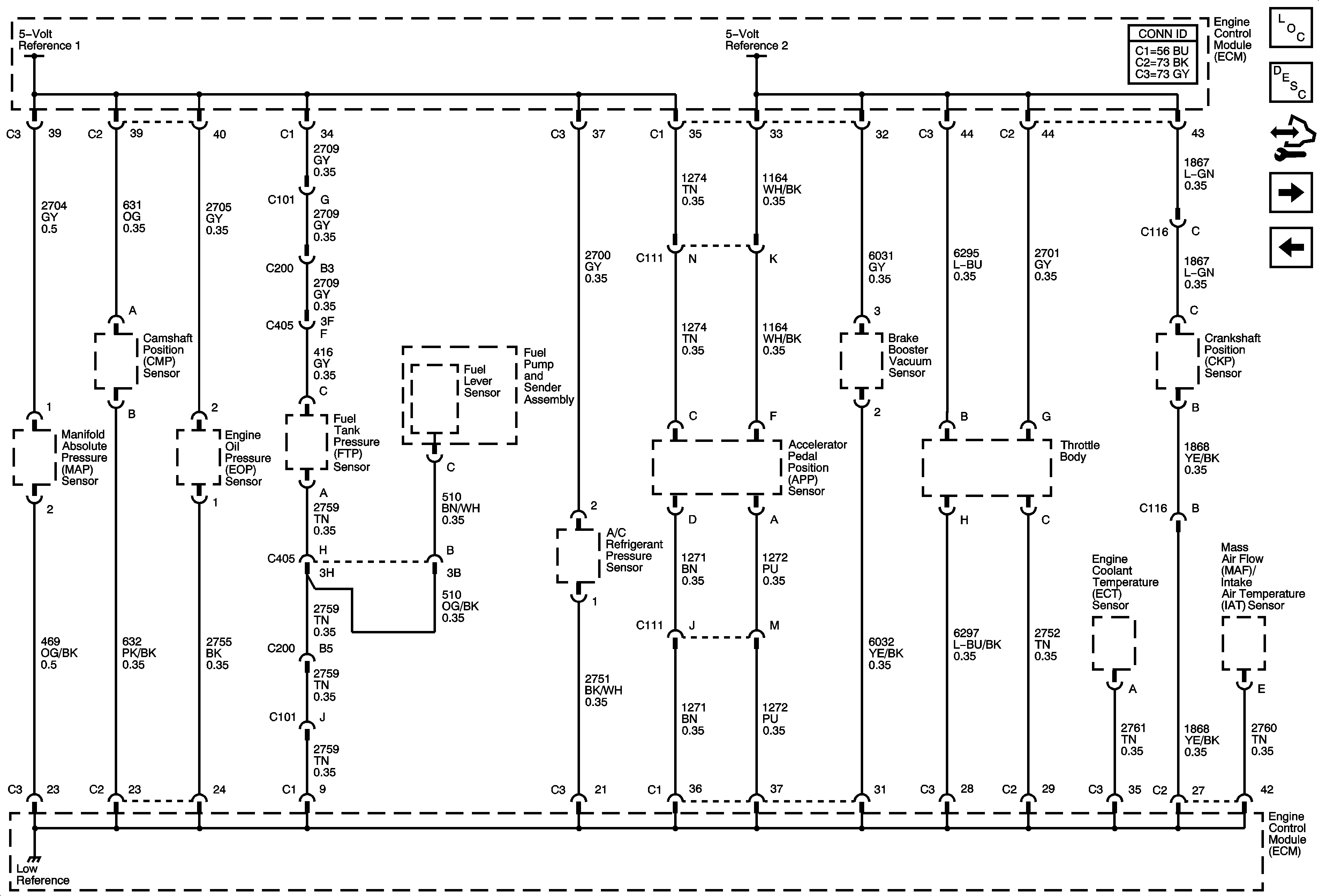
MAP, ECT, and MAF/IAT Sensors
ECM Power, Ground, MIL, and Serial Data
Figure 3:

MAP, ECT, and MAF/IAT Sensors


Object Number: 1760786  Size: FS
Master Electrical Component List
Engine Control Module Description
Control Module References
Heated Oxygen Sensors
5-Volt and Low Reference Bussing
ECM Power, Ground, MIL, and Serial Data
EMISSIONS 1, EMISSIONS 2, A/C CMPRSR Fuses, A/C CMPRSR, FAN 1, FAN 2, and FAN 3 Relays
Turn Signal, Hazard, and Stop Lamps Outputs
VSS, AT ISS Sensors, Pressure Control Solenoid Valve, and TCC Release Switch
G101, G102, and G111
G101, G102, and G111
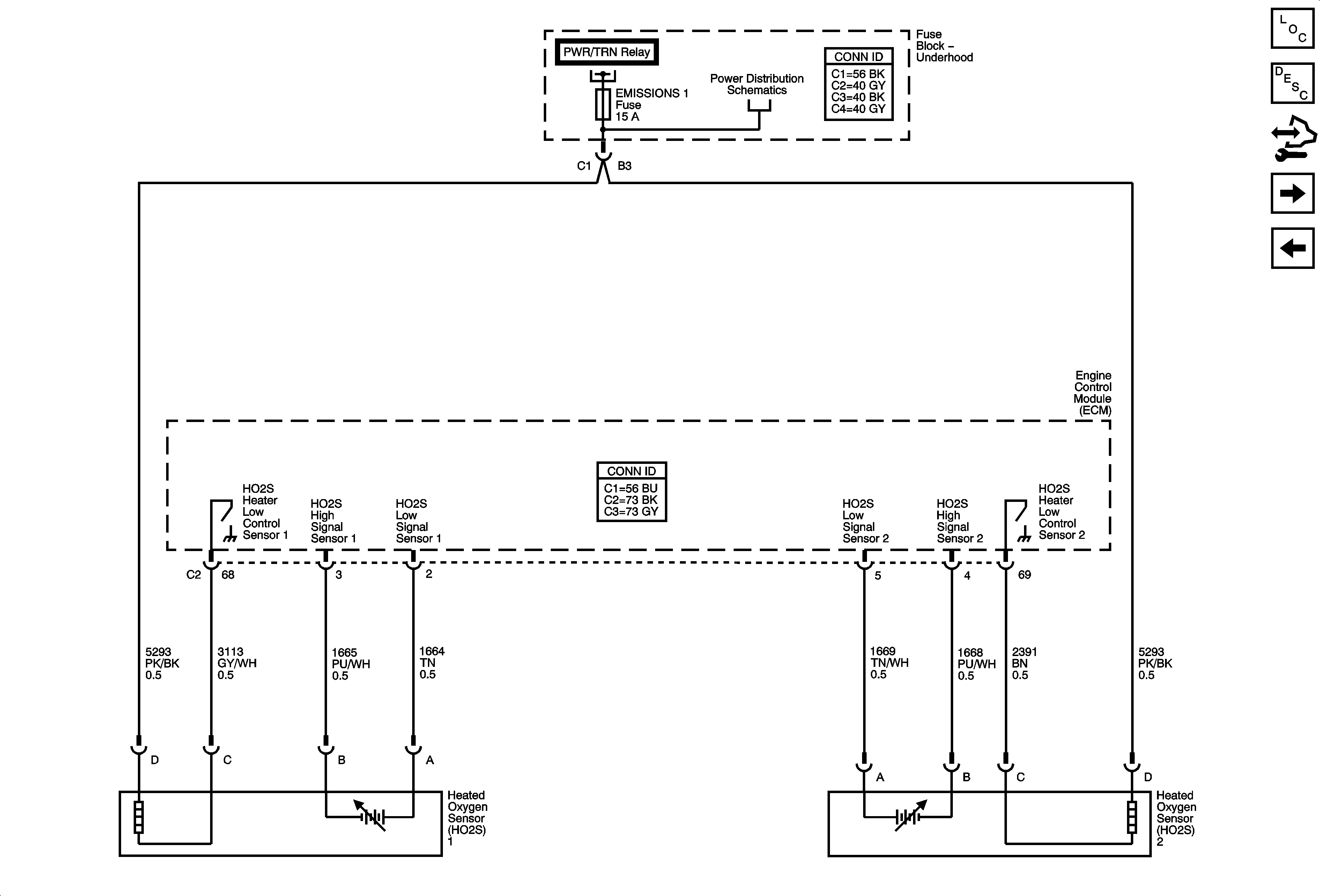
Figure 4:

Heated Oxygen Sensors


Object Number: 1760787  Size: FS
Master Electrical Component List
Engine Control Module Description
Control Module References
Electronic Throttle Controls
MAP, ECT, and MAF/IAT Sensors
ECM Power, Ground, MIL, and Serial Data
EMISSIONS 1, EMISSIONS 2, A/C CMPRSR Fuses, A/C CMPRSR, FAN 1, FAN 2, and FAN 3 Relays
Figure 5:

Electronic Throttle Controls


Object Number: 1760788  Size: FS
Master Electrical Component List
Throttle Actuator Control (TAC) System Description
Control Module References
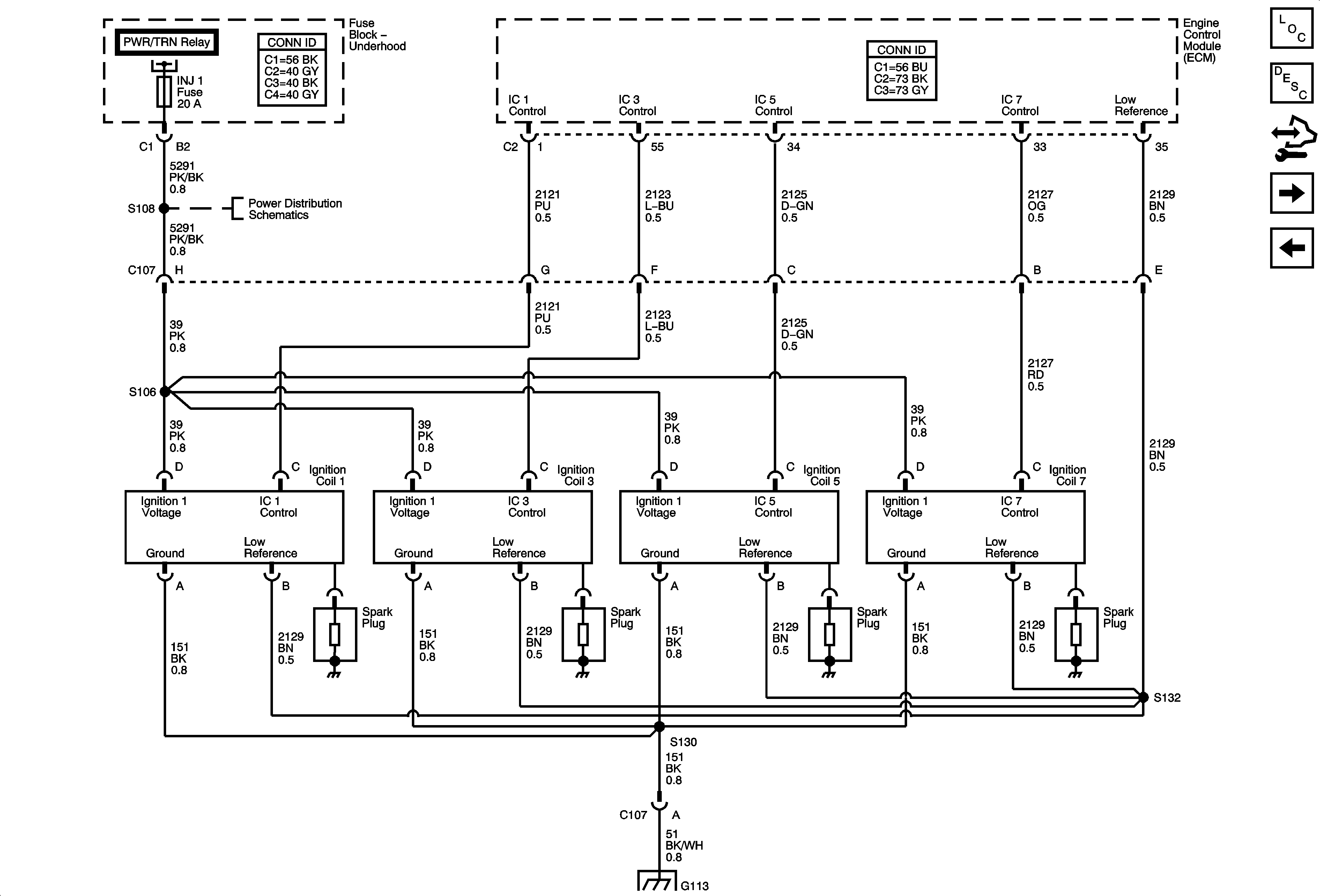
Ignition Controls Bank 1 (Odd) Ignition Coils
Heated Oxygen Sensors
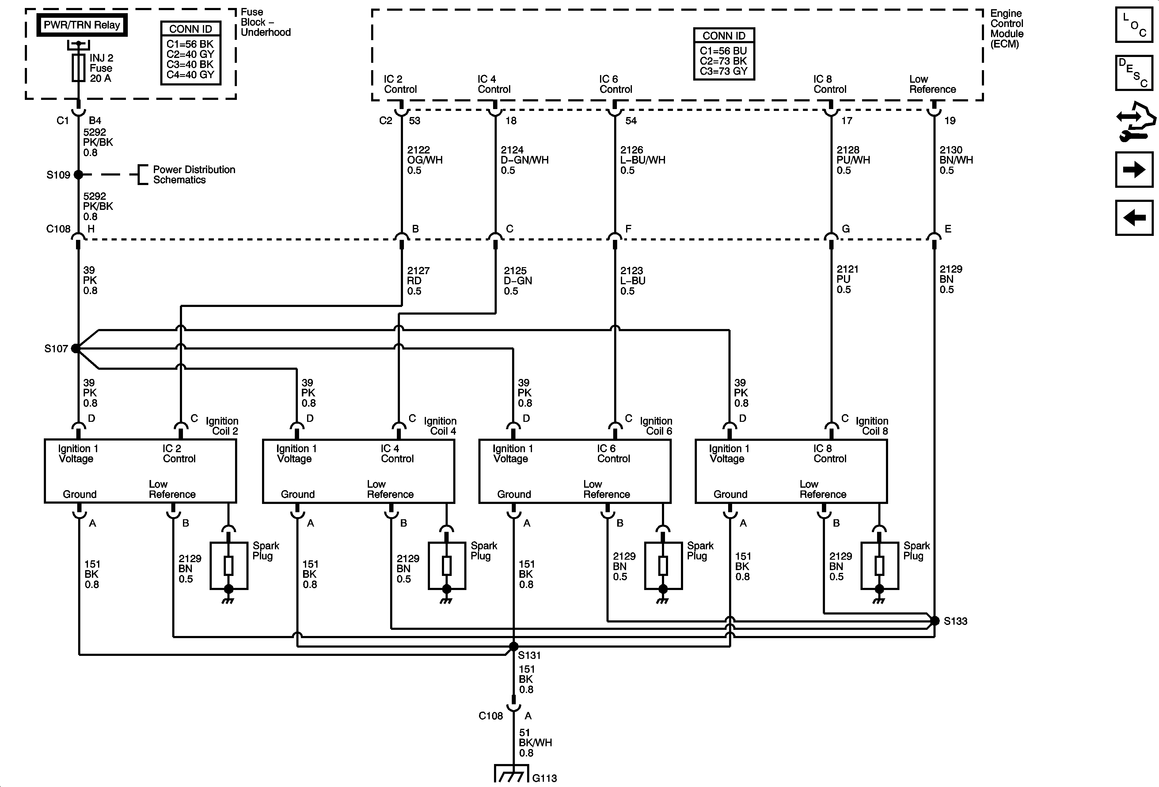
Figure 6:

Ignition Controls Bank 1 (Odd) Ignition Coils


Object Number: 1760790  Size: FS
Master Electrical Component List
Electronic Ignition (EI) System Description
Control Module References
Ignition Controls Bank 2 (Even) Ignition Coils
Electronic Throttle Controls
ECM Power, Ground, MIL, and Serial Data
ETC/ECM, INJ 1, INJ 2 Fuses (LS4)
G113 and G115
Figure 7:

Ignition Controls Bank 2 (Even) Ignition Coils


Object Number: 1760792  Size: FS
Master Electrical Component List
Electronic Ignition (EI) System Description
Control Module References
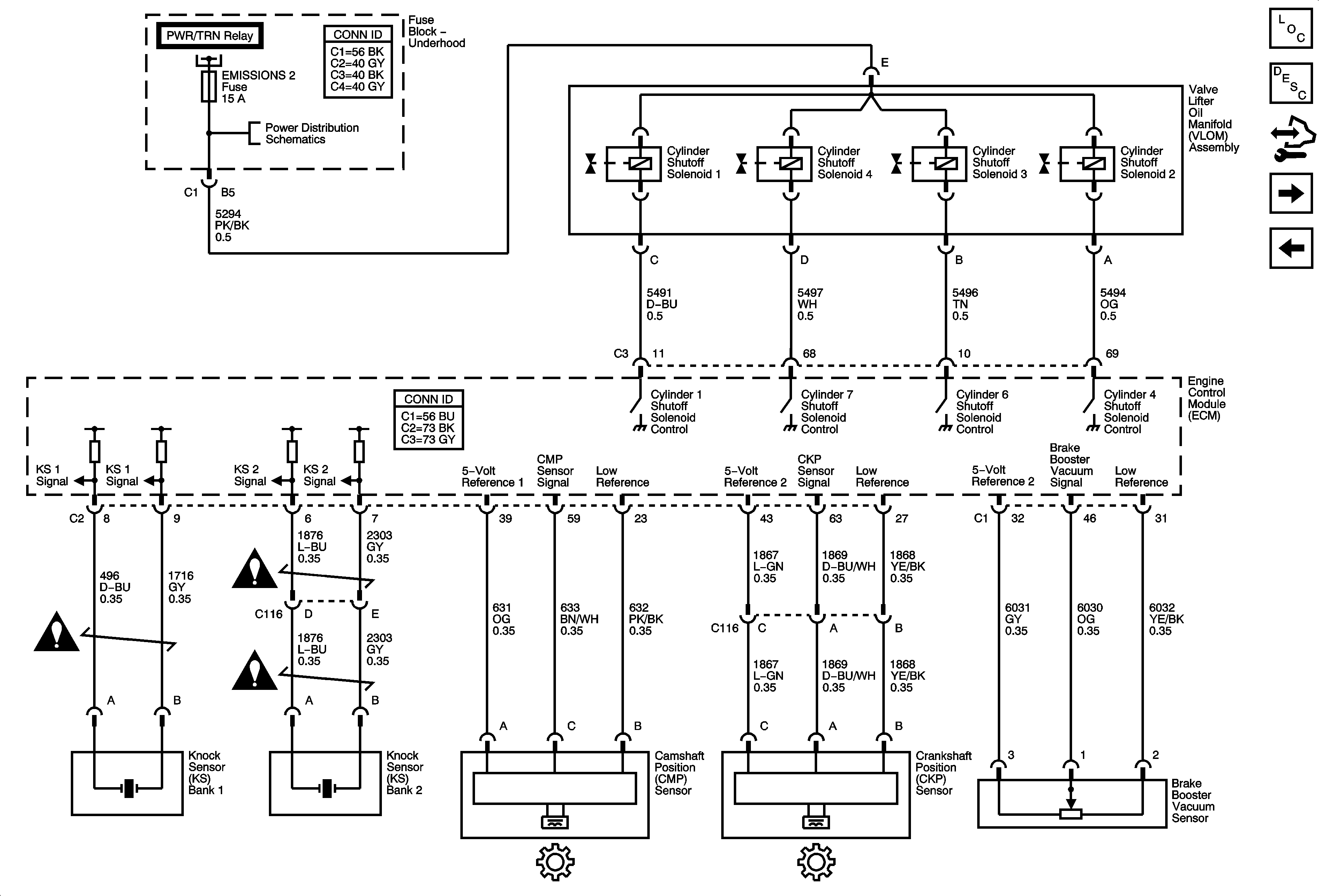
Ignition Controls Knock, CMP, CKP, Brake Booster Vacuum Sensor, and Valve Lifter Oil Manifold Assembly
Ignition Controls Bank 1 (Odd) Ignition Coils
ECM Power, Ground, MIL, and Serial Data
ETC/ECM, INJ 1, INJ 2 Fuses (LS4)
G113 and G115
Figure 8:

Ignition Controls Knock, CMP, CKP, Brake Booster Vacuum Sensors, and Valve Lifter Oil Manifold Assembly


Object Number: 1760805  Size: FS
Master Electrical Component List
Cylinder Deactivation (Active Fuel Management) System Description
Control Module References
Fuel Pump Controls
Ignition Controls Bank 2 (Even) Ignition Coils
ECM Power, Ground, MIL, and Serial Data
EMISSIONS 1, EMISSIONS 2, A/C CMPRSR Fuses, A/C CMPRSR, FAN 1, FAN 2, and FAN 3 Relays
Engine Controls Schematic Icons
Engine Controls Schematic Icons
Engine Controls Schematic Icons
Figure 9:

Fuel Pump Controls


Object Number: 1760807  Size: FS
Master Electrical Component List
Fuel System Description
Control Module References
Fuel Injectors
Ignition Controls Knock, CMP, CKP, Brake Booster Vacuum Sensor, and Valve Lifter Oil Manifold Assembly
Fuse Block - Underhood Bussing
Fuse Block - Underhood Bussing
G101, G102, and G111
Power, Ground, and Gages
G101, G102, and G111
G101, G102, and G111
G302 (Coupe)
G302 (Sedan)
Figure 10:

Fuel Injectors


Object Number: 1760809  Size: FS
Master Electrical Component List
Fuel System Description
Control Module References
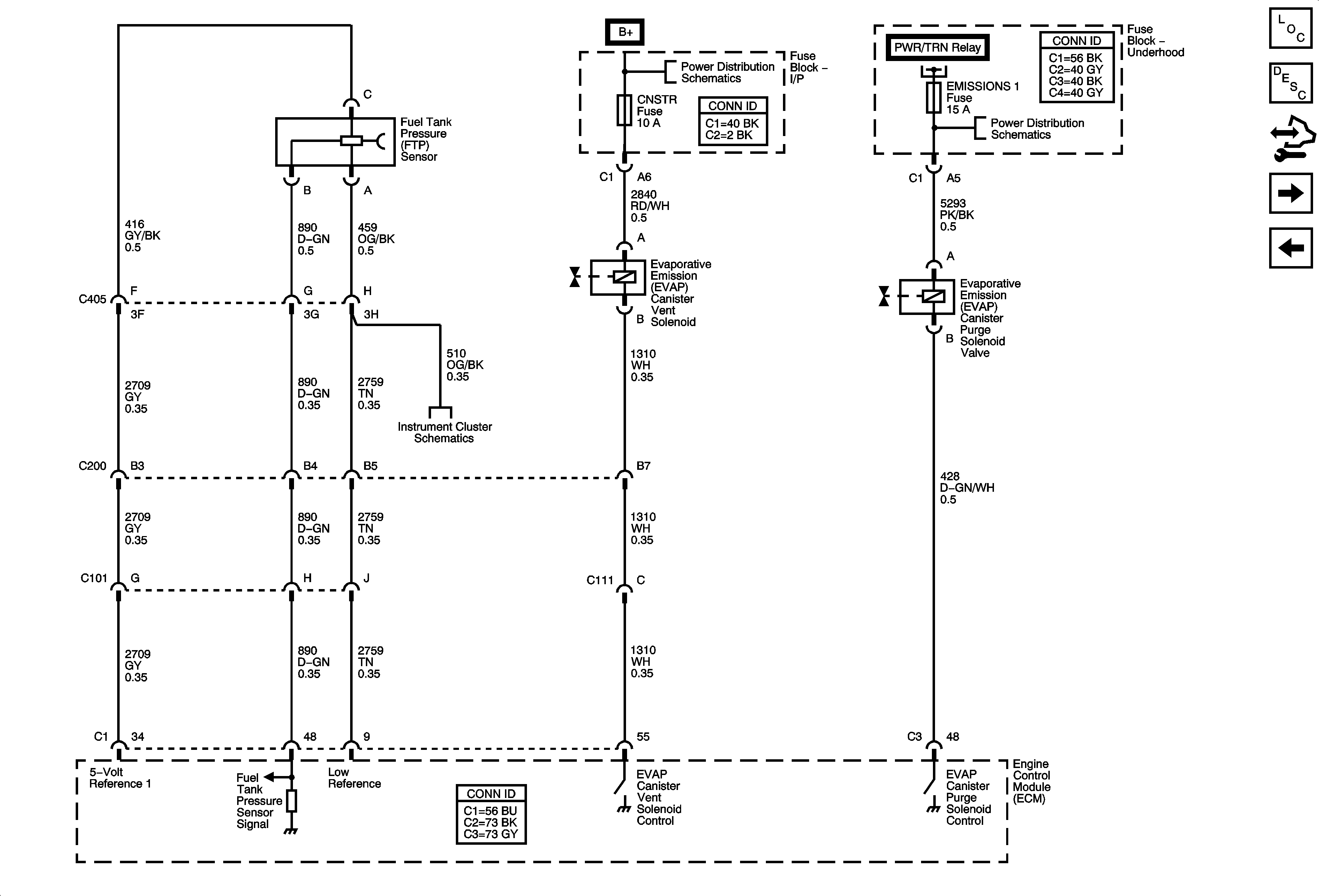
EVAP Solenoids and FTP Sensor
Fuel Pump Controls
ECM Power, Ground, MIL, and Serial Data
ETC/ECM, INJ 1, INJ 2 Fuses (LS4)
ETC/ECM, INJ 1, INJ 2 Fuses (LS4)
Figure 11:

EVAP Solenoids and FTP Sensor


Object Number: 1760812  Size: FS
Master Electrical Component List
Evaporative Emission Control System Description
Control Module References
Controlled/Monitored Subsystem References
Fuel Injectors
BATT 1, CNSTR, ONSTAR, TRUNK, AMP, AUX Fuses, and TRUNK Relay
BATT 1, CNSTR, ONSTAR, TRUNK, AMP, AUX Fuses, and TRUNK Relay
ECM Power, Ground, MIL, and Serial Data
EMISSIONS 1, EMISSIONS 2, A/C CMPRSR Fuses, A/C CMPRSR, FAN 1, FAN 2, and FAN 3 Relays
Power, Ground, and Gages
Figure 12:

Controlled/Monitored Subsystem References


Object Number: 1760813  Size: FS
Master Electrical Component List
Engine Control Module Description
Control Module References
EVAP Solenoids and FTP Sensor
A/C Compressor Controls
Engine Cooling Schematics
Starter
Generator
Driver Information Center
Indicators
PRNDL and IMS Switch