GM Service Manual Online
For 1990-2009 cars only
Figure 1:

Blower Controls


Object Number: 1360837  Size: FS
Master Electrical Component List
Underhood Fuse Block - HVAC BLWR, ABS and HORN Fuses
I/P Fuse Block - HVAC and S/ROOF HTD/SEAT Fuses
G201
Figure 2:

Compressor Controls - Sirius D4


Object Number: 1360839  Size: FS
Master Electrical Component List
Underhood Fuse Block - A/C, DEFOG, and MIR HTD Fuses
I/P Fuse Block - CLSTR, AIR BAG, BCK/UP, and ENG FUSE BOX DRL Fuses
Module Power, Ground, Serial Data, Malfunction Indicator Lamp (MIL)
Module Power, Ground, Serial Data, Malfunction Indicator Lamp (MIL)
Figure 3:

Compressor Controls - MR-140


Object Number: 1455073  Size: FS
Master Electrical Component List
Underhood Fuse Block - A/C, DEFOG, and MIR HTD Fuses
I/P Fuse Block - CLSTR, AIR BAG, BCK/UP, and ENG FUSE BOX DRL Fuses
Module Power, Ground, Serial Data, Malfunction Indicator Lamp (MIL)
Module Power, Ground, Serial Data, Malfunction Indicator Lamp (MIL)
Figure 4:

Compressor Controls - HV-240


Object Number: 1455074  Size: FS
Master Electrical Component List
Underhood Fuse Block - A/C, DEFOG, and MIR HTD Fuses
I/P Fuse Block - CLSTR, AIR BAG, BCK/UP, and ENG FUSE BOX DRL Fuses
Module Power, Ground, Serial Data, Malfunction Indicator Lamp (MIL)
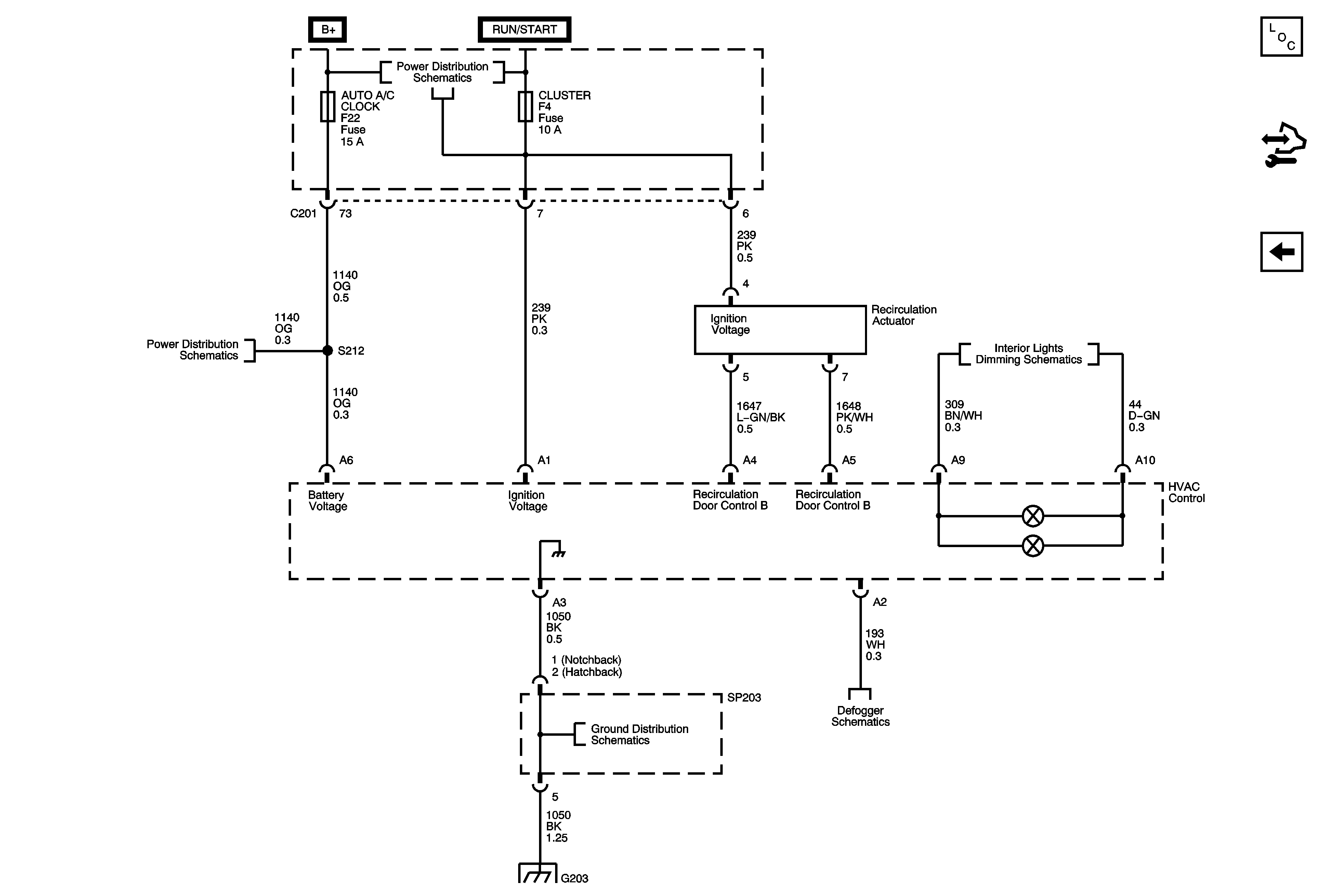
Figure 5:

Temperature Controls/Air Delivery


Object Number: 1456513  Size: FS
Master Electrical Component List
Underhood Fuse Block - BATT PWR, IGN 1 and IGN 2 Fuses, Ignition Switch, I/P Fuse Block - RADIO, IMMOBILIZER, DLC, AUTO A/C, HAZARD LAMPS, RKE, TCM, and REAR FOG/CRUISE Fuses
Underhood Fuse Block - BATT PWR, IGN 1 and IGN 2 Fuses, Ignition Switch, I/P Fuse Block - RADIO, IMMOBILIZER, DLC, AUTO A/C, HAZARD LAMPS, RKE, TCM, and REAR FOG/CRUISE Fuses
I/P Illumination (w/Dimming)
G203