GM Service Manual Online
For 1990-2009 cars only
Makes
🢒
Chevrolet
🢒
2004
🢒
Optra
🢒 Audible Warnings Schematics
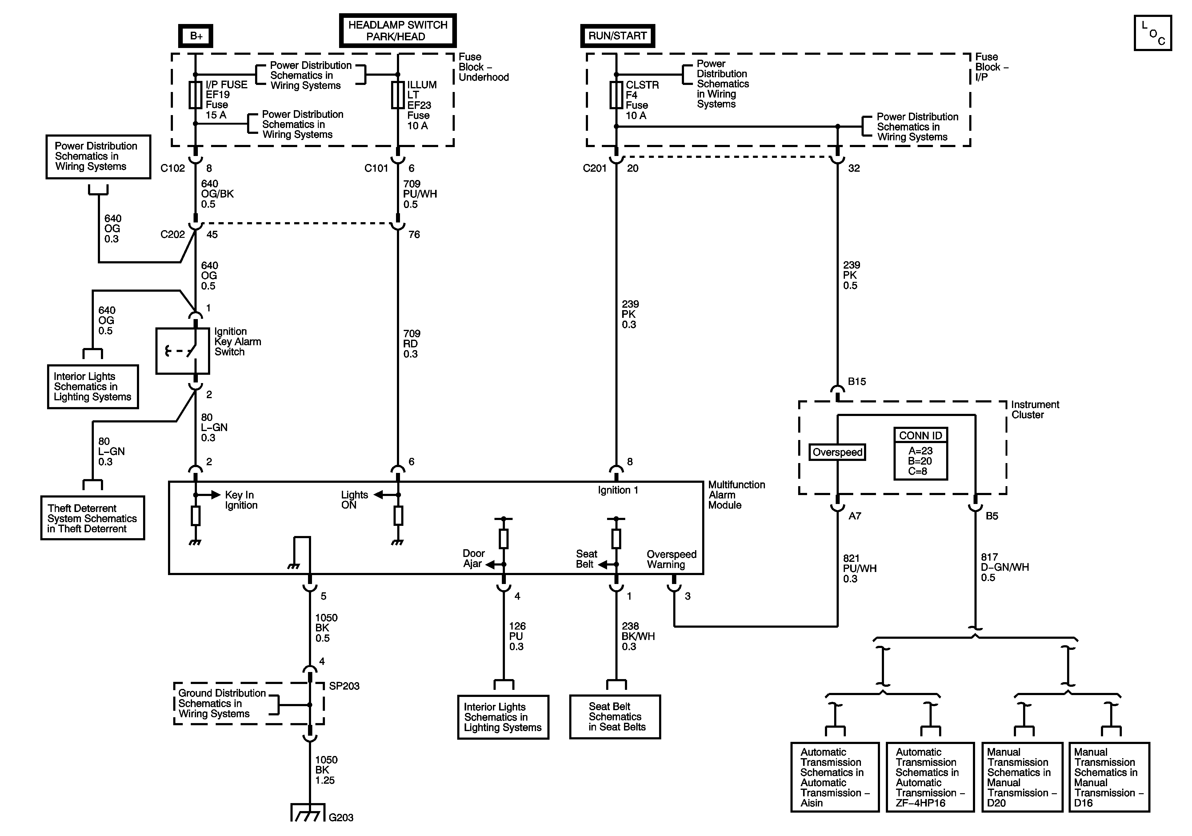
Audible Warnings Schematics
Master Electrical Component List
Underhood Fuse Block - IP FUSE, DR/LOCK and STOP LAMPS Fuses
Underhood Fuse Block - IP FUSE, DR/LOCK and STOP LAMPS Fuses
Underhood Fuse Block - IP FUSE, DR/LOCK and STOP LAMPS Fuses
Roof Courtesy Lamps
Theft Deterrent Control Module
G203
Underhood Fuse Block - LOW BEAM LT, LOW BEAM RT, ILLUM LT, ILLUM RT, and HI BEAM Fuses
I/P Fuse Block - CLSTR, AIR BAG, BCK/UP, and ENG FUSE BOX DRL Fuses
I/P Fuse Block - CLSTR, AIR BAG, BCK/UP, and ENG FUSE BOX DRL Fuses
Roof Courtesy Lamps
Seat Belts
Vehicle Speed and Input Speed Sensors
Vehicle Speed Signal
Vehicle Speed Sensor (VSS)
Vehicle Speed Sensor (VSS)