GM Service Manual Online
For 1990-2009 cars only
Makes
🢒
Chevrolet
🢒
2007
🢒
Optra
🢒
Transmission/Transaxle
🢒
Shift Lock Control
🢒 Shift Lock Control Schematics
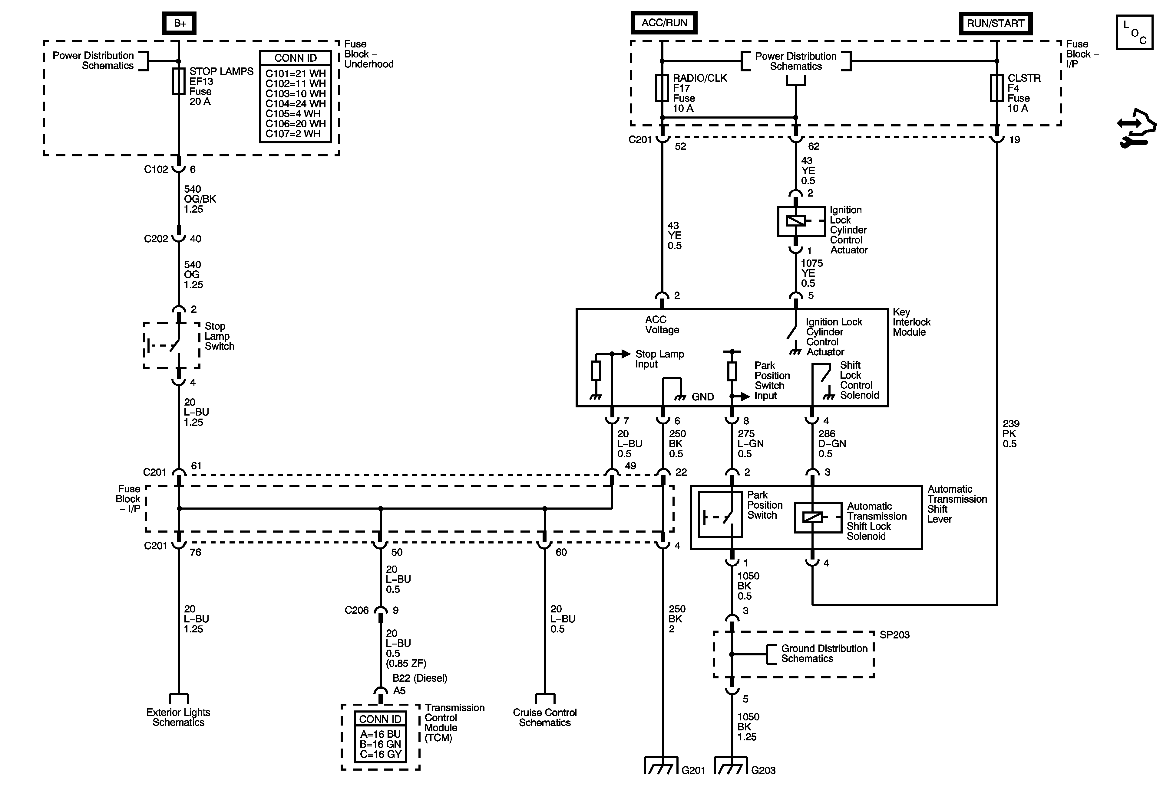
Figure
1:
Automatic Transmission Shift Lock Control Schematics - With Ignition Lock Cylinder Control Actuator
Master Electrical Component List
Control Module References
Underhood Fuse Block - Battery Feeds - 1of 2
Underhood Fuse Block - Battery Feeds - 1of 2
Park Lamps and License Plate Lamps
Cruise Control Schematics
G201 (1 of 2)
G203
G101
Figure
2:
Automatic Transmission Shift Lock Control Schematics - w/o Ignition Lock Cylinder Control Actuator
Master Electrical Component List
Underhood Fuse Block - Battery Feeds - 1of 2
G101
G203