GM Service Manual Online
For 1990-2009 cars only
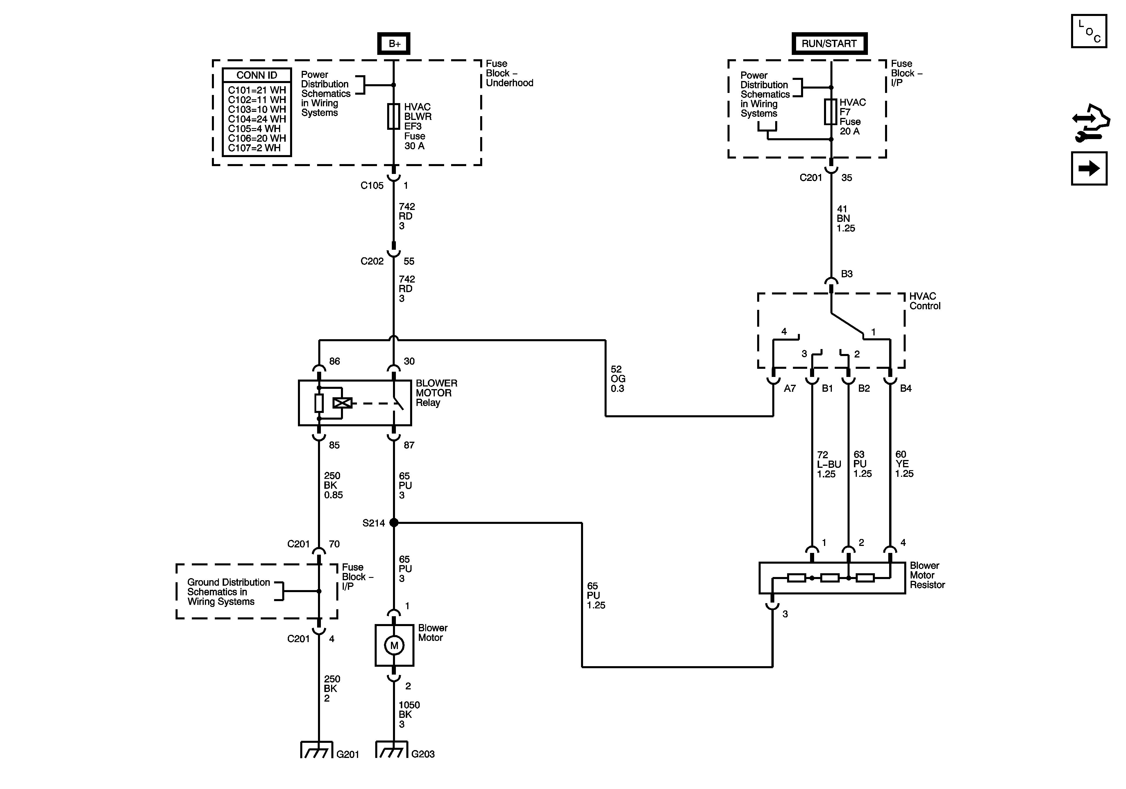
Figure 1:

Blower Controls


Object Number: 1360837  Size: FS
Master Electrical Component List
Control Module References
Compressor Controls Sirius D4, MR 140, MT 34
Underhood Fuse Block - Battery Feeds - 1of 2
Underhood Fuse Block - Battery Feeds - 1of 2
G101
G201 (1 of 2)
G203
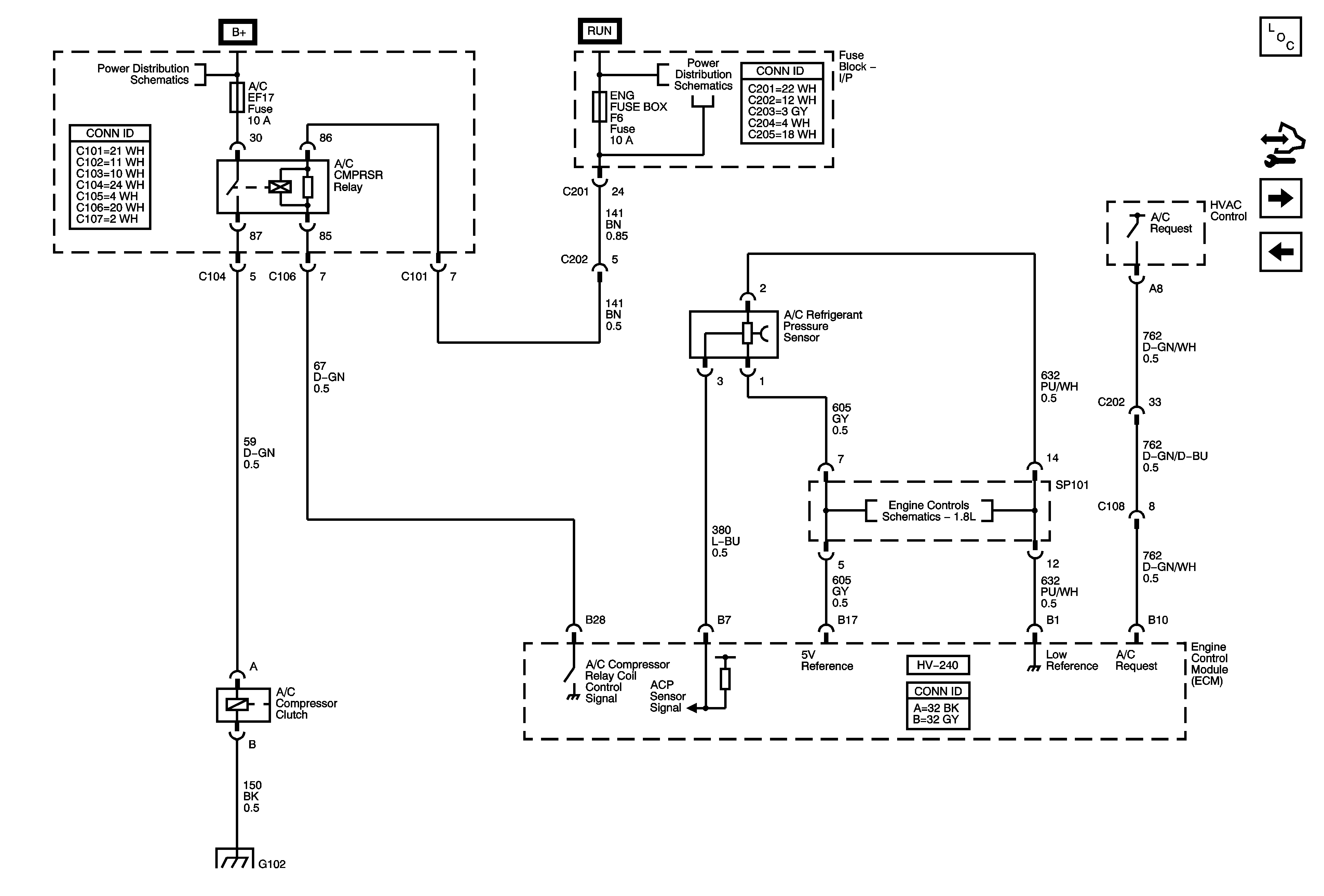
Figure 2:

Compressor Controls - Sirius D4, MR 140, MT 34


Object Number: 1844951  Size: FS
Master Electrical Component List
Control Module References
Compress Controls HV-240
Blower Controls
Underhood Fuse Block - Battery Feeds - 1of 2
Underhood Fuse Block - Battery Feeds - 1of 2
G102
Module Power, Ground, Serial Data, Malfunction Indicator Lamp (MIL)
Module Power, Ground, Serial Data, Malfunction Indicator Lamp (MIL)
Module Power, Ground, Serial Data, Malfunction Indicator Lamp (MIL)
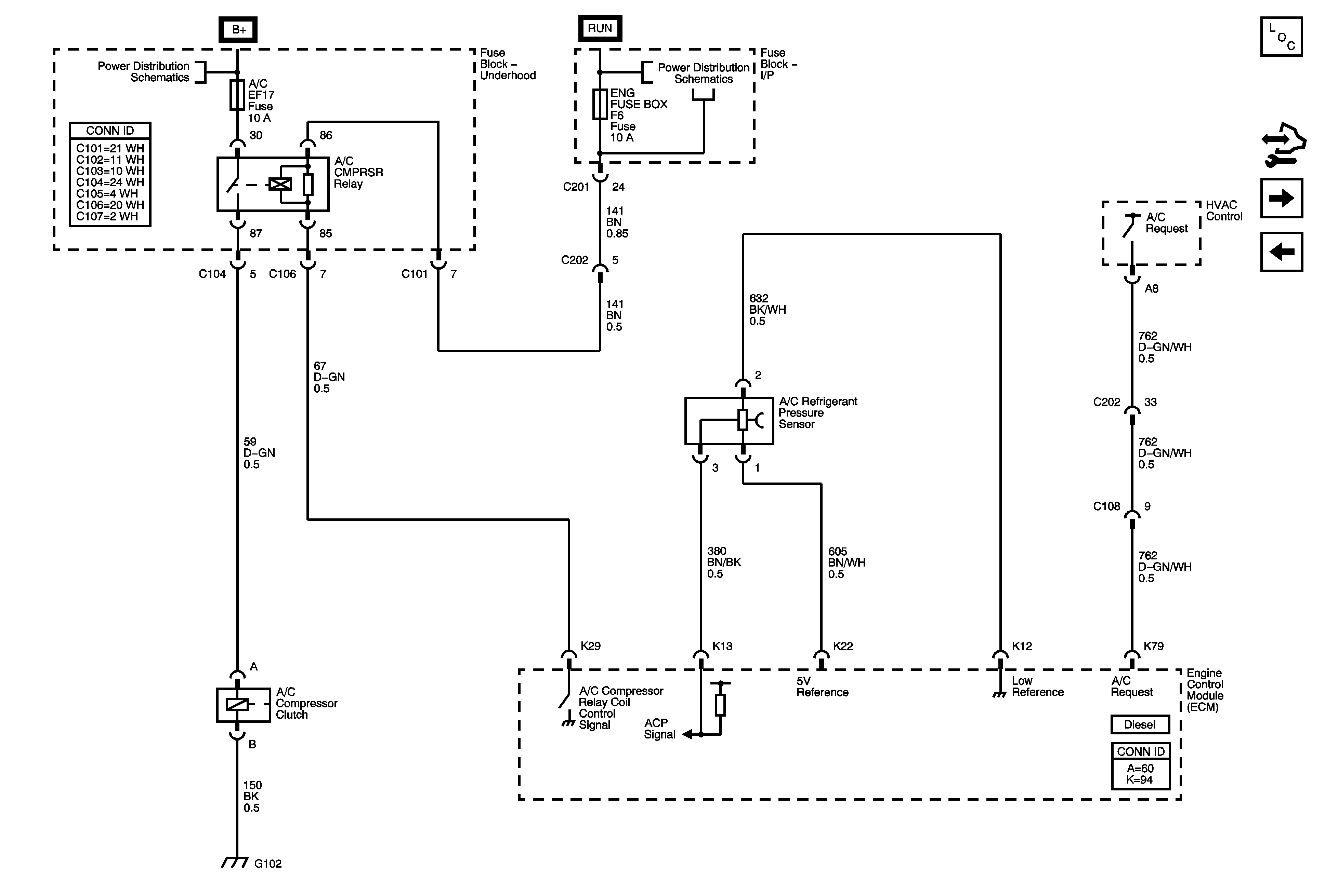
Figure 3:

Compressor Controls - HV-240


Object Number: 1844952  Size: FS
Master Electrical Component List
Control Module References
Compressor Controls - Diesel
Compressor Controls Sirius D4, MR 140, MT 34
Underhood Fuse Block - Battery Feeds - 1of 2
Underhood Fuse Block - Battery Feeds - 1of 2
G101
Module Power, Ground, Serial Data, Malfunction Indicator Lamp (MIL)
Figure 4:

Compressor Controls - Diesel


Object Number: 1888502  Size: FS
Master Electrical Component List
Control Module References
Temperature Controls/Air Delivery
Compress Controls HV-240
Underhood Fuse Block - Battery Feeds - 1of 2
Underhood Fuse Block - Battery Feeds - 1of 2
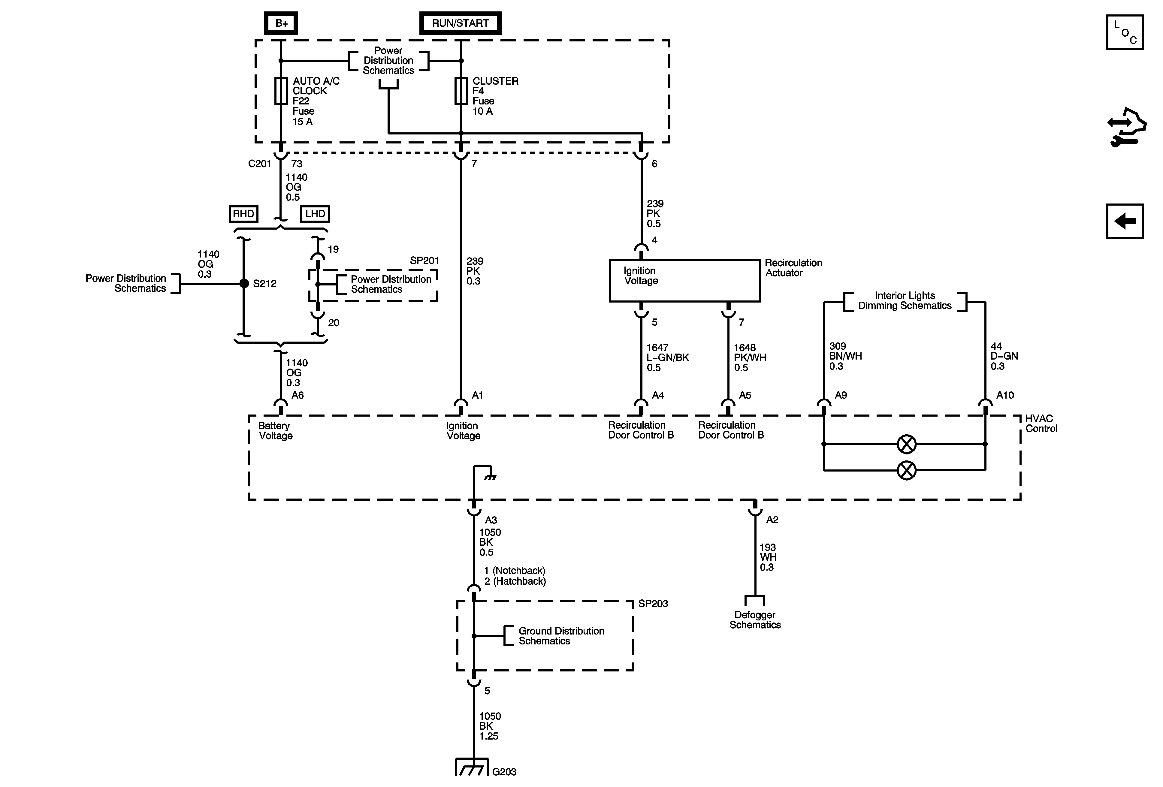
Figure 5:

Temperature Controls/Air Delivery


Object Number: 1844953  Size: FS
Master Electrical Component List
Control Module References
Compressor Controls - Diesel
Underhood Fuse Block - Battery Feeds - 1of 2
Underhood Fuse Block - Battery Feeds - 1of 2
Underhood Fuse Block - Battery Feeds - 1of 2
Interior Lights Schematics
G101
G203
Defogger Schematics