GM Service Manual Online
For 1990-2009 cars only
Makes
🢒
Chevrolet
🢒
2007
🢒
Optra
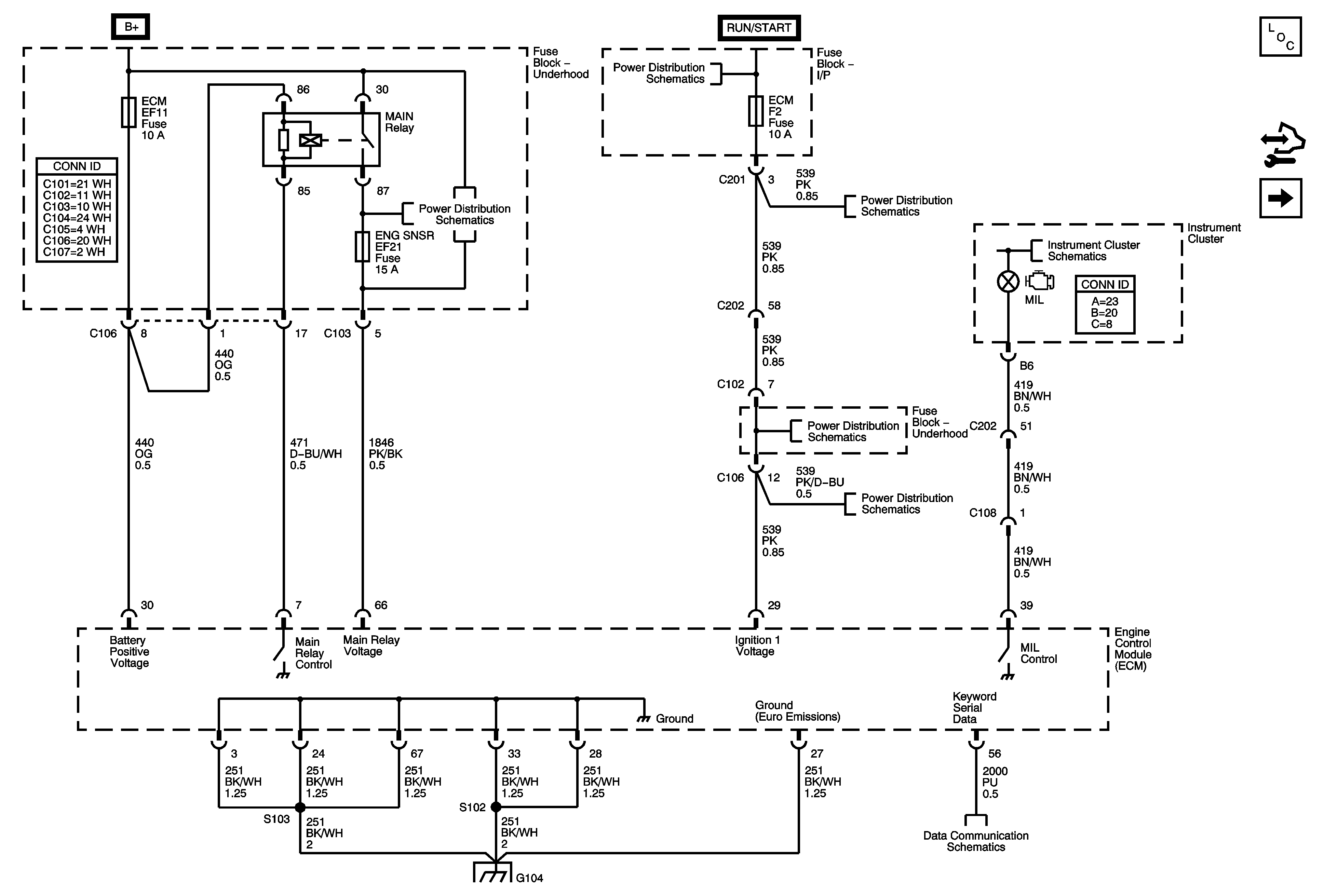
🢒 Module Power, Ground, Serial Data, Malfunction Indicator Lamp (MIL)
Module Power, Ground, Serial Data, Malfunction Indicator Lamp (MIL)
Module Power, Ground, Serial Data, Malfunction Indicator Lamp (MIL)
Master Electrical Component List
Control Module References
Engine Data Sensors Pressure and Temperature
Underhood Fuse Block - Battery Feeds - 1of 2
Underhood Fuse Block - Battery Feeds - 1of 2
Underhood Fuse Block - Battery Feeds - 1of 2
Power, Ground, I/P Illumination, Door Open Indicators
Underhood Fuse Block - Battery Feeds - 1of 2
Underhood Fuse Block - Battery Feeds - 1of 2
G104
Data Communications Schematics