GM Service Manual Online
For 1990-2009 cars only
Makes
🢒
Chevrolet
🢒
2007
🢒
Optra
🢒 Steering Assist Schematics
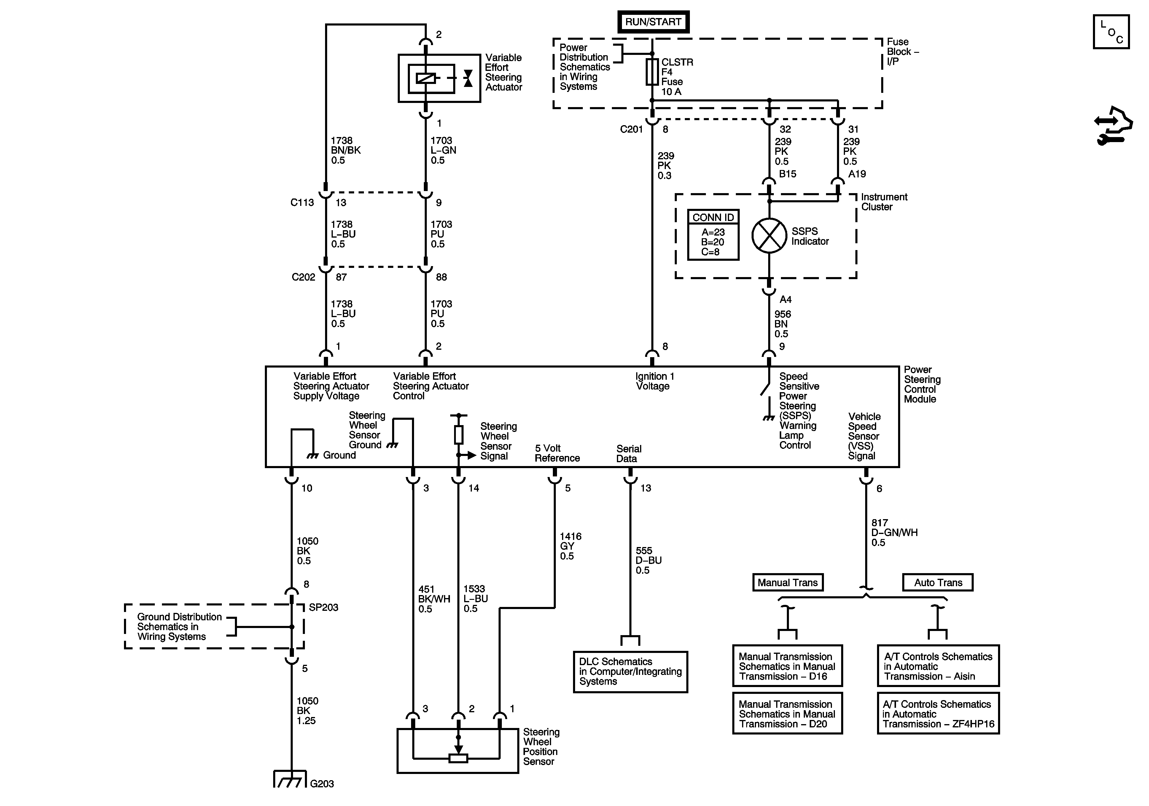
Steering Assist Schematics
Master Electrical Component List
Control Module References
Underhood Fuse Block - Battery Feeds - 1of 2
SP203
G203
Data Communications Schematics
Manual Transmission Schematics
Manual Transmission Schematics
Module Power, Ground, Malfunction Indicator Lamp (MIL), Hold Lamp and Serial Data
Power, Ground, Hold Switch and DLC