GM Service Manual Online
For 1990-2009 cars only
Makes
🢒
Chevrolet
🢒
2007
🢒
Optra
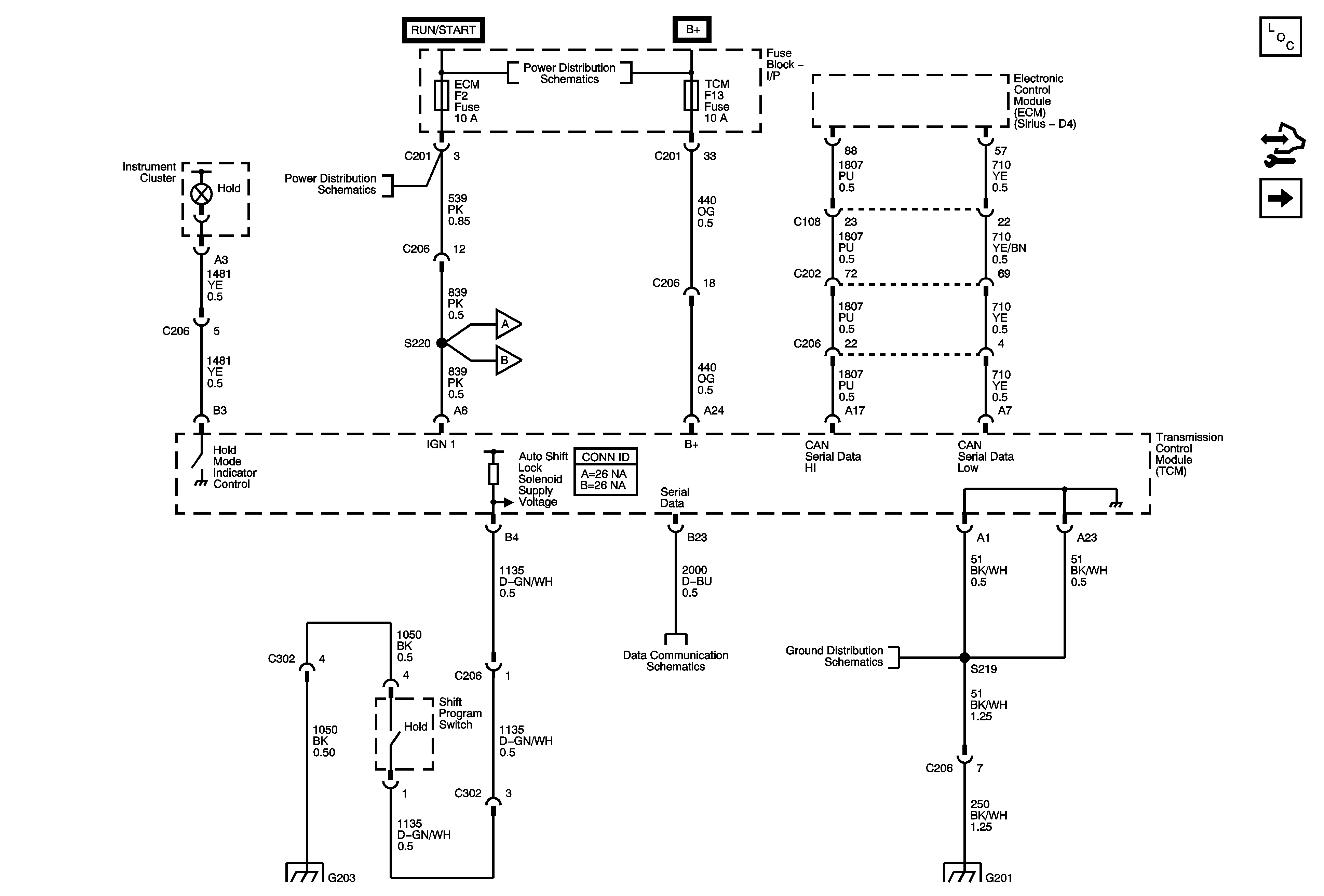
🢒 Module Power, Ground, Malfunction Indicator Lamp (MIL), Hold Lamp and Serial Data
Module Power, Ground, Malfunction Indicator Lamp (MIL), Hold Lamp and Serial Data
Module Power, Ground, Malfunction Indicator Lamp (MIL), Hold Lamp and Serial Data
Master Electrical Component List
Control Module References
Torque Converter Clutch (TCC) and Transmission Solenoids
Underhood Fuse Block - Battery Feeds - 1of 2
Underhood Fuse Block - Battery Feeds - 1of 2
Vehicle Speed and Input Speed Sensors
Park/Neutral Position (PNP)
Data Communications Schematics
G101
G203
G201 (1 of 2)