GM Service Manual Online
For 1990-2009 cars only
Makes
🢒
Chevrolet
🢒
2007
🢒
Optra
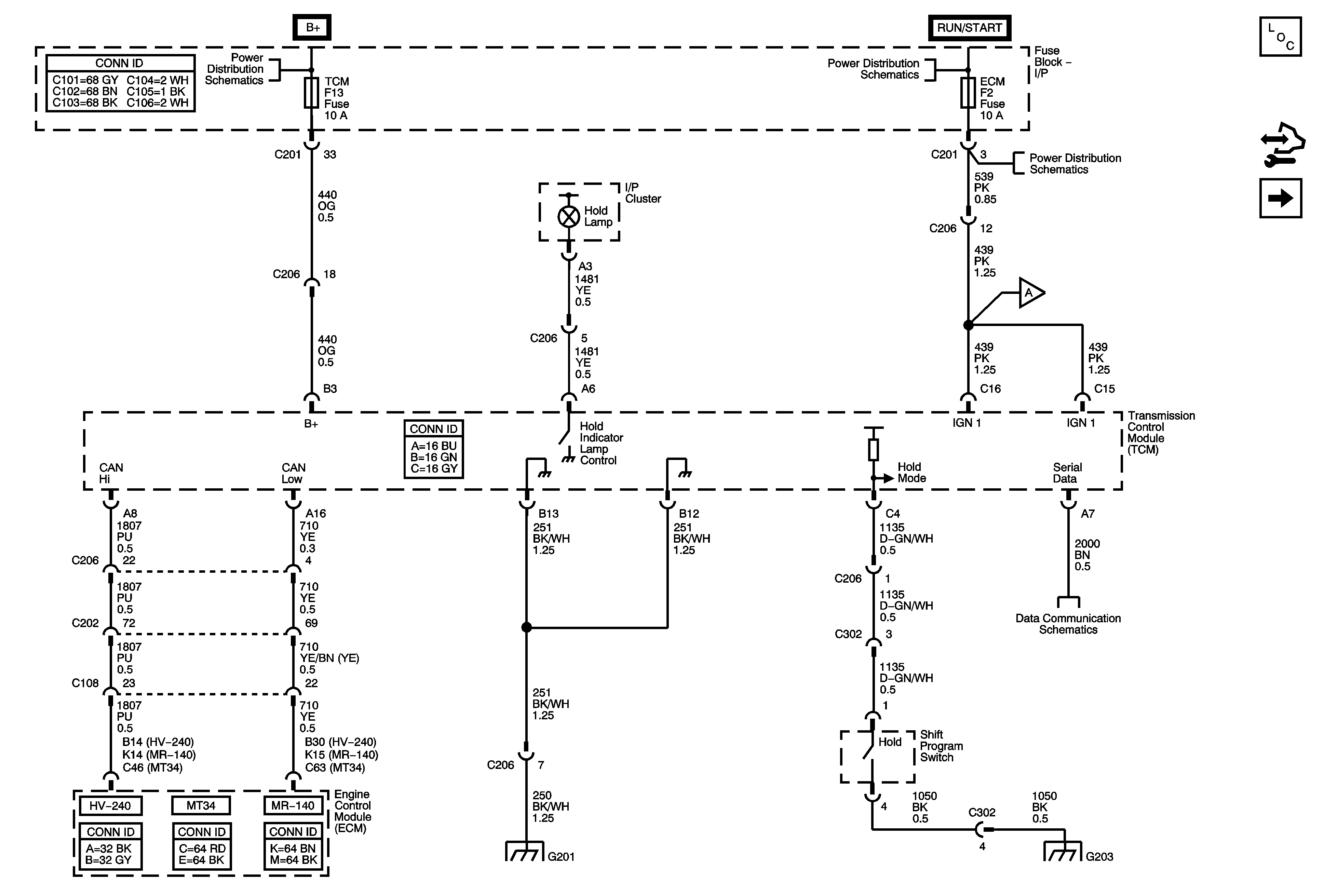
🢒 Power, Ground, Hold Switch and DLC
Power, Ground, Hold Switch and DLC
Power, Ground, Hold Switch and DLC
Master Electrical Component List
Control Module References
Shift and Pressure Control Solenoids
Underhood Fuse Block - Battery Feeds - 1of 2
Underhood Fuse Block - Battery Feeds - 1of 2
Underhood Fuse Block - Battery Feeds - 1of 2
Park/Neutral Position (PNP) Switch
Data Communications Schematics
G201 (1 of 2)
G203