GM Service Manual Online
For 1990-2009 cars only
Makes
🢒
Chevrolet
🢒
2007
🢒
Optra
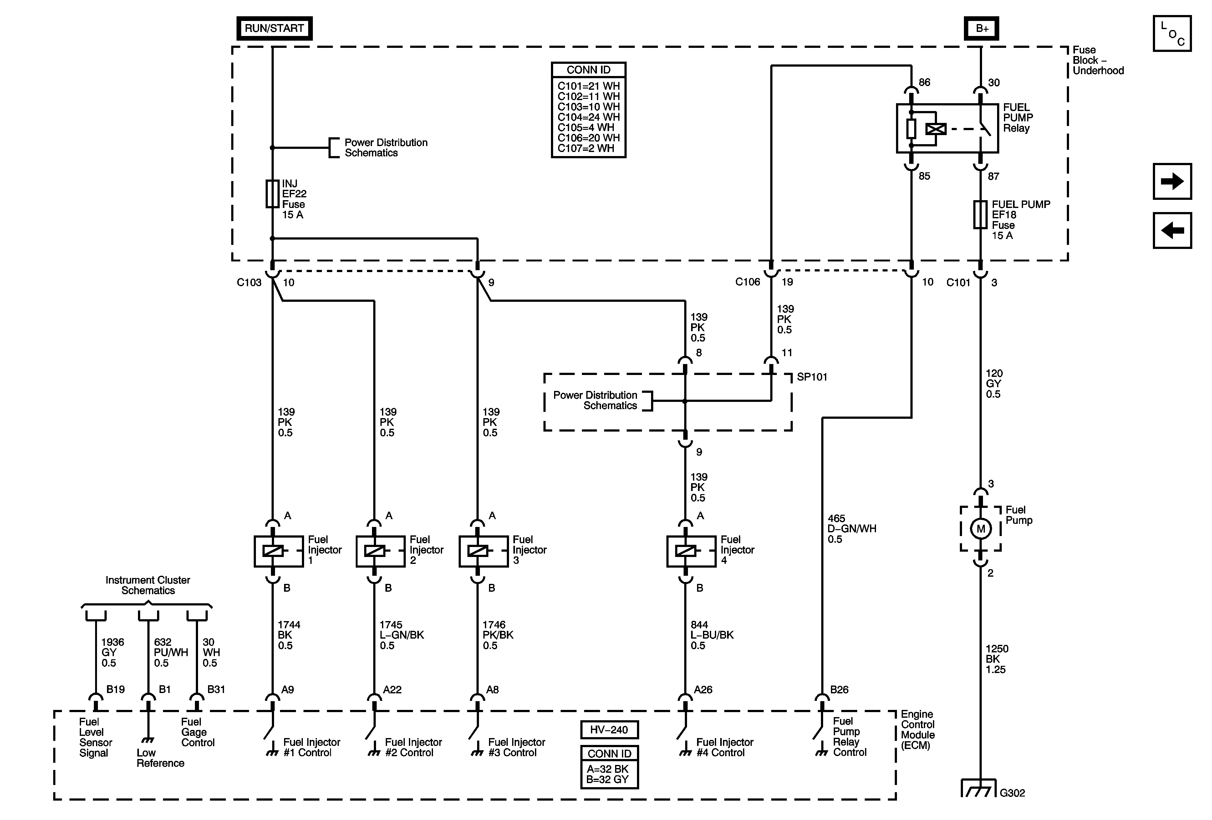
🢒 Fuel Pump and Fuel Injectors
Fuel Pump and Fuel Injectors
Fuel Pump and Fuel Injectors
Master Electrical Component List
EGR, EVAP, IAC, Octane Selection Switch
CKP, CMP, Knock
Underhood Fuse Block - Battery Feeds - 1of 2
Underhood Fuse Block - Battery Feeds - 1of 2
Power, Ground, I/P Illumination, Door Open Indicators
G302