GM Service Manual Online
For 1990-2009 cars only
Makes
🢒
Chevrolet
🢒
2007
🢒
Optra
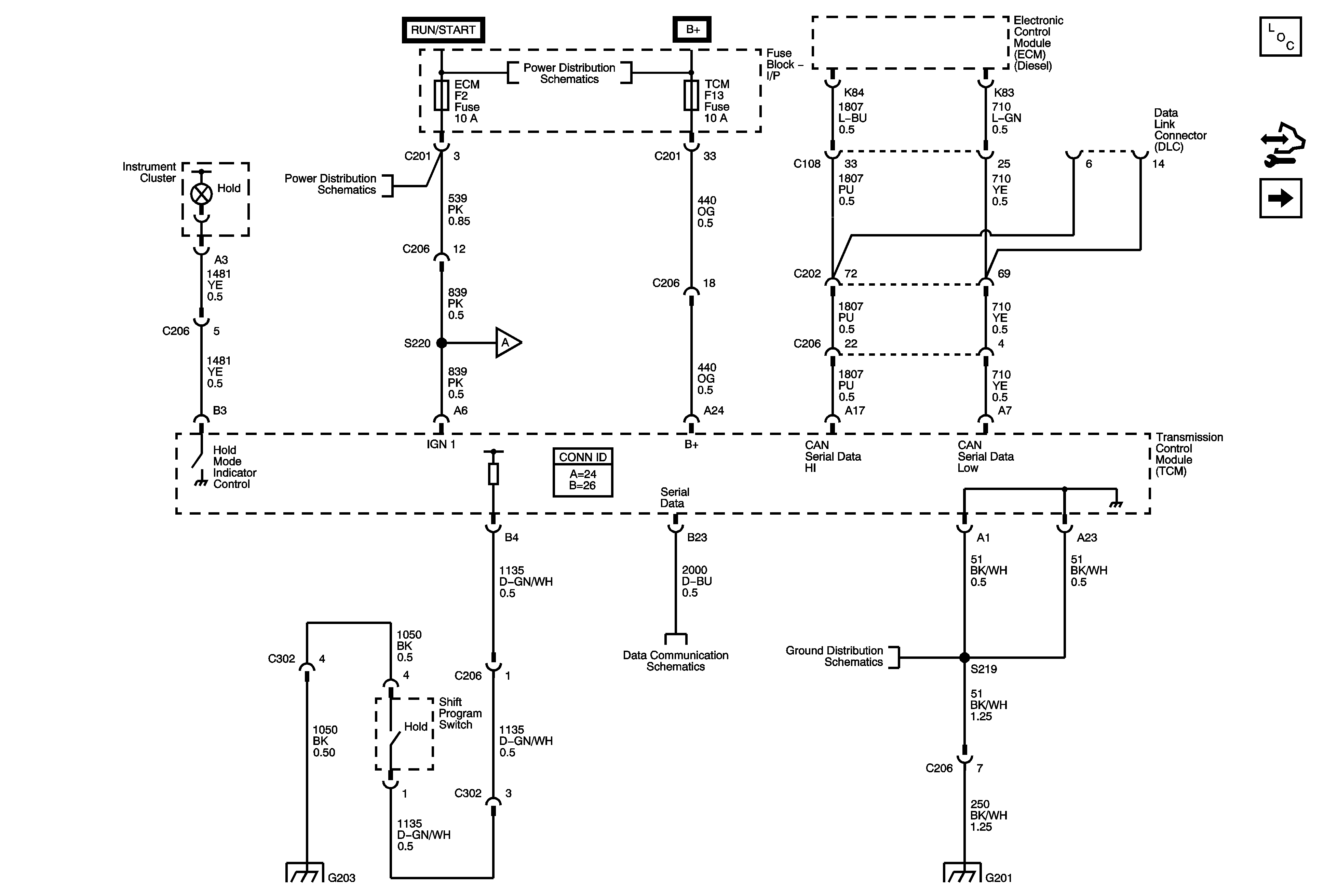
🢒 TCM Power, Ground, MIL, Serial Data, Shift Program Switch
TCM Power, Ground, MIL, Serial Data, Shift Program Switch
TCM Power, Ground, MIL, Serial Data, Shift Program Switch
Master Electrical Component List
Control Module References
Transmission Solenoids, Stoplamp Switch
I/P Fuse Block - ECM Fuse
I/P Fuse Block - ECM Fuse
Underhood Fuse Block - BATT PWR, IGN 1 and IGN 2, Fuses, Ignition Switch, I/P Fuse Block - RADIO, IMMOBILIZER, DLC, AUTO A/C, HAZARD LAMPS, RKE TCM, and REAR FOG/CRUISE Fuses
Park/Neutral Position (PNP) Switch
Data Communications Schematics
G201 (1 of 2)
G203
G201 (1 of 2)