GM Service Manual Online
For 1990-2009 cars only
Makes
🢒
Chevrolet
🢒
2007
🢒
Optra
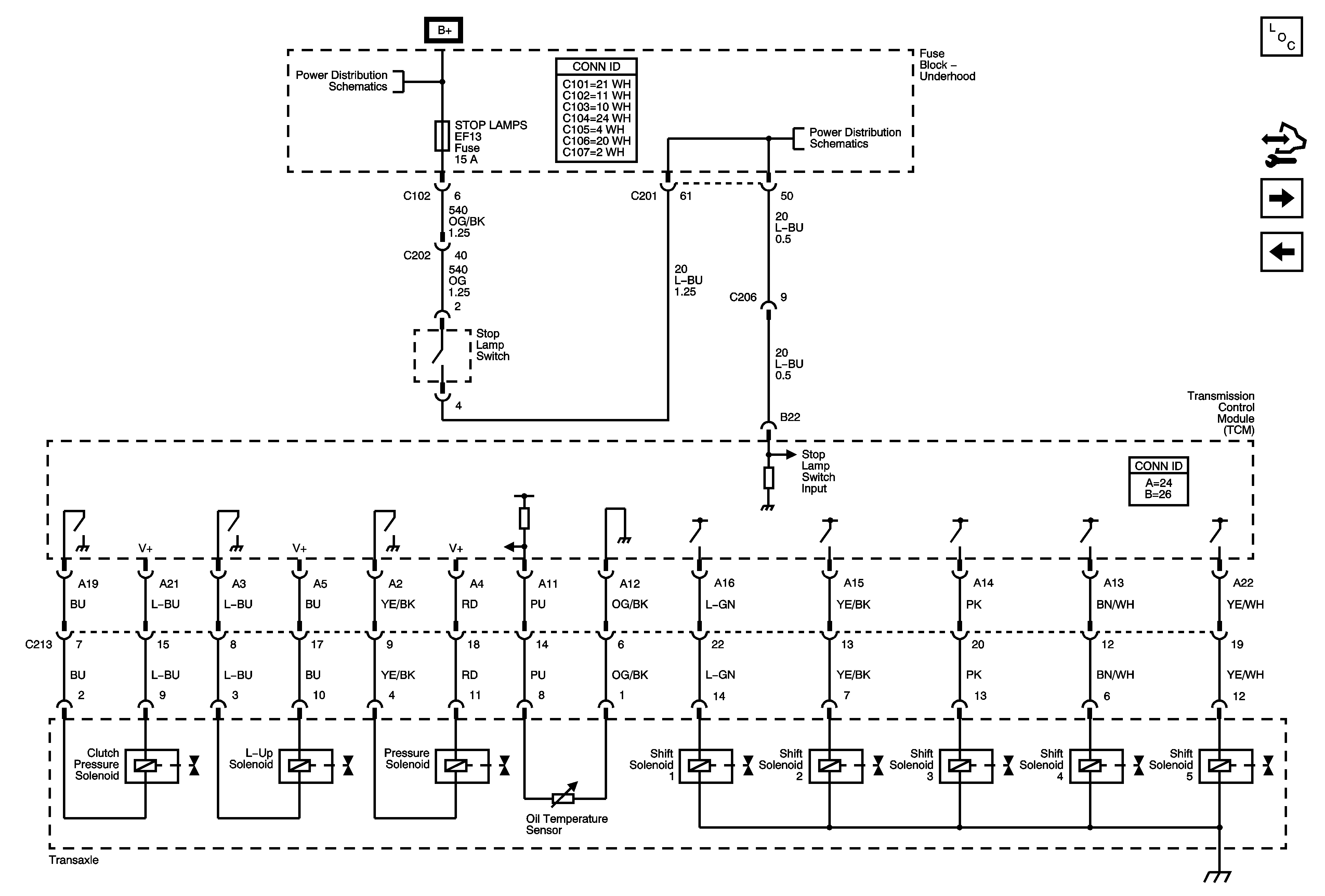
🢒 Transmission Solenoids, Stoplamp Switch
Transmission Solenoids, Stoplamp Switch
Transmission Solenoids, Stop Lamp Switch
Master Electrical Component List
Control Module References
Input Shaft, Output Shaft, Vehicle Speed Sensors
TCM Power, Ground, MIL, Serial Data, Shift Program Switch
Underhood Fuse Block - Battery Feeds - 1of 2
Underhood Fuse Block - Battery Feeds - 1of 2