GM Service Manual Online
For 1990-2009 cars only
Makes
🢒
Chevrolet
🢒
2007
🢒
Optra
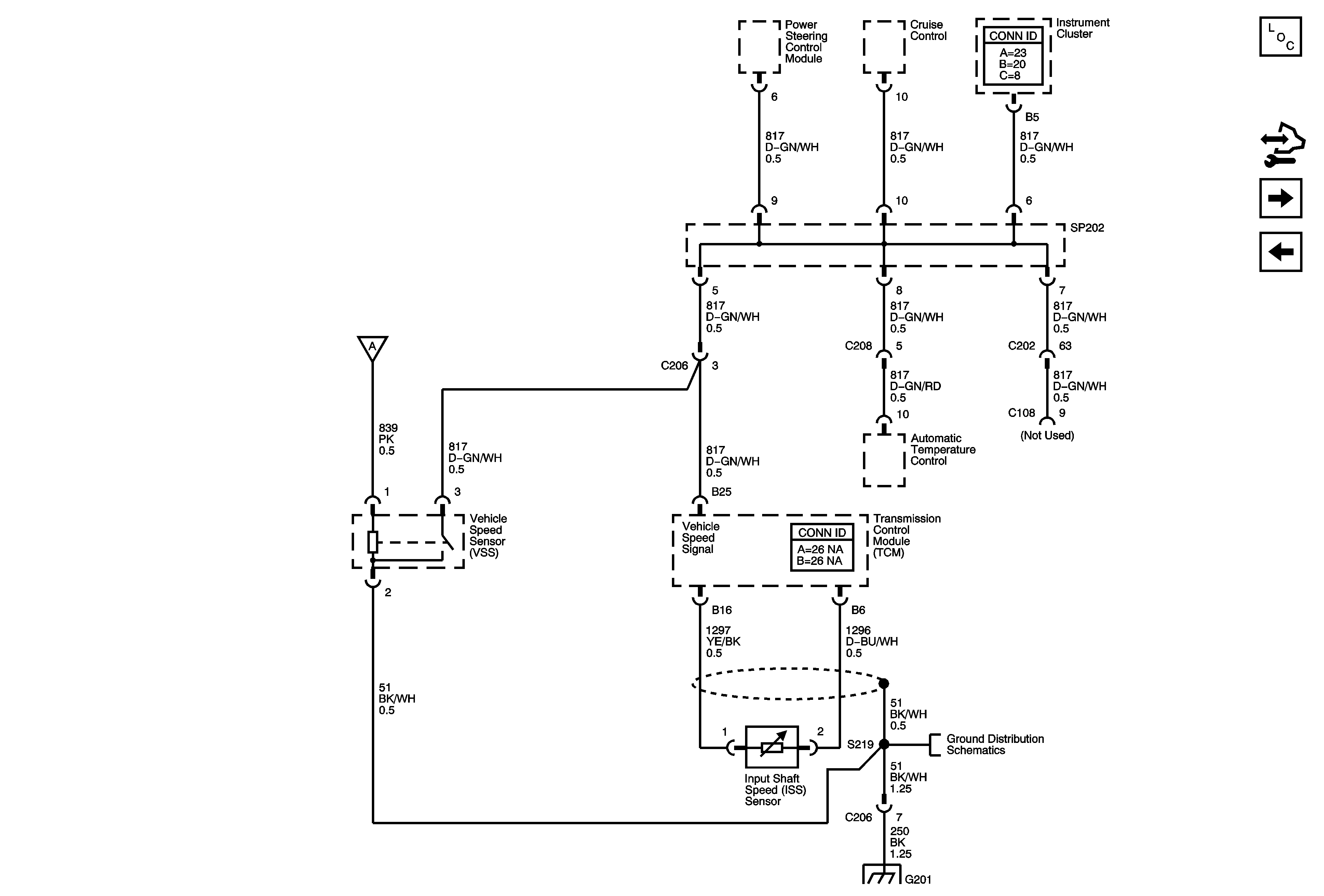
🢒 Vehicle Speed and Input Speed Sensors
Vehicle Speed and Input Speed Sensors
Vehicle Speed and Input Speed Sensors
Master Electrical Component List
Control Module References
Park/Neutral Position (PNP)
Torque Converter Clutch (TCC) and Transmission Solenoids
Module Power, Ground, Malfunction Indicator Lamp (MIL), Hold Lamp and Serial Data
G201 (1 of 2)