GM Service Manual Online
For 1990-2009 cars only
Makes
🢒
Chevrolet
🢒
2007
🢒
Optra
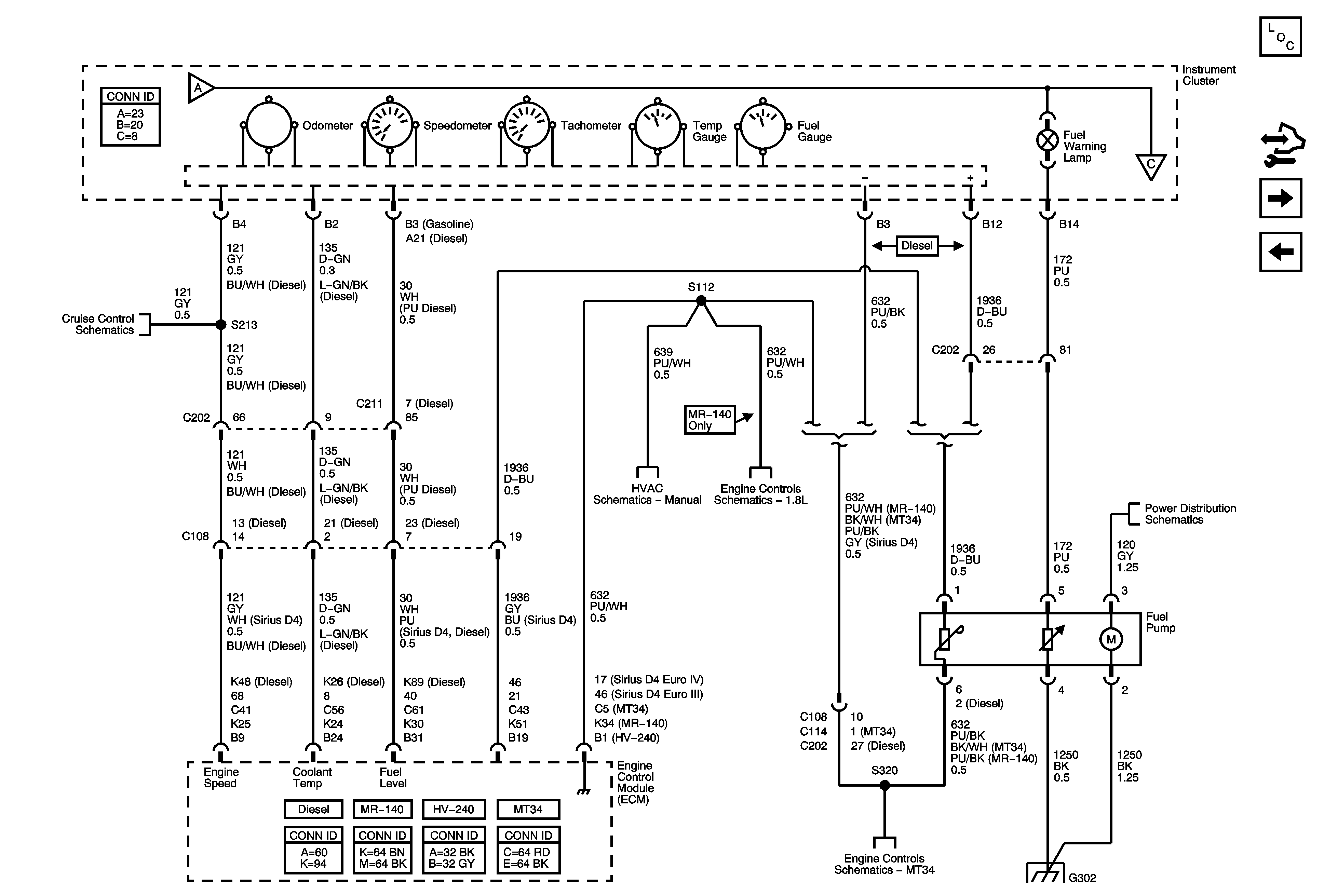
🢒 Gages
Gages
Gages
Master Electrical Component List
Control Module References
Power Steering, Shift Program, Air Bag, TPMS, ABS, TCS, Park Brake, and Charging Warning Lamps
Power, Ground, I/P Illumination, Door Open Indicators
Power, Ground, I/P Illumination, Door Open Indicators
Air Bag, MIL Lamp, Oil Pressure, DRL, Cruise and Fog Lamp Indicators
Cruise Control Schematics
Blower Controls
Module Power, Ground, Serial Data, Malfunction Indicator Lamp (MIL)
Underhood Fuse Block - Battery Feeds - 1of 2
Module Power, Ground, Serial Data, Malfunction Indicator Lamp (MIL)
G302