GM Service Manual Online
For 1990-2009 cars only
Makes
🢒
Chevrolet
🢒
2007
🢒
Optra
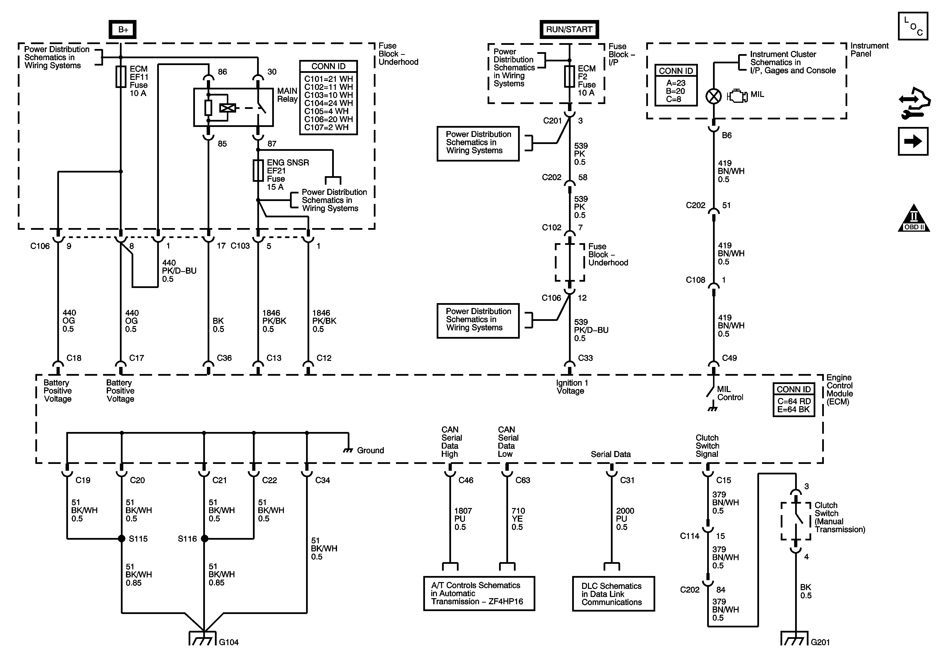
🢒 Module Power, Ground, Serial Data, Malfunction Indicator Lamp (MIL)
Module Power, Ground, Serial Data, Malfunction Indicator Lamp (MIL)
Module Power, Ground, Serial Data, Malfunction Indicator Lamp (MIL)
Master Electrical Component List
Control Module References
Acceleration Pedal Position (APP), TP Sensorsl, Throttle Actuator Control Motor
Underhood Fuse Block - Battery Feeds - 1of 2
Underhood Fuse Block - Battery Feeds - 1of 2
Underhood Fuse Block - Battery Feeds - 1of 2
Underhood Fuse Block - Battery Feeds - 1of 2
Underhood Fuse Block - Battery Feeds - 1of 2
Power, Ground, I/P Illumination, Door Open Indicators
Power, Ground, Hold Switch and DLC
Data Communications Schematics
G104
G201 (1 of 2)