GM Service Manual Online
For 1990-2009 cars only
Makes
🢒
Chevrolet
🢒
2007
🢒
Optra
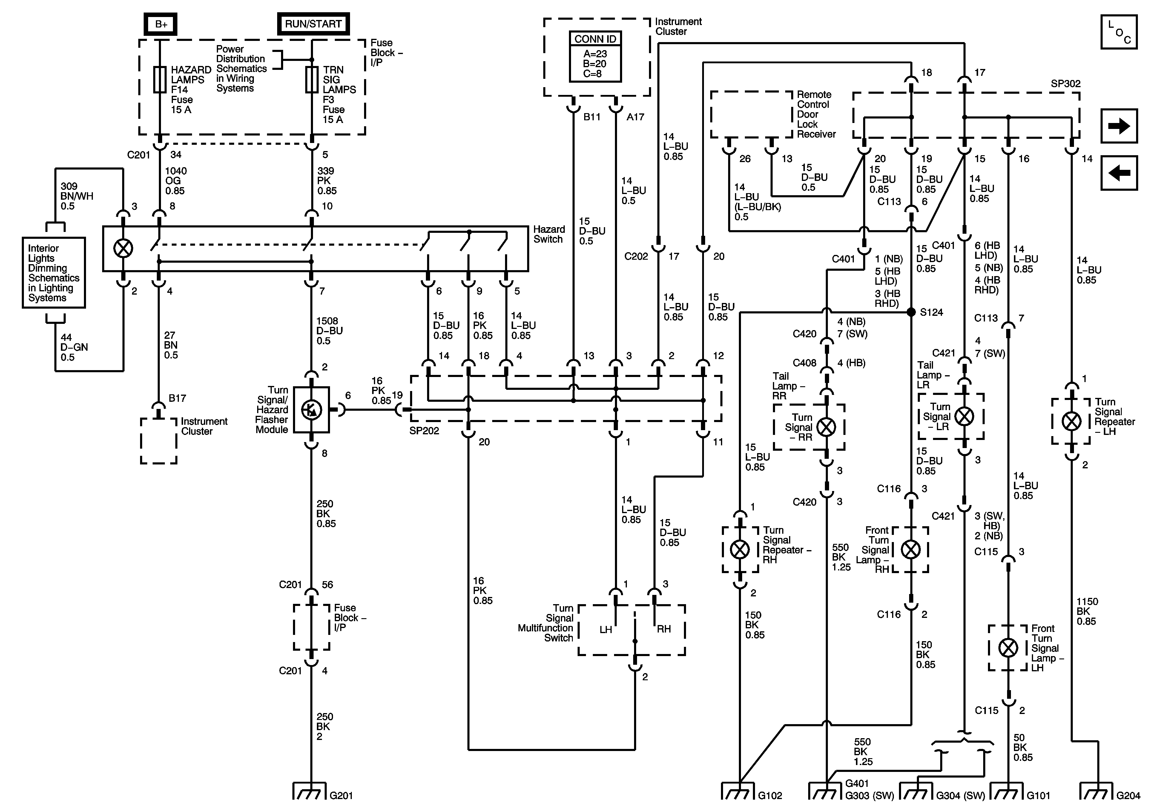
🢒 Turn and Hazard Lamps - Except North America
Turn and Hazard Lamps - Except North America
Turn and Hazard Lamps - Except North America
Master Electrical Component List
Backup Lamps
Turn and Hazard Lamps - North America
Underhood Fuse Block - Battery Feeds - 1of 2
Interior Lights Schematics
G201 (1 of 2)
G102
G303, G401
G304
G101
G202, G204