GM Service Manual Online
For 1990-2009 cars only
Makes
🢒
Chevrolet
🢒
2007
🢒
Optra
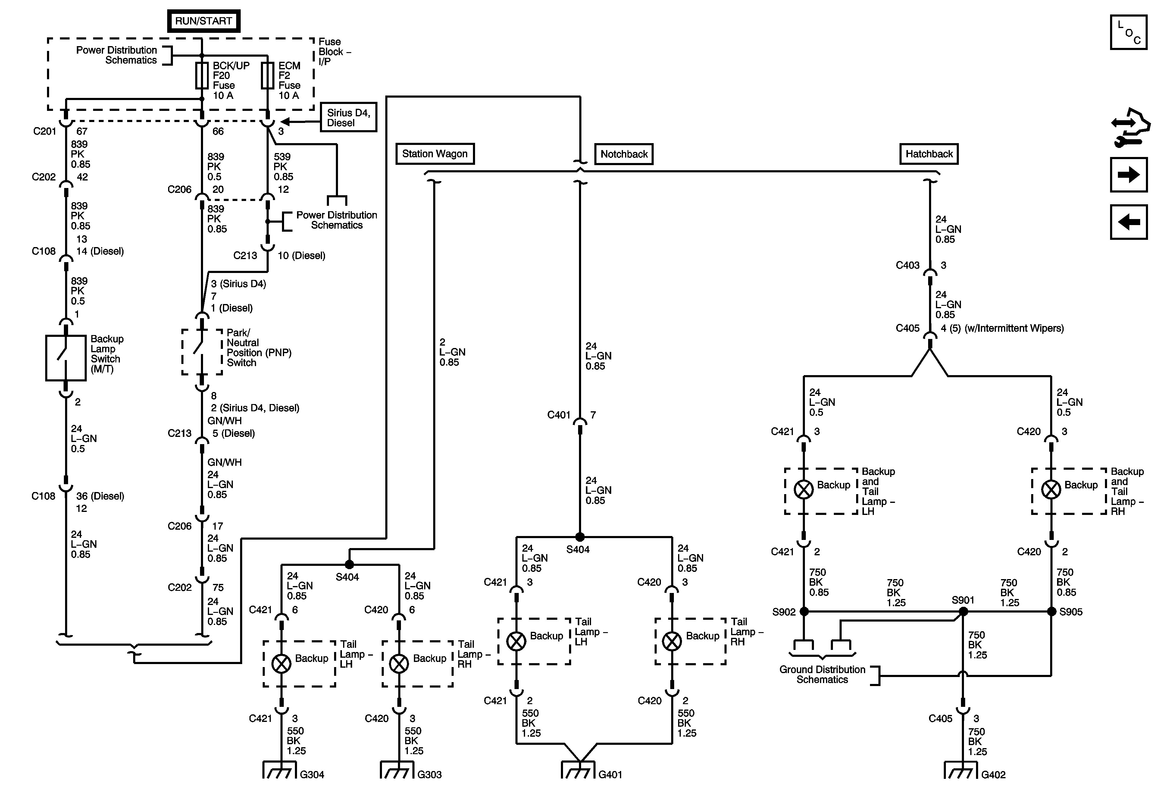
🢒 Backup Lamps
Backup Lamps
Backup Lamps
Master Electrical Component List
Control Module References
Stop Lamps - Notchback
Turn and Hazard Lamps - Except North America
Underhood Fuse Block - Battery Feeds - 1of 2
Underhood Fuse Block - Battery Feeds - 1of 2
G101
G304
G303, G401
G303, G401
G402