GM Service Manual Online
For 1990-2009 cars only
Makes
🢒
Chevrolet
🢒
2007
🢒
Optra
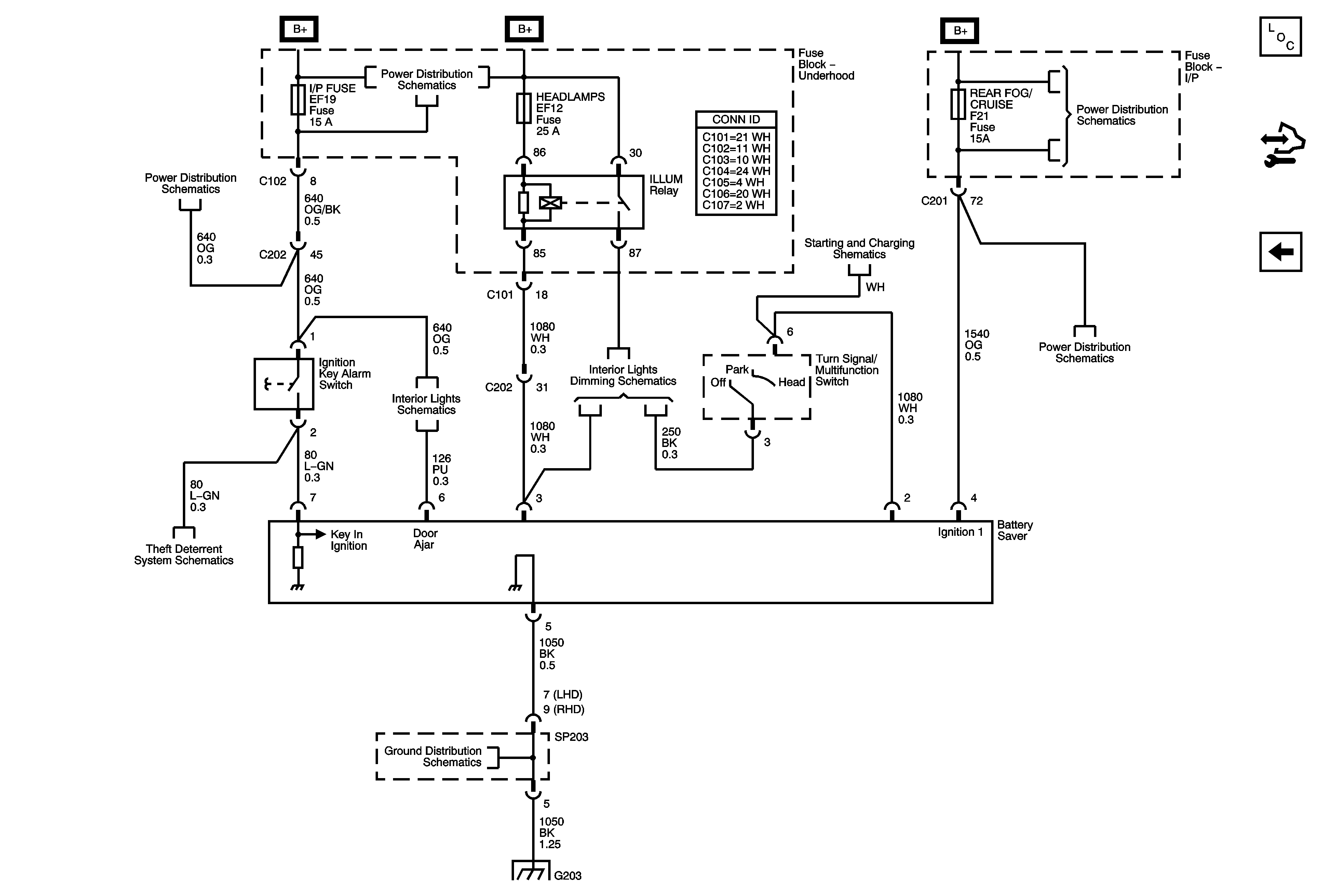
🢒 Battery Saver
Battery Saver
Battery Saver
Master Electrical Component List
Control Module References
Stop Lamps - Station Wagon
Underhood Fuse Block - Battery Feeds - 1of 2
Underhood Fuse Block - Battery Feeds - 1of 2
Underhood Fuse Block - Battery Feeds - 1of 2
Underhood Fuse Block - Battery Feeds - 1of 2
Starting
Park Lamps and License Plate Lamps
Park Lamps and License Plate Lamps
Remote Function/Theft Deterrent Schematics
G101
G203