GM Service Manual Online
For 1990-2009 cars only
Makes
🢒
Chevrolet
🢒
2007
🢒
Optra
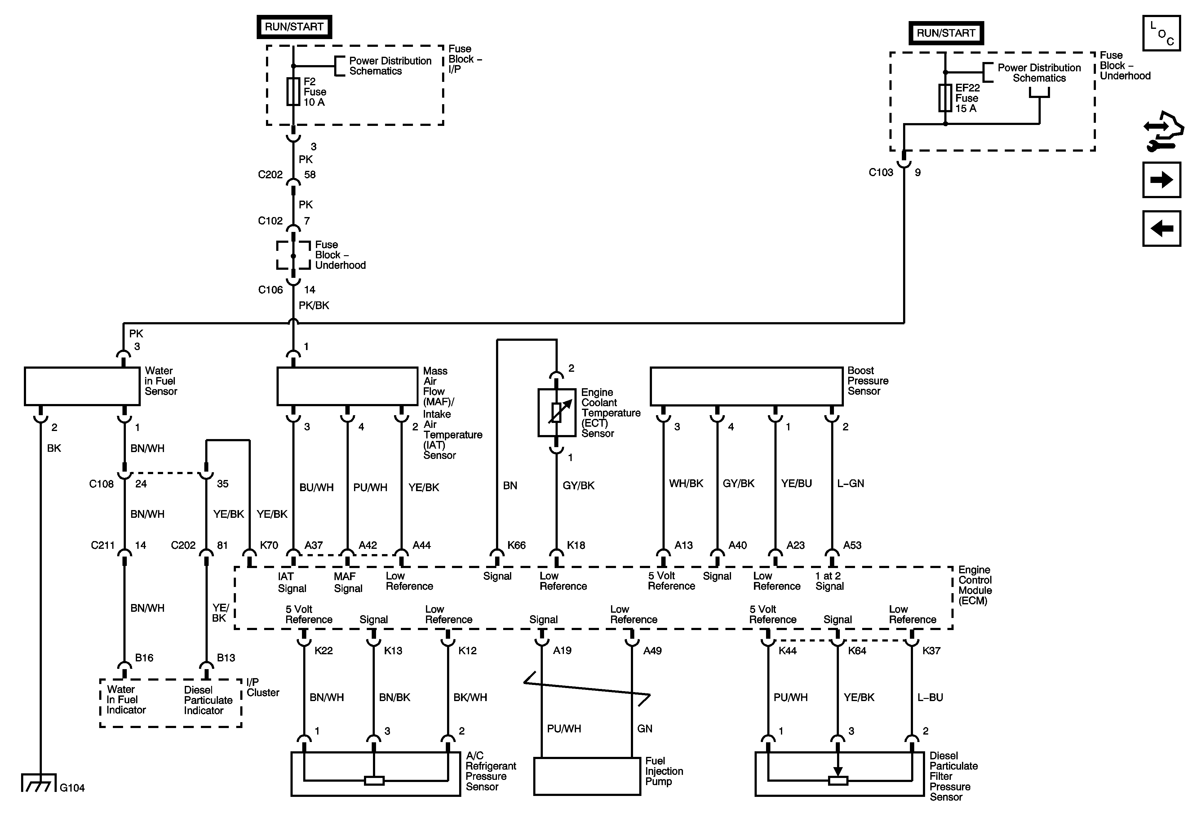
🢒 Water in Fuel, MAF, IAT, ECT, Boost Pressure, Refrigerant Pressure Sensors, Fuel Injection Pump
Water in Fuel, MAF, IAT, ECT, Boost Pressure, Refrigerant Pressure Sensors, Fuel Injection Pump
Water in Fuel, MAF, IAT, ECT, Boost Pressure, Refrigerant Pressure Sensors, Fuel Injection Pump
Master Electrical Component List
Control Module References
Throttle Plate Actuator, APP Sensor, EGR Valve, Exhaust Gas Temperature Sensors
ECM Power and Ground, Serial Data, MIL Control
I/P Fuse Block - ECM Fuse
Underhood Fuse Block Battery Feeds - 3 of 3
G104