GM Service Manual Online
For 1990-2009 cars only
Makes
🢒
Chevrolet
🢒
2007
🢒
Optra
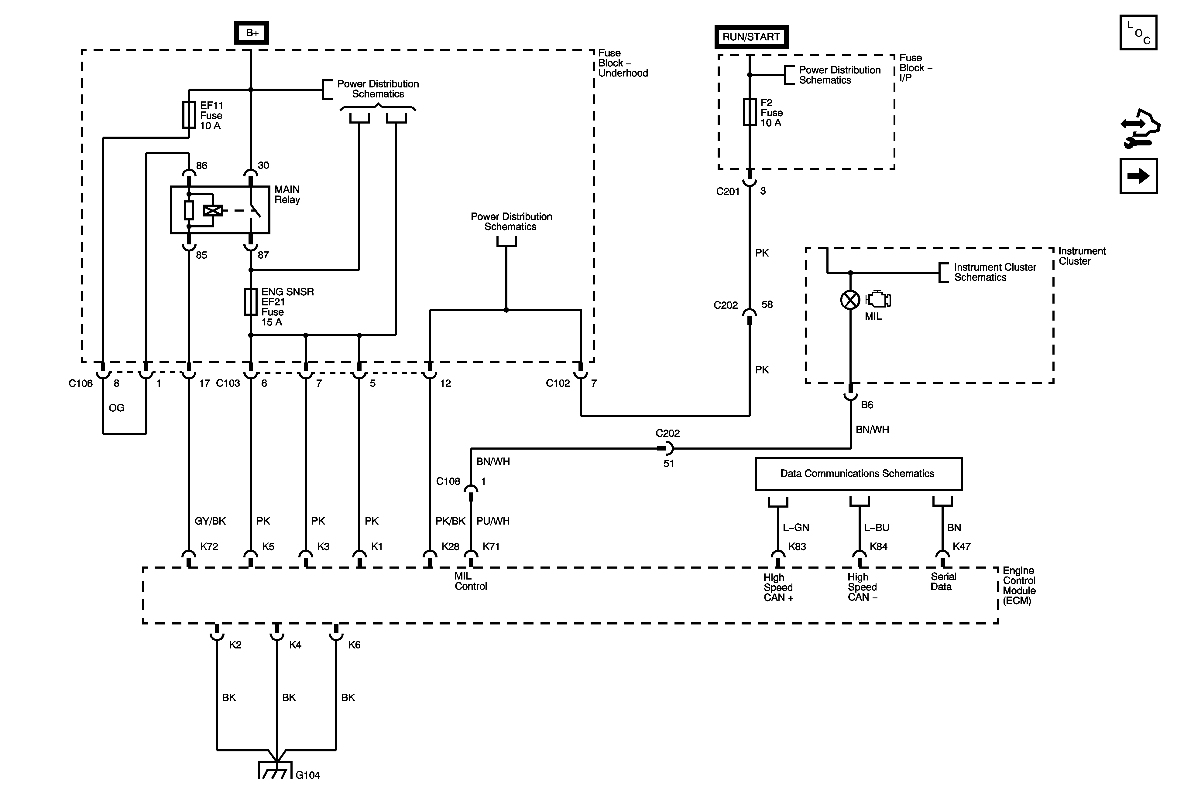
🢒 ECM Power and Ground, Serial Data, MIL Control
ECM Power and Ground, Serial Data, MIL Control
ECM Power and Ground, Serial Data, MIL Control
Master Electrical Component List
Control Module References
Water in Fuel, MAF, IAT, ECT, Boost Pressure, Refrigerant Pressure Sensors, Fuel Injection Pump
Underhood Fuse Block Battery Feeds - 2 of 3
Underhood Fuse Block Battery Feeds - 3 of 3
I/P Fuse Block - ECM Fuse
I/P Fuse Block - ECM Fuse
Air Bag, MIL Lamp, Oil Pressure, DRL, Cruise and Fog Lamp Indicators
Data Communications Schematics
G104