GM Service Manual Online
For 1990-2009 cars only
Makes
🢒
Chevrolet
🢒
2008
🢒
Optra
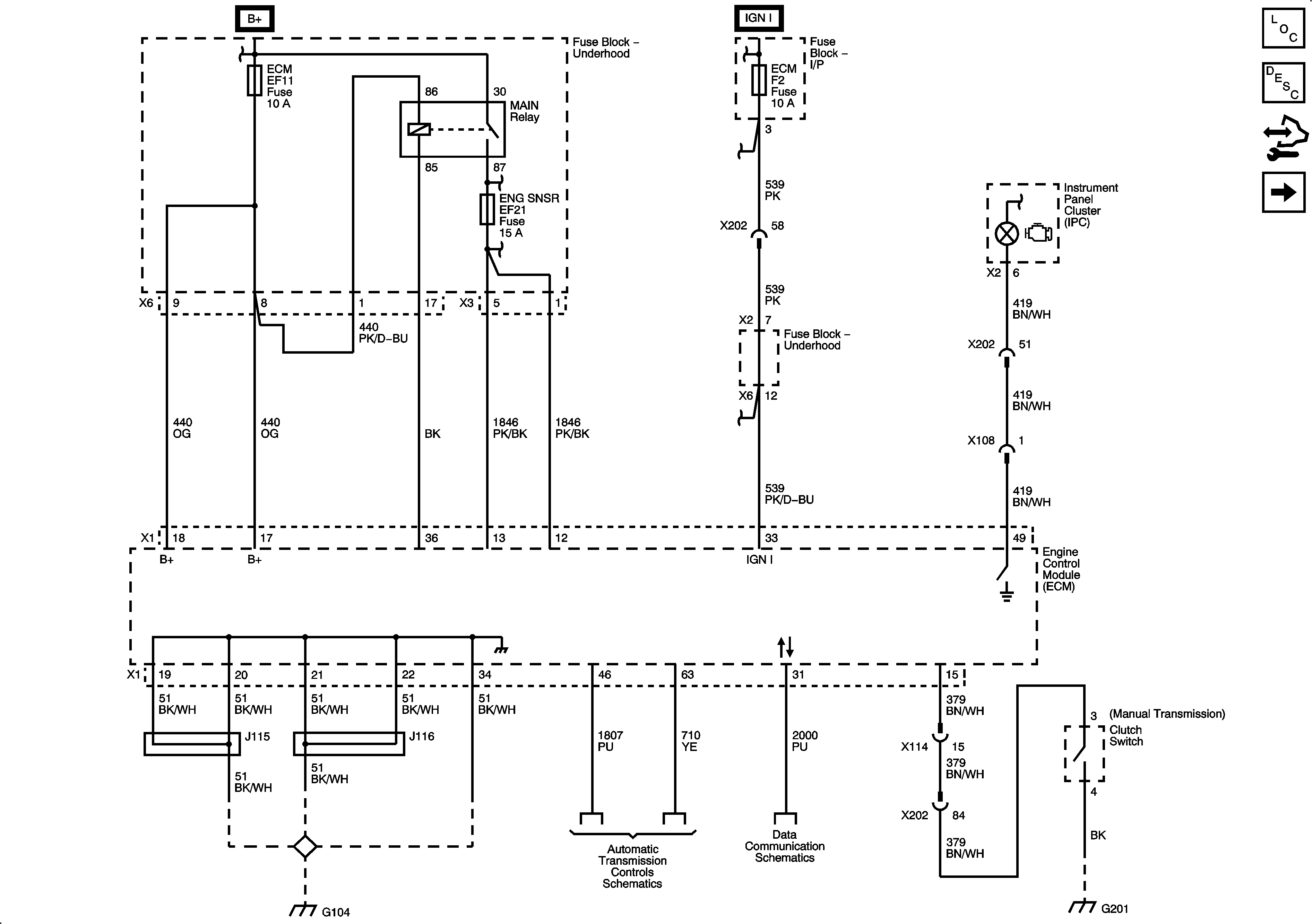
🢒 Module Power, Ground, Serial Data, Malfunction Indicator Lamp (MIL)
Module Power, Ground, Serial Data, Malfunction Indicator Lamp (MIL)
Module Power, Ground, Serial Data, Malfunction Indicator Lamp (MIL)
Master Electrical Component List
Control Module References
Accelerator Pedal Position (APP), TP Sensor, Throttle Actuator Control Motor
Fuse Block - Underhood B+ Bus, 1 of 3
Fuse Block - Underhood B+ Bus, 1 of 3
Fuse Block - Underhood B+ Bus, 1 of 3
Fuse Block - Underhood B+ Bus, 1 of 3
Fuse Block - Underhood B+ Bus, 1 of 3
Power, Ground, I/P Illumination, and Door Open Indicators
Power, Ground, Hold Switch, and DLC
Data Communication
G104
G201 - 1 of 2