GM Service Manual Online
For 1990-2009 cars only
Makes
🢒
Chevrolet
🢒
2008
🢒
Optra
🢒 Fuel Pump and Injectors
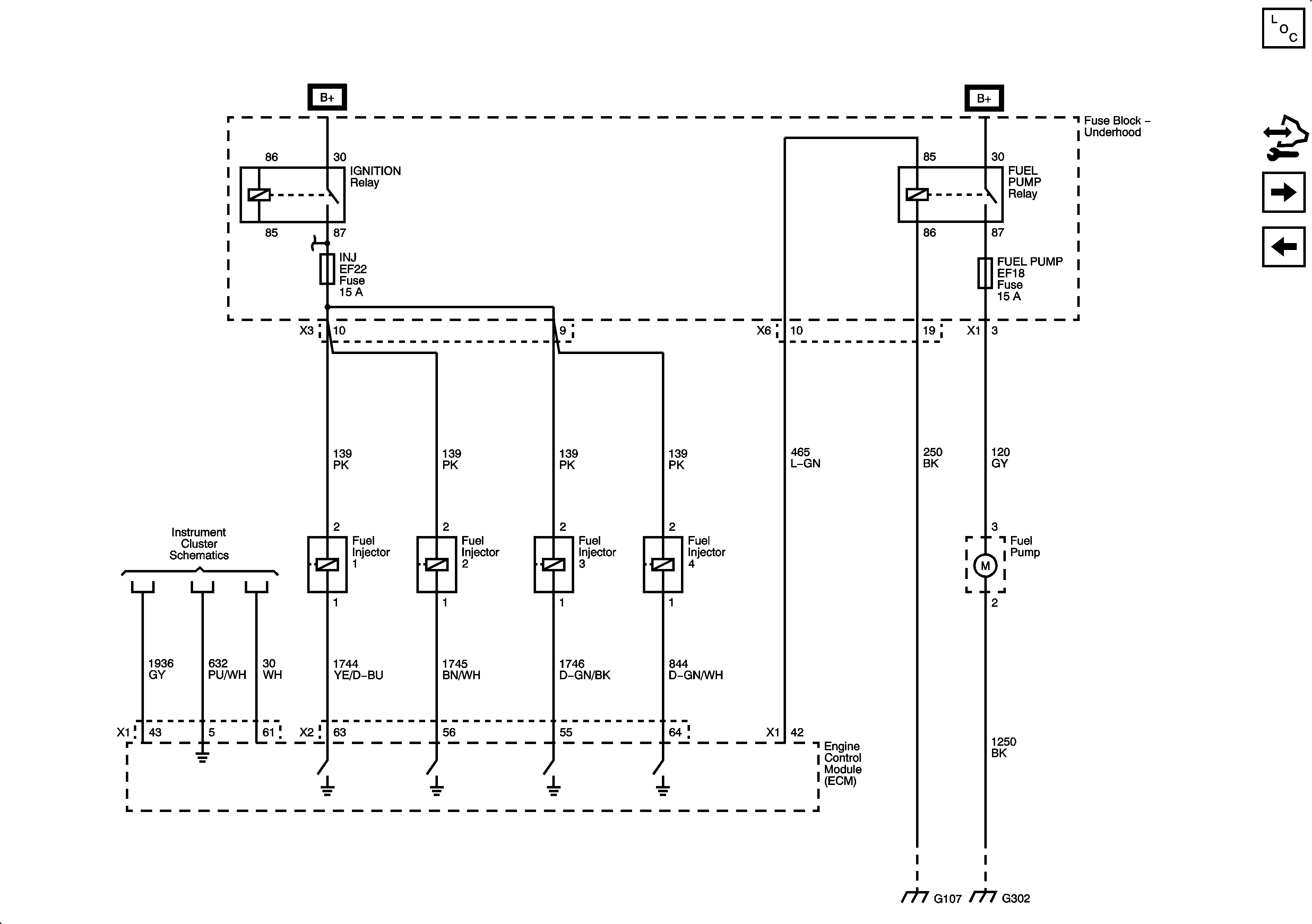
Fuel Pump and Injectors
Fuel Pump and Injectors
Master Electrical Component List
Control Module References
Controlled/Monitored Subsystem references
CKP, CMP, Knock, Rough Road Sensors
Fuse Block - Underhood B+ Bus, 1 of 3
Power, Ground, I/P Illumination, and Door Open Indicators
G106, G107
G302