GM Service Manual Online
For 1990-2009 cars only
Makes
🢒
Chevrolet
🢒
2008
🢒
Optra
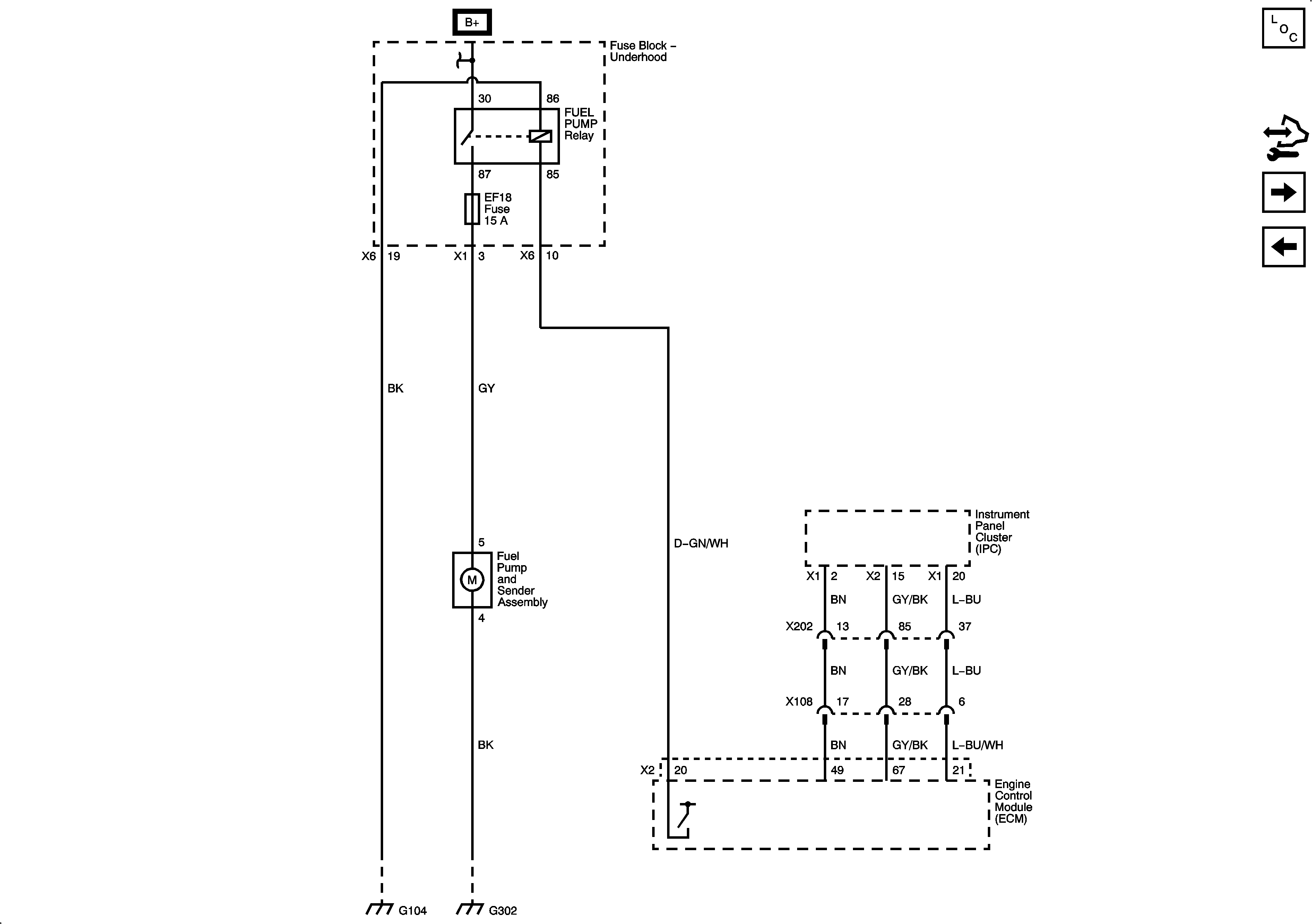
🢒 Fuel Pump
Fuel Pump
Fuel Pump
Master Electrical Component List
Control Module References
Fuel Rail Pressure Sensor and Control Valve, Fuel Filter Heater/Temperature Sensor, Fuel Injectors
Glow Plug Control, CKP, CMP Sensors, Clutch Start Switch
Fuse Block - Underhood B+ Bus, 2 of 3
G104
G302