GM Service Manual Online
For 1990-2009 cars only
Makes
🢒
Chevrolet
🢒
2008
🢒
Optra
🢒 Diesel
Diesel
Diesel
Master Electrical Component List
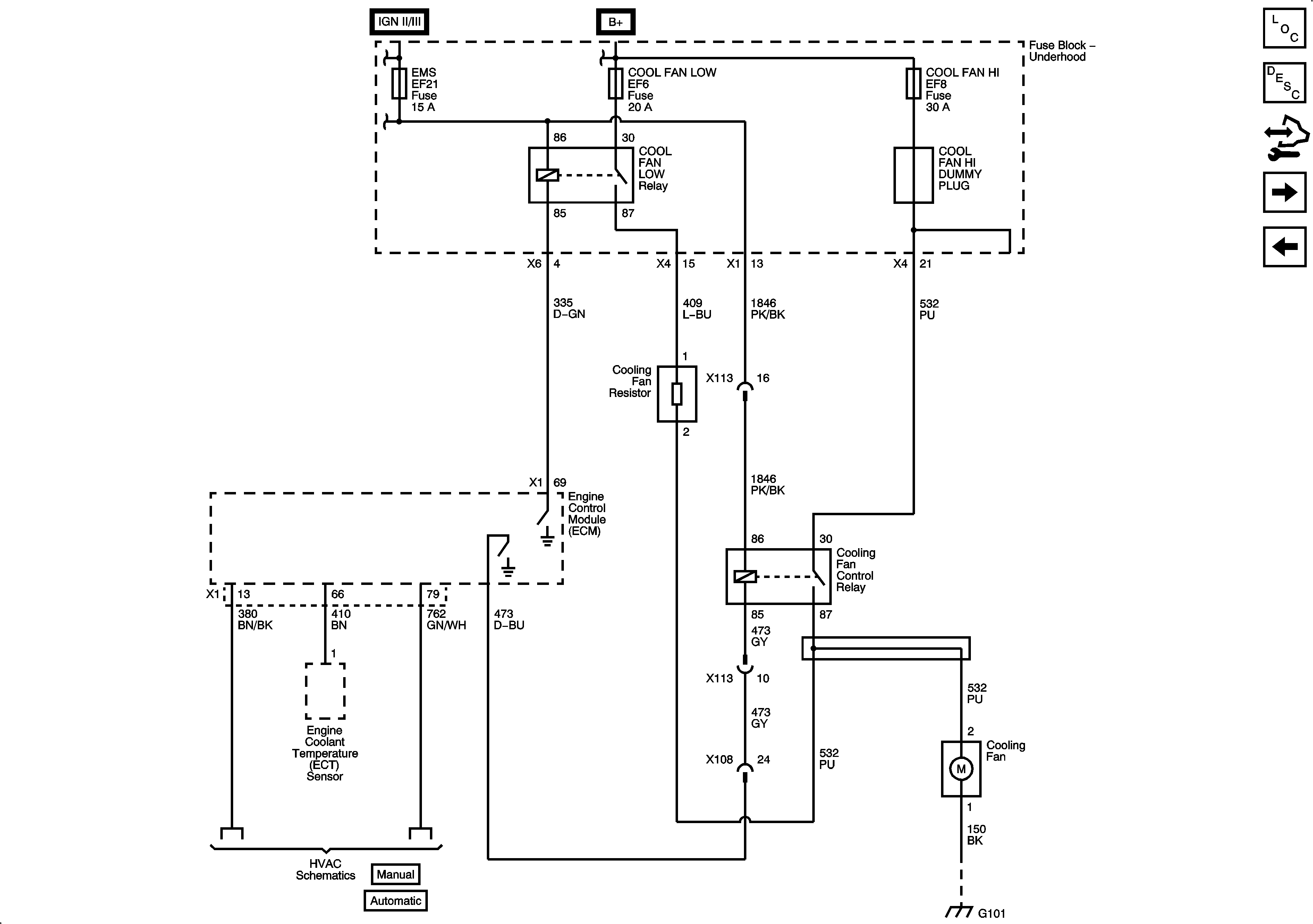
Cooling System Description and Operation (Gasoline)
Control Module References
Dual Fans
Single Fan
Fuse Block - Underhood B+ Bus, 1 of 3
Fuse Block - Underhood B+ Bus, 1 of 3
Compressor Controls Sirius D4, MR140, MT34
Compressor Controsl Sirius D4
G101