GM Service Manual Online
For 1990-2009 cars only
Makes
🢒
Chevrolet
🢒
2008
🢒
Optra
🢒 Interior Lights
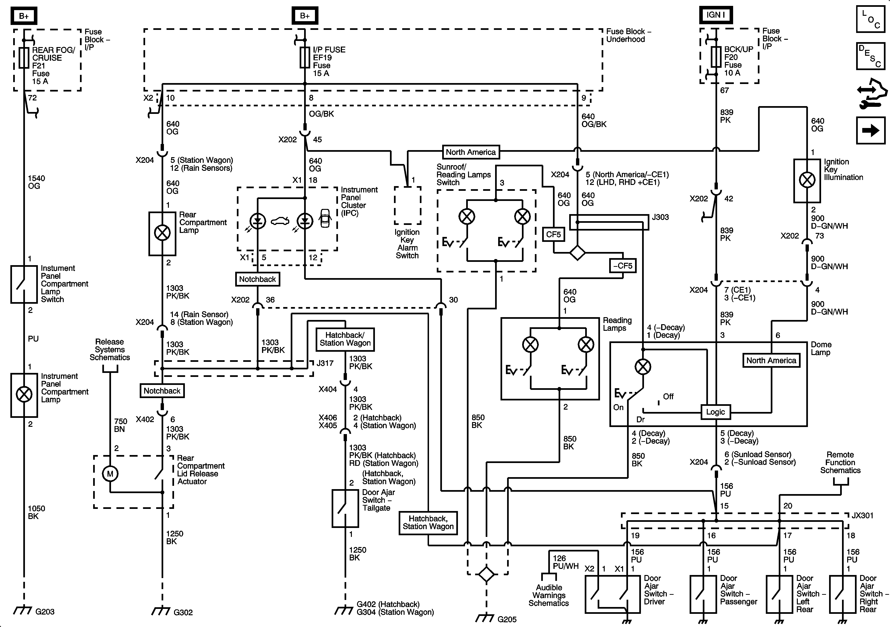
Interior Lights
Interior Lights
Master Electrical Component List
Control Module References
Fuse Block - Underhood B+ Bus, 1 of 3
Fuse Block - Underhood B+ Bus, 1 of 3
Fuse Block - Underhood B+ Bus, 1 of 3
Fuse Block - Underhood B+ Bus, 1 of 3
Audible Warnings
Remote Function
Remote Function
G101
G203
G302
G205, G301
G402
G304