GM Service Manual Online
For 1990-2009 cars only
Makes
🢒
Chevrolet
🢒
2008
🢒
Optra
🢒 Seat Belt
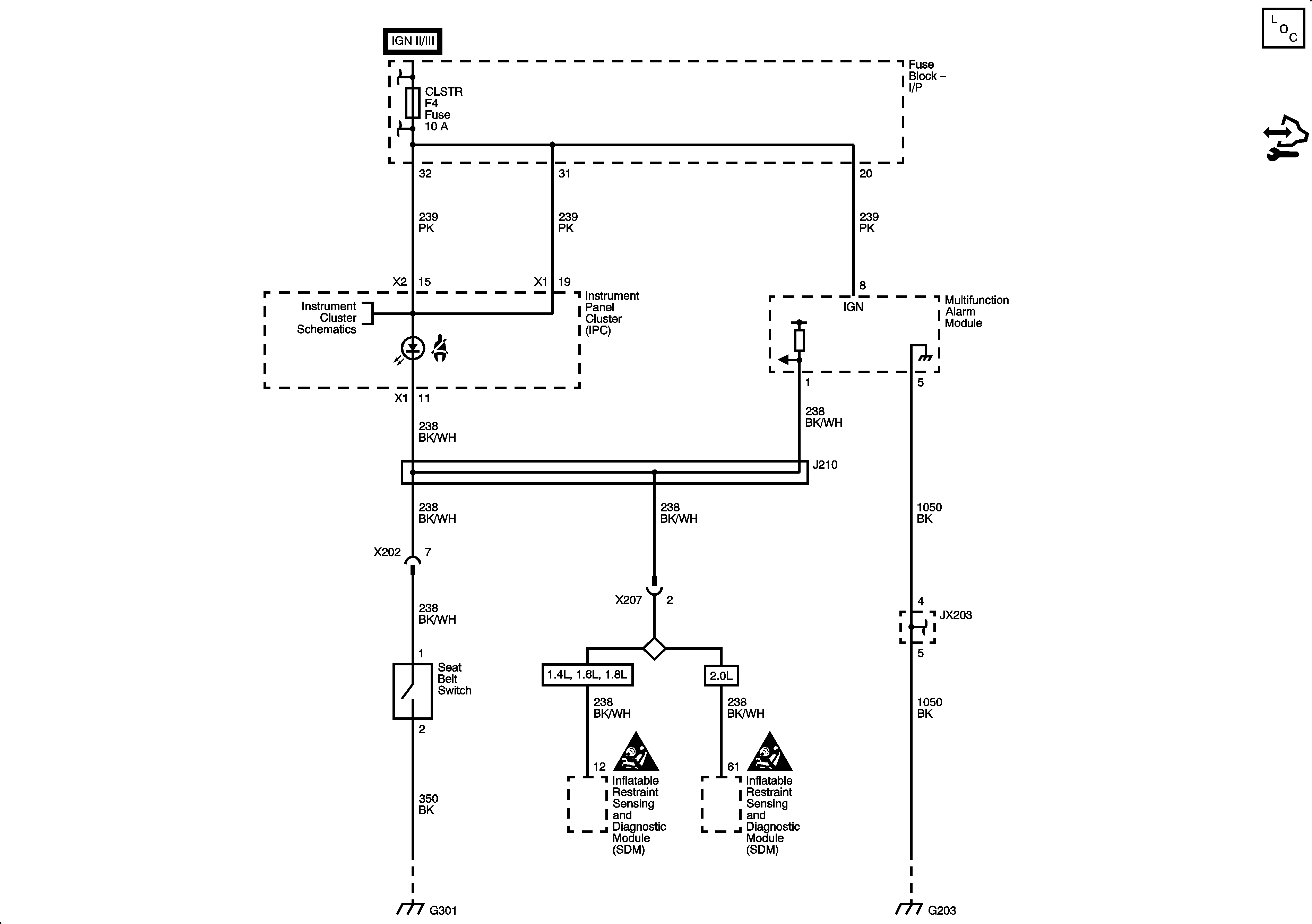
Seat Belt
Master Electrical Component List
Control Module References
Fuse Block - Underhood B+ Bus, 1 of 3
Power, Ground, I/P Illumination, and Door Open Indicators
G101
G205, G301
G203