GM Service Manual Online
For 1990-2009 cars only
Makes
🢒
Chevrolet
🢒
2000
🢒
Prizm
🢒
Body and Accessories
🢒
Lighting Systems
🢒 Interior Lights Schematics
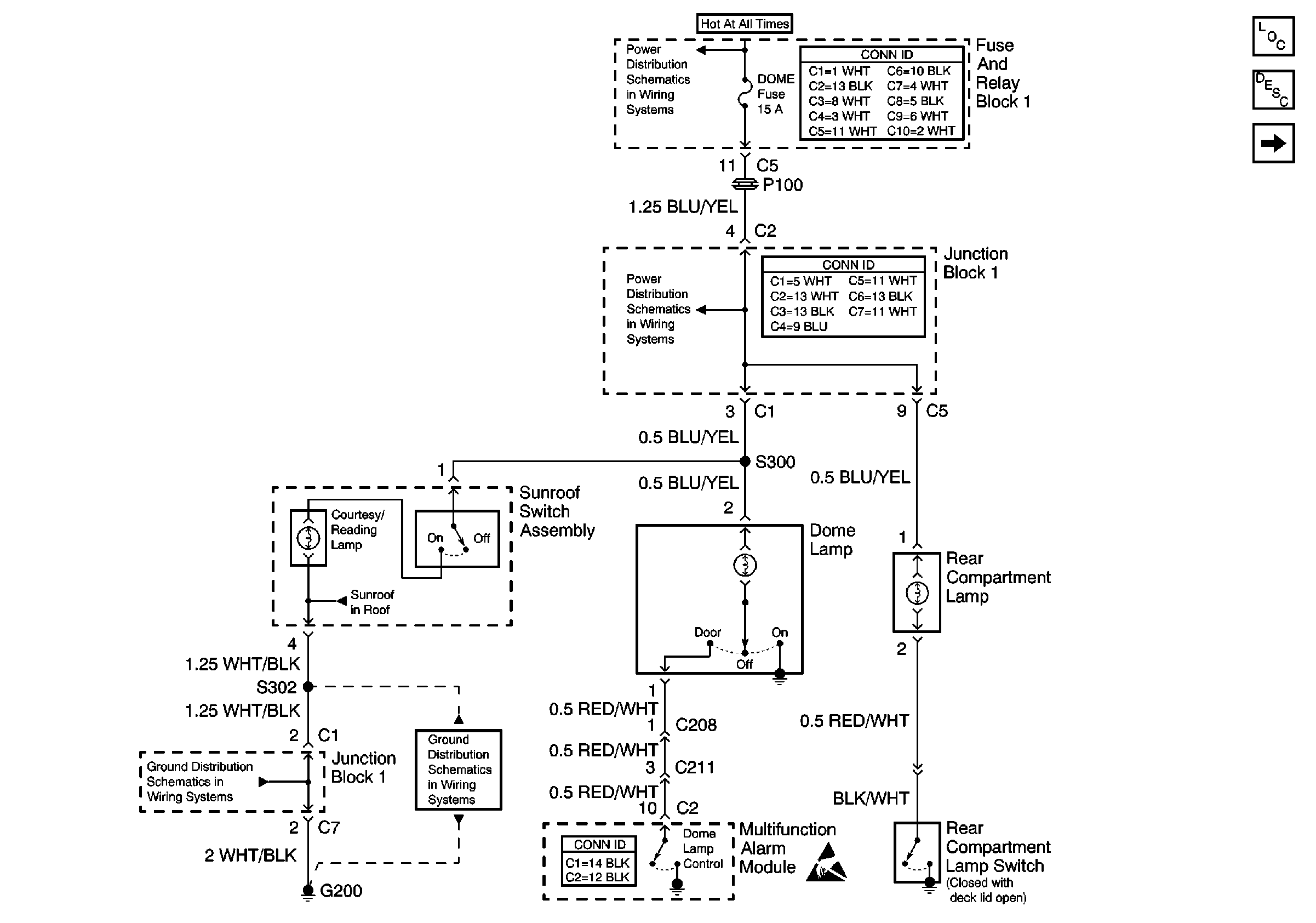
Figure
1:
Luggage Compartment Lamp Switch, Dome Lamp Control and Sunroof Switch Assembly
Lighting Systems Components
Interior Lights Circuit Description
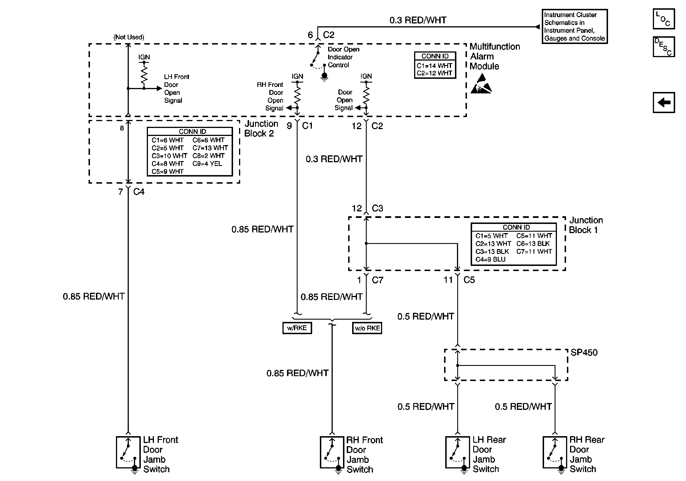
Door Jamb Switches and Multifunction Alarm Module
Cell 10: Alt-S, AM2, Dome, EFI, Hazard, Horn, and Main Fuses
Cell 10: Alt-S, AM2, Dome, EFI, Hazard, Horn, and Main Fuses
Cell 14: G200, G203, SP250 and SP650
Cell 14: G204 and SP256
Cell 122
Figure
2:
Door Jamb Switches and Multifunction Alarm Module
Lighting Systems Components
Interior Lights Circuit Description
Luggage Compartment Lamp Switch, Dome Lamp Control and Sunroof Switch Assembly
Handling ESD Sensitive Parts Notice
Cell 81: Illumination Lamps, Door Open, Air Bag, and Charge Indicators