GM Service Manual Online
For 1990-2009 cars only
Makes
🢒
Chevrolet
🢒
2000
🢒
Prizm
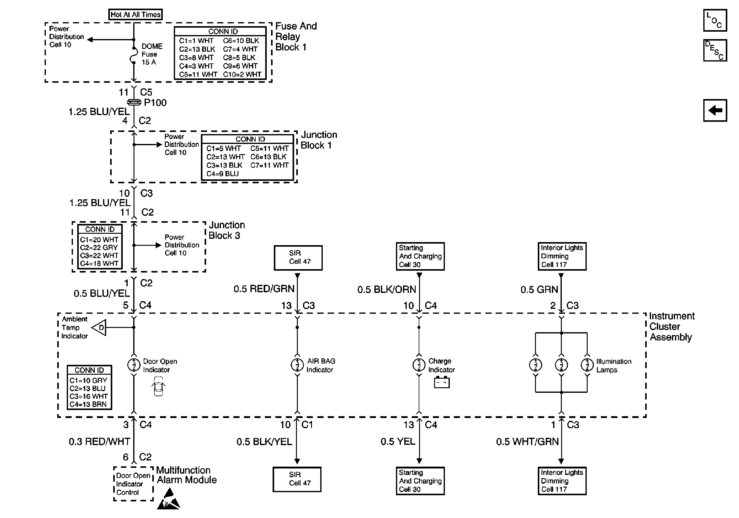
🢒 Cell 81: Illumination Lamps, Door Open, Air Bag, and Charge Indicators
Cell 81: Illumination Lamps, Door Open, Air Bag, and Charge Indicators
Cell 81: Illumination Lamps, Door Open, Air Bag, and Charge Indicators
Instrument Panel, Gages, and Console Component Views
Instrument Cluster Circuit Description
Cell 81: Gages, Speedometer, and Low Fuel Indicator
Handling ESD Sensitive Parts Notice
Cell 10: Alt-S, AM2, Dome, EFI, Hazard, Horn, and Main Fuses
Cell 10: Alt-S, AM2, Dome, EFI, Hazard, Horn, and Main Fuses
Cell 10: Alt-S, AM2, Dome, EFI, Hazard, Horn, and Main Fuses
Cell 47: AIR BAG Indicator and Inflatable Restraint Sensing and Diagnostic Module
Cell 47: AIR BAG Indicator and Inflatable Restraint Sensing and Diagnostic Module
Cell 117: Ashtray, Cigar Lighter, and Manual Selector Illumination Lamps
Cell 117: Ashtray, Cigar Lighter, and Manual Selector Illumination Lamps
Cell 30: Battery, CPP Switch, Fusible Link, Ignition Switch, ST Relay, and Starter
Cell 30: Battery, CPP Switch, Fusible Link, Ignition Switch, ST Relay, and Starter