GM Service Manual Online
For 1990-2009 cars only
Makes
🢒
Chevrolet
🢒
2000
🢒
Prizm
🢒
Body and Accessories
🢒
Wipers/Washer Systems
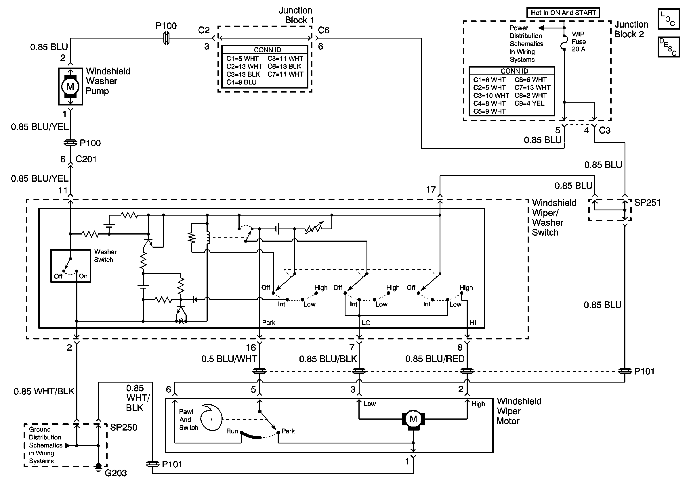
🢒 Wiper/Washer System (Pulse) Schematics
Wiper/Washer System Components
Wiper/Washer System Circuit Description
Cell 14: G200, G203, SP250 and SP650
Cell 10: ECU-IG, Turn, WIP Fuse