GM Service Manual Online
For 1990-2009 cars only
Makes
🢒
Chevrolet
🢒
2000
🢒
Prizm
🢒
Body and Accessories
🢒
Entertainment
🢒 Radio/Audio System Schematics
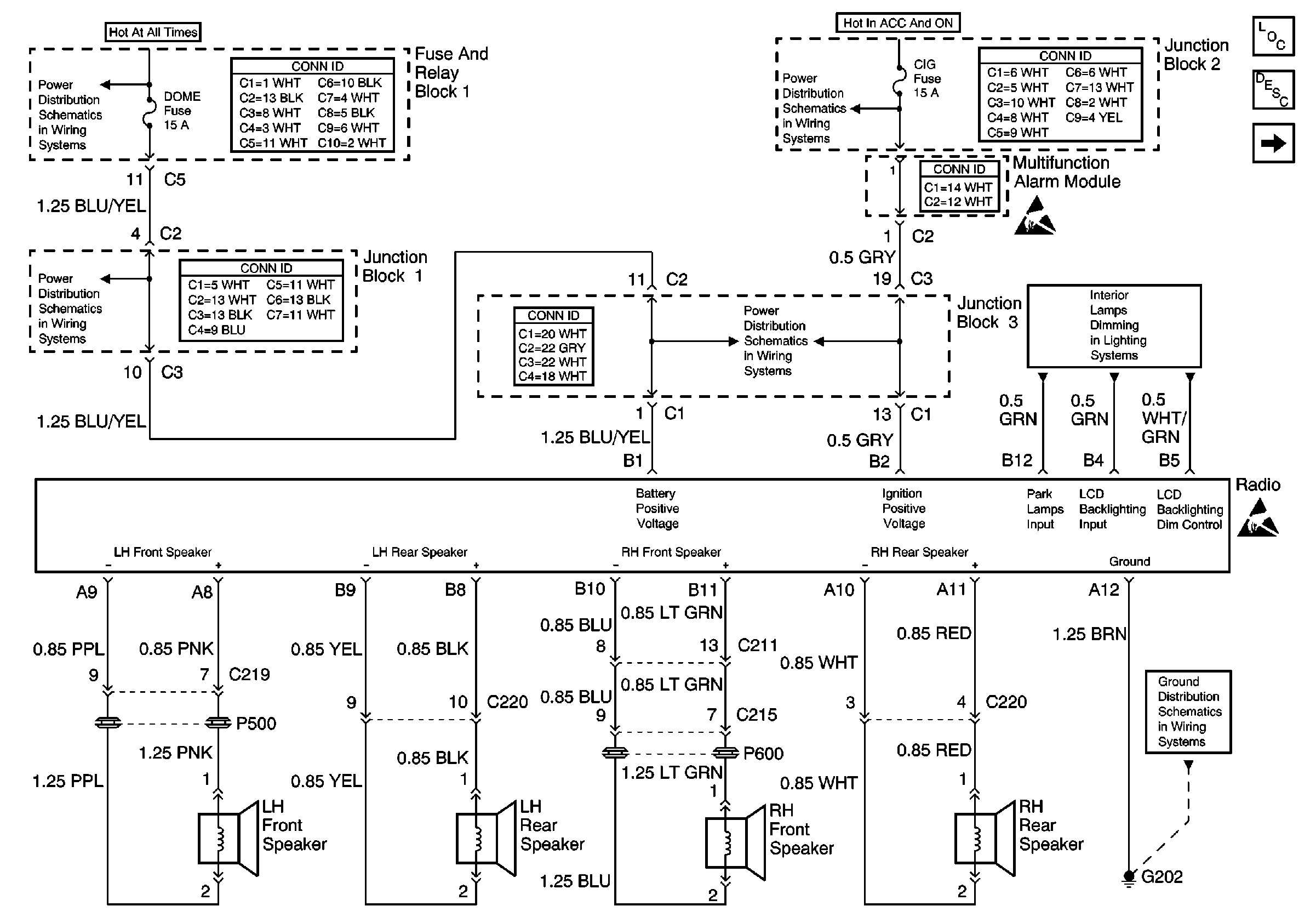
Figure
1:
Radio and Speakers
Entertainment Components
Radio/Audio System Circuit Description
Noise Filter
Handling ESD Sensitive Parts Notice
Handling ESD Sensitive Parts Notice
CIG Fuse
Alt-S, AM2, Dome, EFI, Hazard, Horn, and Main Fuses
Alt-S, AM2, Dome, EFI, Hazard, Horn, and Main Fuses
Cell 14: G201 and G202
Cell 117: Ashtray, Cigar Lighter, and Manual Selector Illumination Lamps
Figure
2:
Noise Filter
Radio and Speakers
Entertainment Components
Radio/Audio System Circuit Description
Ignition Switch, IGN Fuse, and ST Fuse
Ignition Switch, IGN Fuse, and ST Fuse
Cell 14: G105 and G106