GM Service Manual Online
For 1990-2009 cars only
Makes
🢒
Chevrolet
🢒
2000
🢒
Prizm
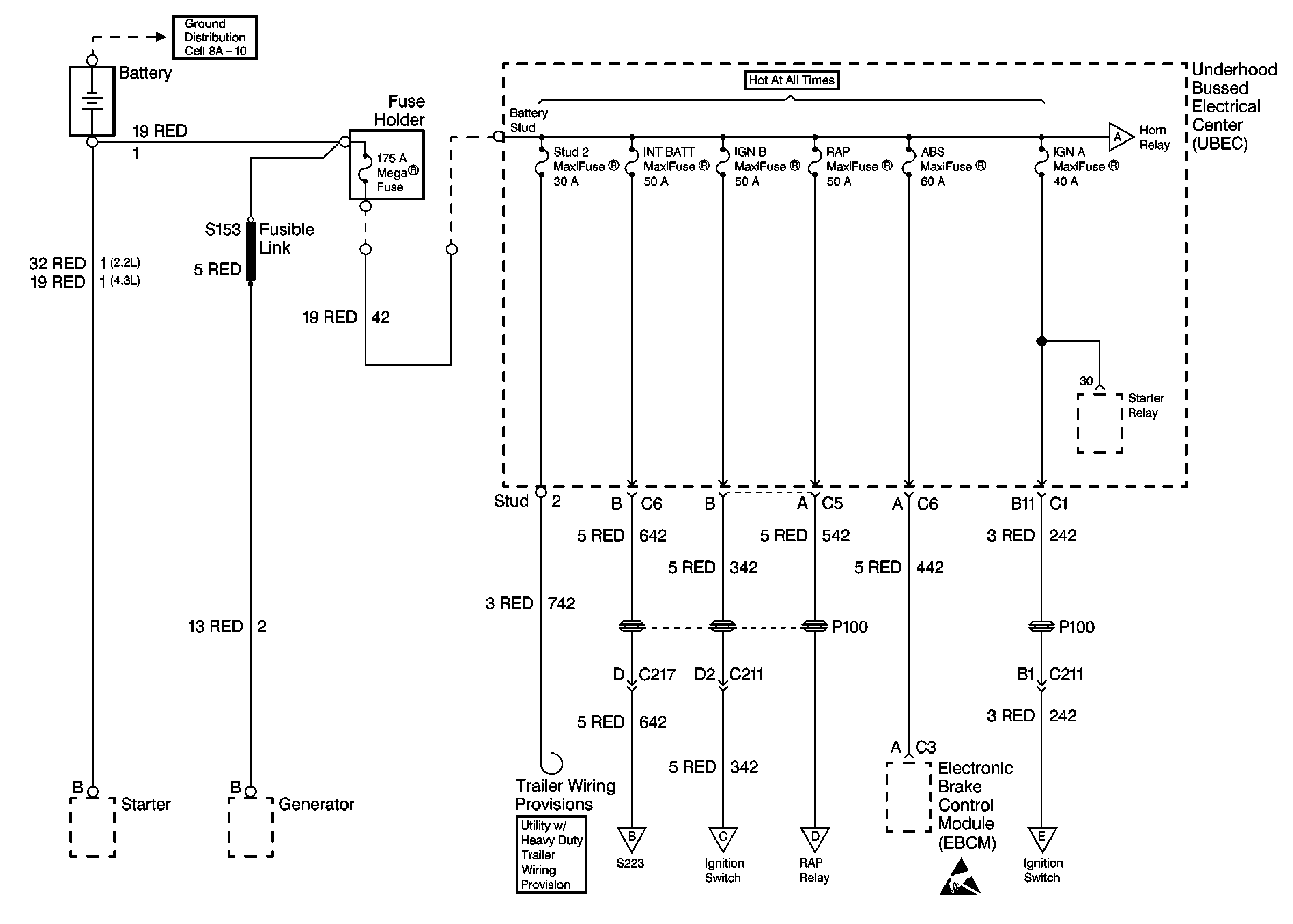
🢒 Cell 10: 175 A Mega® Fuse, Stud 2, INT BATT, IGN B, RAP, ABS, and IGN A MaxiFuses®
Cell 10: 175 A Mega® Fuse, Stud 2, INT BATT, IGN B, RAP, ABS, and IGN A MaxiFuses®
Cell 10: 175 A Mega® Fuse, Stud 2, INT BATT, IGN B, RAP, ABS, and IGN A MaxiFuses®
Power and Grounding Components
Cell 10: TBC, IGN C, HTD SEAT, and ATC Fuses
Ground Distribution Schematics
Cell 10: TBC, IGN C, HTD SEAT, and ATC Fuses
Cell 10: AUX PWR, RDO BATT, MIR/LKS, HDLP SW, AMPF, PWR LKS, CTSY LP, and CIGAR LTR Fuses
Cell 10: Ignition Switch
Cell 10: RDO IGN, RR WPR, and FRT WPR Fuses
Handling ESD Sensitive Parts Notice
Cell 10: Ignition Switch