GM Service Manual Online
For 1990-2009 cars only
Makes
🢒
Chevrolet
🢒
2000
🢒
Prizm
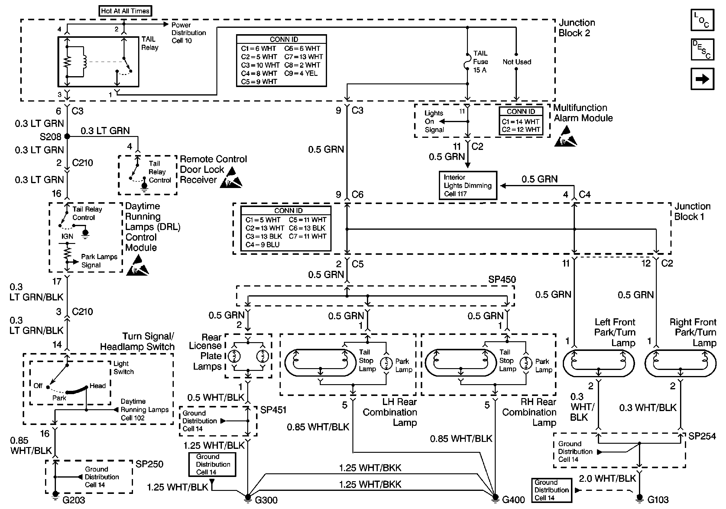
🢒 Cell 110: DRL Control Module, Remote Control Door Lock Reciever, Tail, and Light
Cell 110: DRL Control Module, Remote Control Door Lock Reciever, Tail, and Light
Cell 110: DRL Control Module, Remote Control Door Lock Reciever, Tail, and Light
Lighting Systems Component Views
Exterior Lights Circuit Description
Cell 110: Hazard Switch, Turn/Hazard Flasher, and Turn Signal Switch
Handling ESD Sensitive Parts Notice
Handling ESD Sensitive Parts Notice
Handling ESD Sensitive Parts Notice
Cell 10: ABS, Alt, AMI, Def, D/L, ECU-B, HTR, ODB, Power, and Stop Fuses
Cell 14: G200, G203, SP250 and SP650
Cell 14: G300, G400, G301, and SP451
Cell 14: G300, G400, G301, and SP451
Cell 14: Battery, G100, G101, G102, G103, and G104
Cell 14: SP254 and SP261
Cell 102: Light Switch, Dimmer Switch DRL Control Module
Cell 117: DRL Control Module, IP Lamp Dimmer, and Turn Signal/Combination Switch